Caution: Refer to Fuel and Evaporative Emission Pipe Caution in the Preface section.
Caution: Refer to Gasoline/Gasoline Vapors Caution in the Preface section.
Notice: Refer to Fuel and Evaporative Emission Hose/Pipe Connection Cleaning Notice in the Preface section.
| 10.1. | Remove the transmission support. Refer to Transmission Support Replacement . |
| 10.2. | Lower the transmission slightly. |
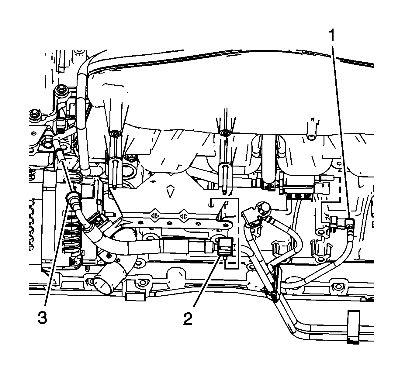
| 10.3. | Remove the EVAP/fuel hose/pipe assembly retaining bolt (3) from the transmission. |
| 10.4. | Disengage the EVAP/fuel hose/pipe assembly from the clip (1) at the rear of the transmission. |
| 11.1. | Remove the transfer case. Refer to Transfer Case Assembly Replacement . |
| 11.2. | Remove the transmission support. Refer to Transmission Support Replacement . |
| 11.3. | Lower the transmission slightly. |
| 11.4. | Remove the EVAP/fuel hose/pipe assembly retaining bolt (3) from the transmission. |
| 11.5. | Remove the EVAP/fuel hose/pipe assembly (2) from the clip at the rear of the transmission. |
Important: Note the position of the EVAP/fuel hose/pipe assembly clips before disassembly.
| 7.1. | Install the EVAP/fuel hose/pipe assembly into the clip (1) at the rear of the transmission. |
Notice: Refer to Fastener Notice in the Preface section.
| 7.2. | Position the EVAP/fuel hose/pipe assembly against the transmission and install the retaining bolt (3) through the EVAP/fuel hose/pipe assembly strap into the transmission. |
Tighten
Tighten the bolt to 3.75 N·m (33 lb in).
| 7.3. | Raise the transmission to the normal installed position. |
| 7.4. | Install the transmission support. Refer to Transmission Support Replacement . |
| 8.1. | Install the EVAP/fuel hose/pipe assembly (2) into the clip at the rear of the transmission. |
| 8.2. | Position the fuel EVAP/fuel hose/pipe assembly against the transmission and install the retaining bolt (3) through the EVAP/fuel hose/pipe assembly strap into the transmission. |
Tighten
Tighten the bolt to 3.75 N·m (33 lb in).
| 8.3. | Raise the transmission to the normal installed position. |
| 8.4. | Install the transmission support. Refer to Transmission Support Replacement . |
| 8.5. | Install the transfer case. Refer to Transfer Case Assembly Replacement . |
Tighten
Tighten the bolts to 8 N·m (71 lb in).
Tighten
Tighten the nuts to 8 N·m (71 lb in).
| 18.1. | Turn ON the ignition, with the engine OFF for 2 seconds. |
| 18.2. | Turn OFF the ignition, for 10 seconds. |
| 18.3. | Turn ON the ignition, with the engine OFF. |
| 18.4. | Inspect for fuel leaks. |