GM Service Manual Online
For 1990-2009 cars only

Removal Procedure

  1. Remove the drive belt. Refer to Drive Belt Replacement .
  2. Remove the 3 power steering pump bolts and move the pump out of the way. Refer to Power Steering Pump Replacement .
  3. Disconnect the camshaft position actuator solenoid electrical connector.

  4. Object Number: 744600  Size: SH
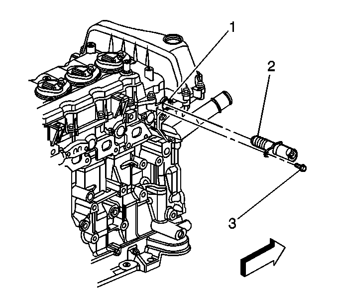
  5. Remove the camshaft position actuator solenoid retaining bolt (3).
  6. Remove the camshaft position actuator solenoid (2) from the engine block.
  7. Clean debris from the hole (1).

Installation Procedure

  1. Lubricate the hole (1) with engine oil.
  2. Notice: Refer to Fastener Notice in the Preface section.


    Object Number: 744600  Size: SH
  3. Install the camshaft position actuator solenoid (2) and bolt (3).
  4. Tighten
    Tighten the bolt to 10 N·m (89 lb in).

  5. Connect the camshaft position actuator solenoid electrical connector.
  6. Install the power steering pump and bolts. Refer to Power Steering Pump Replacement .
  7. Install the drive belt. Refer to Drive Belt Replacement .