Notice: Refer to Fastener Notice in the Preface section.
Tighten
Tighten the nut to 9 N·m (80 lb in).
Tighten
Tighten the nut to 9 N·m (80 lb in).
Tighten
Tighten the bolt to 10 N·m (89 lb in).
Tighten
Tighten the bolt to 15 N·m (11 lb ft).
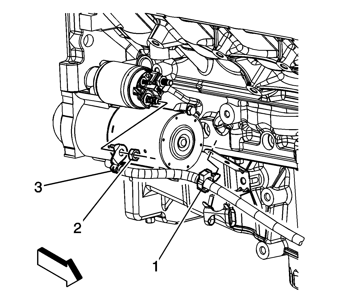
Notice: Refer to Fastener Notice in the Preface section.
Tighten
Tighten the nut to 9 N·m (80 lb in).
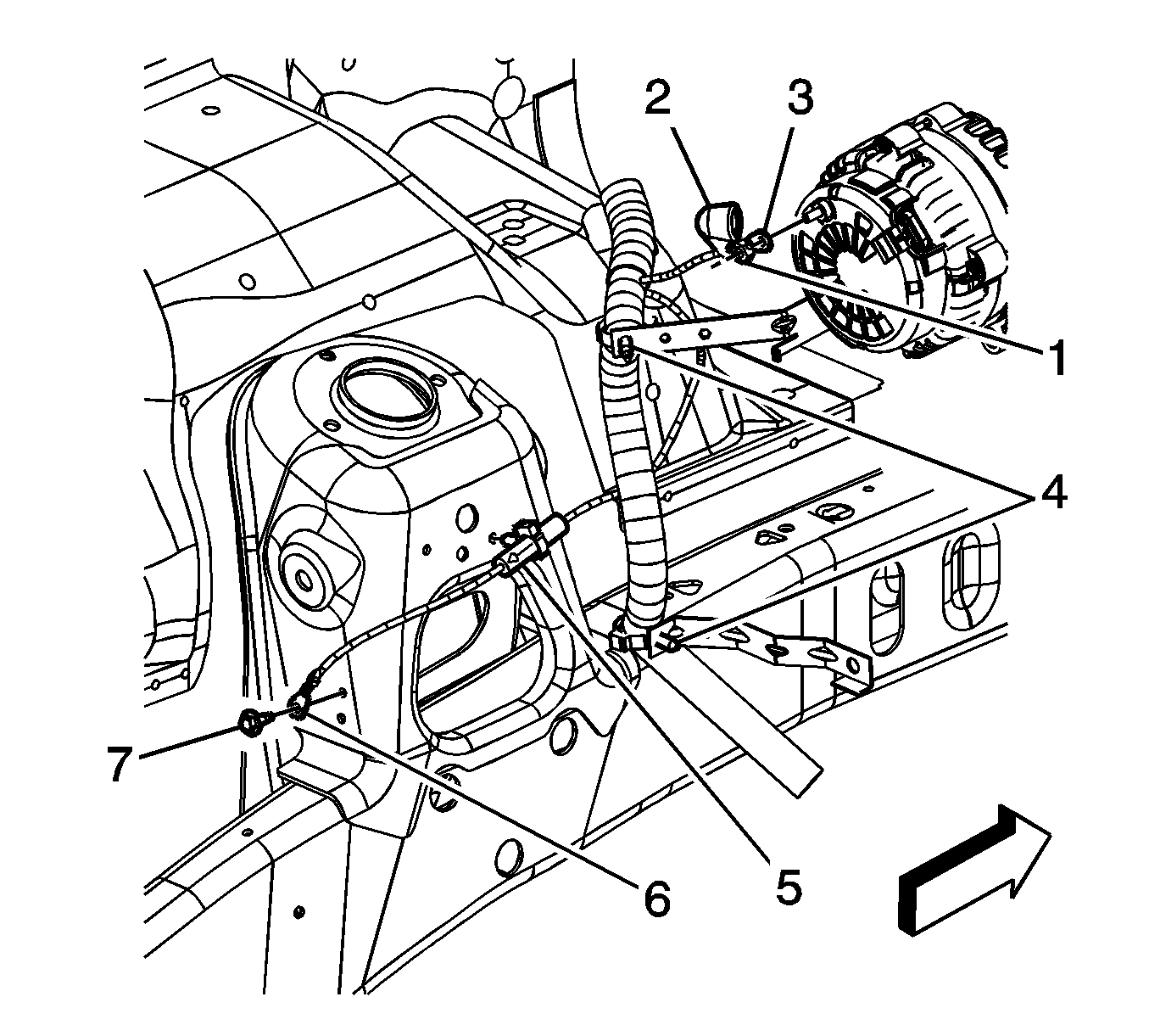
Tighten
Tighten the bolt to 12 N·m (106 lb in).
Tighten
Tighten the nut to 9 N·m (80 lb in).
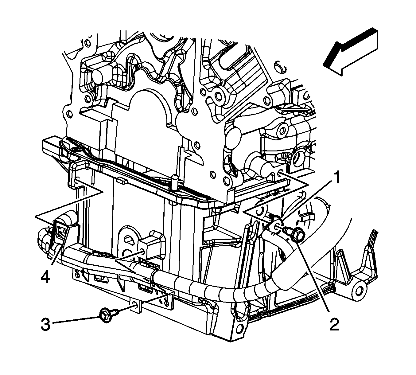
Tighten
Tighten the bolt to 10 N·m (89 lb in).
Tighten
Tighten the bolt to 15 N·m (11 lb ft).