GM Service Manual Online
For 1990-2009 cars only

Removal Procedure

Caution: A sudden release of pressure may cause personal injury or damage to the vehicle. The air suspension system is under pressure until the air supply lines are disconnected. Use the following precautions when servicing the air suspension system:

   • Wear gloves, ear protection, and eye protection.
   • Wrap a clean cloth around the air supply lines.

    Important: Remove the air suspension system fuse before working on the rear suspension components or the rear axle. Failure to remove the air suspension system fuse could cause the calibration of the air suspension leveling sensors to change and the air suspension system not to function properly.

  1. Remove the air suspension system fuse.
  2. Raise and support the vehicle. Refer to Lifting and Jacking the Vehicle .

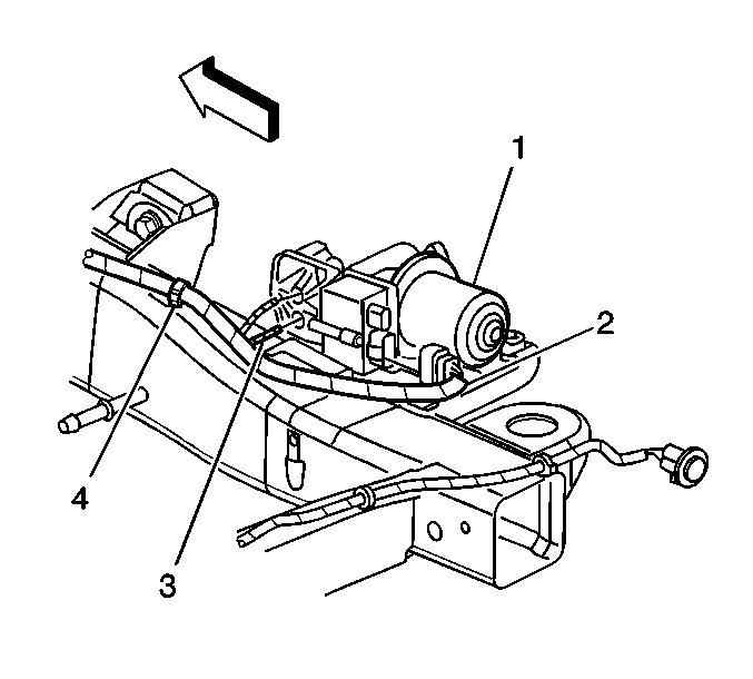
  3. Object Number: 731572  Size: SH
  4. Remove the air spring compressor to frame mounting bolts.
  5. Support the compressor.

  6. Object Number: 747618  Size: SH
  7. Disconnect the air lines (3) from the air compressor (1).
  8. Trim off the air line at the electrical harness with a sharp cutting tool. Leave the remaining air line in the wiring harness.

Installation Procedure

    Notice: Refer to Fastener Notice in the Preface section.


    Object Number: 747618  Size: SH

    Important: Ensure the color on the air supply lines match the color on the air spring compressor for reassembly.

  1. Install air line to the air compressor (1) using a new fitting.
  2. Tighten
    Tighten the air supply line fitting to 2.25 N·m (20 lb in).


    Object Number: 731572  Size: SH
  3. Install the air spring compressor to frame mounting bolts.
  4. Tighten
    Tighten the bolts to 20 N·m (15 lb ft).

  5. Install the air line to the air spring.
  6. Attach the air line to the outside of the wiring harness using wire ties.
  7. Lower the vehicle.
  8. Install the air suspension system fuse.
  9. Important: When the air springs are completely deflated, an additional ignition cycle may be required to allow the compressor to completely inflate the air springs.

  10. Start the vehicle and run for approximately 1 minute to ensure that the air spring leveling system is functioning properly.
  11. Inspect D-height. Refer to Trim Height Inspection .
  12. Inspect for leaks. If a leak is found at the air supply lines connections at the air spring compressor, replace the air supply lines. Refer to Air Suspension Air Line Replacement .