GM Service Manual Online
For 1990-2009 cars only
Makes
🢒
Saab
🢒
2007
🢒
9-7x
🢒
Body Systems
🢒
Horns
🢒 Horn Component Views
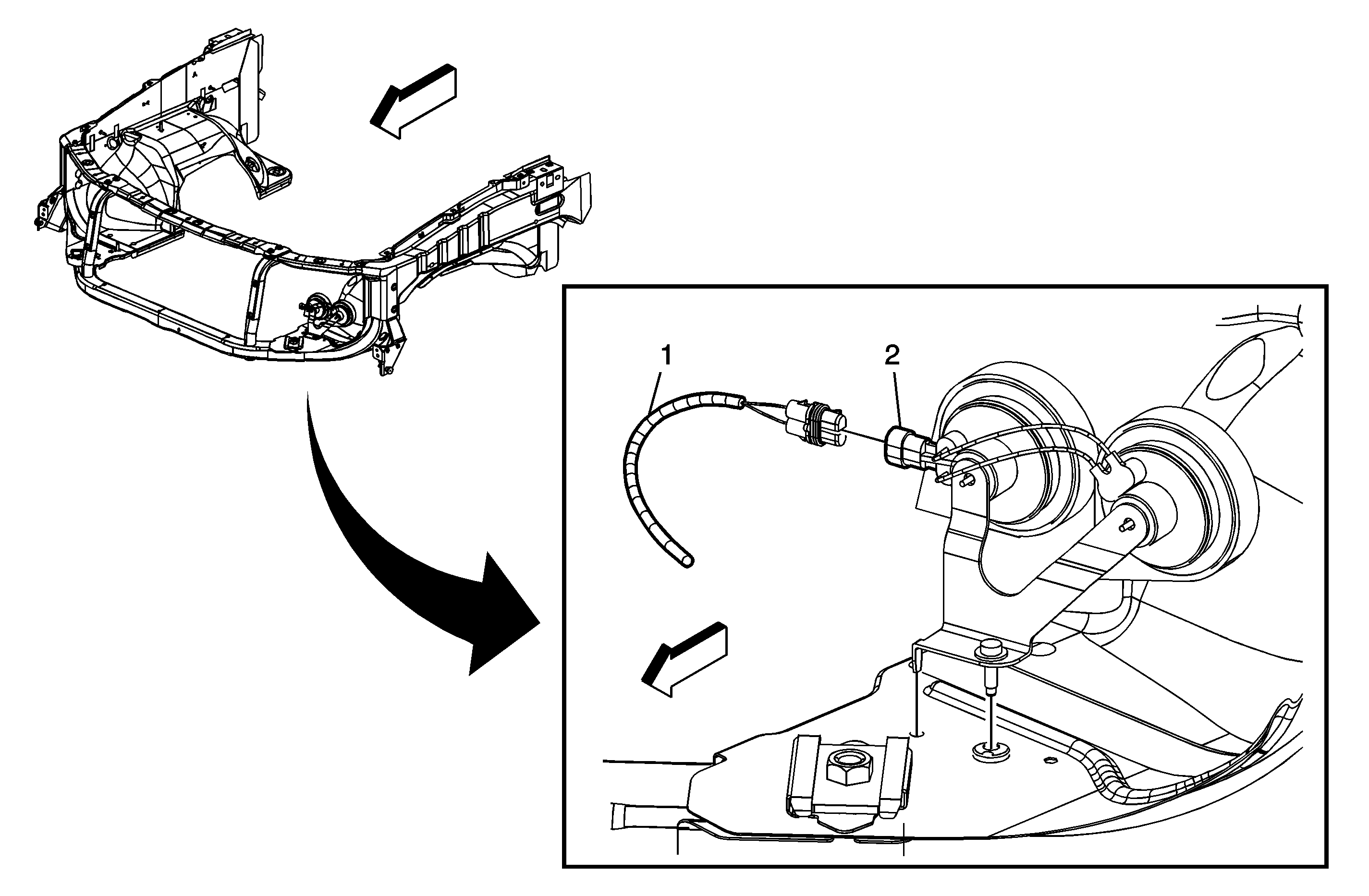
Figure
1:
Horn Assembly
(1)
I/P Harness
(2)
Horn Assembly
Figure
2:
Steering Wheel and Column
(1)
Steering Wheel Control Switch Assembly - Upper Left
(2)
Steering Wheel Control Switch Assembly - Upper Right
(3)
Horn Switch
(4)
C277
(5)
Turn Signal/Multifunction Switch