GM Service Manual Online
For 1990-2009 cars only
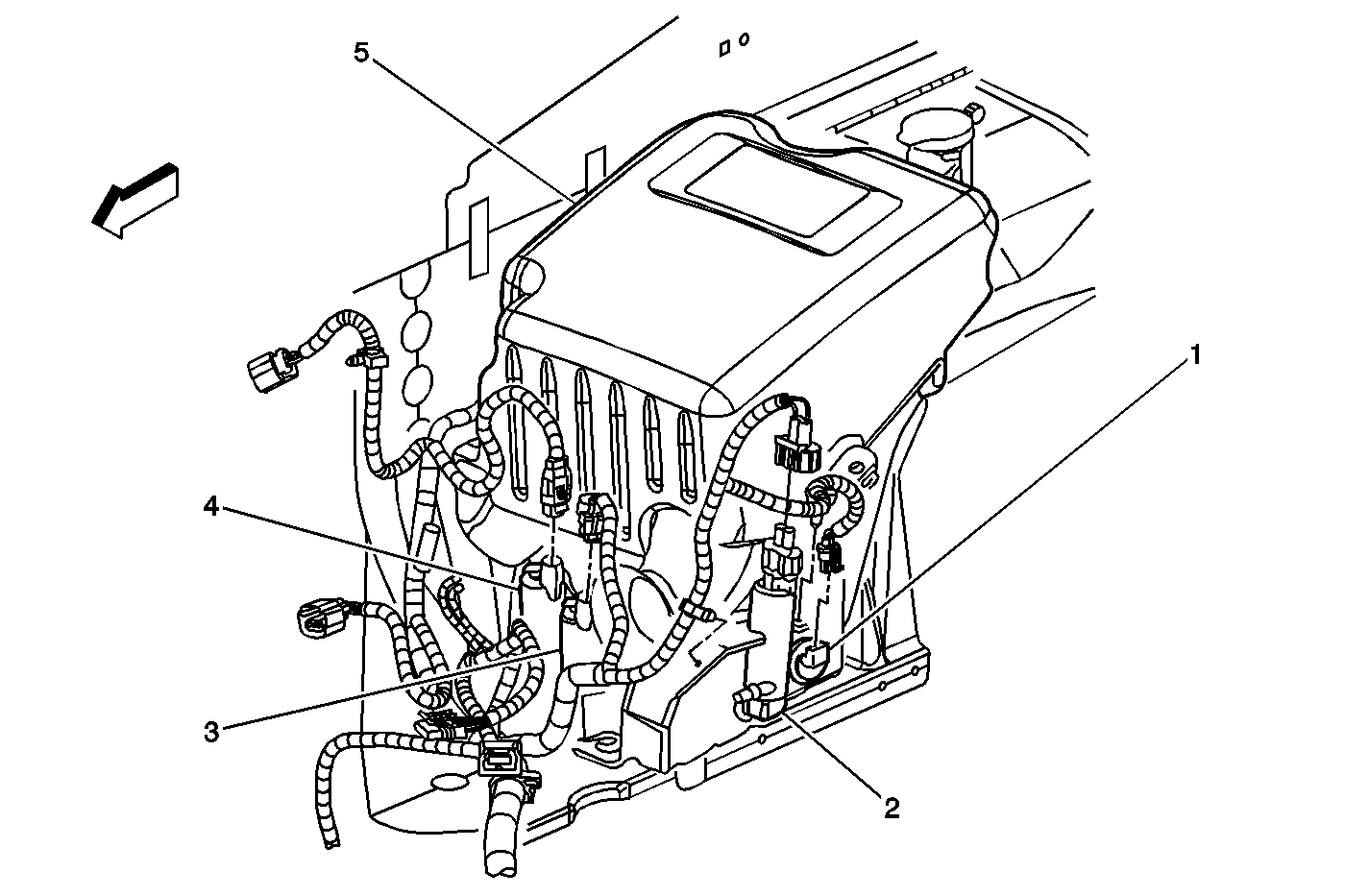
Figure 1:

Windshield Washer Fluid Reservoir


Object Number: 825601  Size: MF
(1)Windshield Washer Fluid Level Switch
(2)Headlamp Washer Fluid Pump (CE4)
(3)Windshield Washer Fluid Pump
(4)Rear Window Washer Fluid Pump
(5)Air Cleaner Housing
Figure 2:

Windshield Wiper Motor


Object Number: 750627  Size: MF
(1)Instrument Panel Harness
(2)Windshield Wiper Motor
Figure 3:

Instrument Panel


Object Number: 1560730  Size: MF
(1)Rear Window Wiper/Washer Switch
(2)I/P Dimmer Switch
(3)Interior Lamp Defeat Switch
(4)Instrument Panel Cluster (IPC)
(5)Driver Information Center (DIC) Switch
(6)Radio
(7)Inflatable Restraint I/P Module
(8)HVAC Control Module
Figure 4:

Steering Column


Object Number: 1559352  Size: MF
(1)Turn Signal/Multifunction Switch
(2)Windshield Wiper/Washer Switch
(3)C201
Figure 5:

Liftgate


Object Number: 1703425  Size: MF
(1)Rear Window Defogger Grid C2
(2)C905
(3)C900
(4)C904
(5)Rear Window Defogger Grid C1
(6)S901
(7)Liftglass Ajar Switch
(8)Liftgate Harness
(9)Liftgate Module (LGM)
(10)C901
(11)License Lamp Harness
(12)Liftgate Latch Assembly
(13)Rear Window Wiper Motor