GM Service Manual Online
For 1990-2009 cars only

Removal Procedure

  1. Remove the front seats. Refer to Front Seat Replacement - Bucket.
  2. Remove the rear seat cushions. Refer to Rear Seat Cushion Replacement.
  3. Remove the communication interface module. Refer to Communication Interface Module Replacement.
  4. Remove the navigation control processor bracket. Refer to Navigation Control Processor Bracket Replacement .
  5. Remove the seat back, left and right side. Refer to Rear Seat Number 1 Back Replacement.
  6. Remove the front bucket seats. Refer to Front Seat Replacement - Bucket.
  7. Remove the front door sill plates. Refer to Front Side Door Sill Plate Replacement .
  8. Remove the rear door sill plates. Refer to Rear Side Door Sill Plate Replacement .
  9. Remove the lift gate door sill plate. Refer to Liftgate Door Sill Plate Replacement .
  10. Remove the center pillar trim panels. Refer to Center Pillar Garnish Molding Replacement .
  11. Remove the lower rear quarter trim panels. Refer to Rear Quarter Trim Panel Replacement - Left Side or to Rear Quarter Trim Panel Replacement - Right Side .
  12. Remove the tool kit carrier.
  13. Remove the bussed electrical center junction block from the bussed electrical center base, and the bussed electrical center base from the floor panel studs. Refer to Rear Electrical Center or Junction Block Replacement.
  14. Remove the child restraint tether anchors. Refer to Child Restraint Tether Anchor Replacement - Rear No. 1.
  15. Remove the bussed electrical center base and communication interface module electrical connectors through the pass through holes in the carpet.
  16. Remove the floor console to the floor console carrier. Refer to Console Replacement.

  17. Object Number: 741605  Size: SH
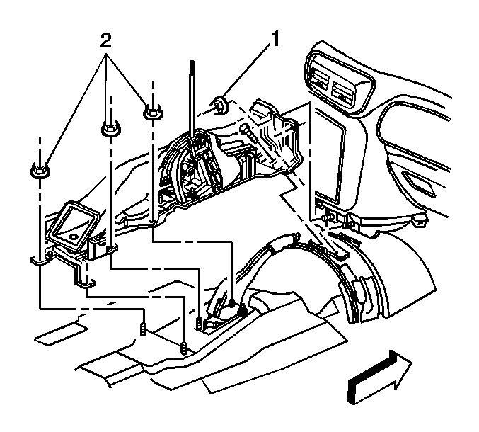
  18. Remove the four nuts retaining the rear of the floor console bracket to the floor weld studs.
  19. Raise the rear portion of the floor console bracket and remove the carpet from underneath the console bracket.

  20. Object Number: 739850  Size: SH
  21. Remove the carpet from the vehicle.

Installation Procedure


    Object Number: 739850  Size: SH

    Caution: In order to avoid personal injury or vehicle damage when you repair or replace the carpet, use the same thickness and material size as the original installation. Always return the carpet to the original location.

  1. Position the carpet to the floor panel.

  2. Object Number: 741605  Size: SH
  3. Raise the rear portion of the floor console bracket and slide the carpet underneath the console bracket.
  4. Position the rear carpet over the edge of the front carpet.
  5. Align the holes in the carpet to the seat studs on the floor panel.
  6. Notice: Use the correct fastener in the correct location. Replacement fasteners must be the correct part number for that application. Fasteners requiring replacement or fasteners requiring the use of thread locking compound or sealant are identified in the service procedure. Do not use paints, lubricants, or corrosion inhibitors on fasteners or fastener joint surfaces unless specified. These coatings affect fastener torque and joint clamping force and may damage the fastener. Use the correct tightening sequence and specifications when installing fasteners in order to avoid damage to parts and systems.

  7. Install the four nuts retaining the rear of the floor console bracket to the floor weld studs.
  8. Tighten
    Tighten the nuts to 25 N·m (18 lb ft).

  9. Feed the bussed electrical center base and the communication interface module electrical connectors through the pass through holes in the carpet.
  10. Install the floor console Refer to Console Replacement.
  11. Install the child restraint tether anchors. Refer to Child Restraint Tether Anchor Replacement - Rear No. 1.
  12. Install the bussed electrical center. Refer to Rear Electrical Center or Junction Block Replacement.
  13. Install the tool kit carrier.
  14. Install the 3 tool carrier nuts to the floor studs.
  15. Tighten
    Tighten the nuts to 7 N·m (62 lb in).

  16. Install the lower rear quarter trim panels. Refer to Rear Quarter Trim Panel Replacement - Left Side or to Rear Quarter Trim Panel Replacement - Right Side .
  17. Install the center pillar trim panels. Refer to Center Pillar Garnish Molding Replacement .
  18. Install the lift gate door sill plate. Refer to Liftgate Door Sill Plate Replacement .
  19. Install the rear door sill plates. Refer to Rear Side Door Sill Plate Replacement .
  20. Install the front door sill plates. Refer to Front Side Door Sill Plate Replacement .
  21. Install the front bucket seats. Refer to Front Seat Replacement - Bucket.
  22. Instal the seat back, right and left side. Refer to Rear Seat Number 1 Back Replacement.
  23. Install the navigation control processor bracket to the floor panel. Refer to Navigation Control Processor Bracket Replacement.
  24. Install the rear seat cushions. Refer to Rear Seat Cushion Replacement.
  25. Install the communication interface module. Refer to Communication Interface Module Replacement.
  26. Install the front seats. Refer to Front Seat Replacement - Bucket.