GM Service Manual Online
For 1990-2009 cars only

Removal Procedure

  1. Remove the instrument panel (I/P) trim pad. Refer to Instrument Panel Upper Trim Pad Replacement.

  2. Object Number: 735924  Size: SH
  3. Remove the retaining screw (4) from the side window defroster duct (3).
  4. Remove the passenger side window defroster duct.
  5. Remove the air distribution duct.

  6. Object Number: 735928  Size: SH
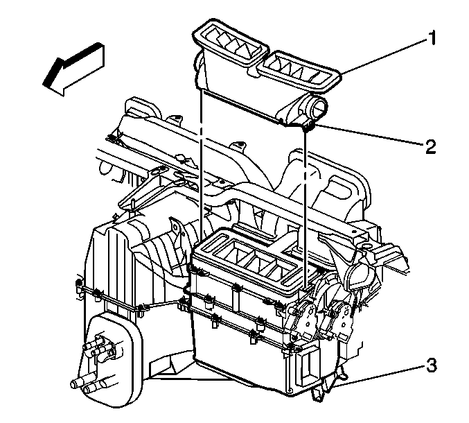
  7. Release locking tabs (2) from the defroster duct (1).
  8. Remove the defroster duct (1).

Installation Procedure


    Object Number: 735928  Size: SH
  1. Install the defroster duct.
  2. Insert defroster duct into retaining slots.
  3. Notice: Refer to Fastener Notice in the Preface section.


    Object Number: 735924  Size: SH
  4. Install the retaining screw (4) to the passenger side window defroster duct (3).
  5. Tighten
    Tighten the nut to 2 N·m (18 lb in).

  6. Install the I/P assembly. Refer to Instrument Panel Carrier Replacement.