GM Service Manual Online
For 1990-2009 cars only
Makes
🢒
Saab
🢒
2007
🢒
9-7x
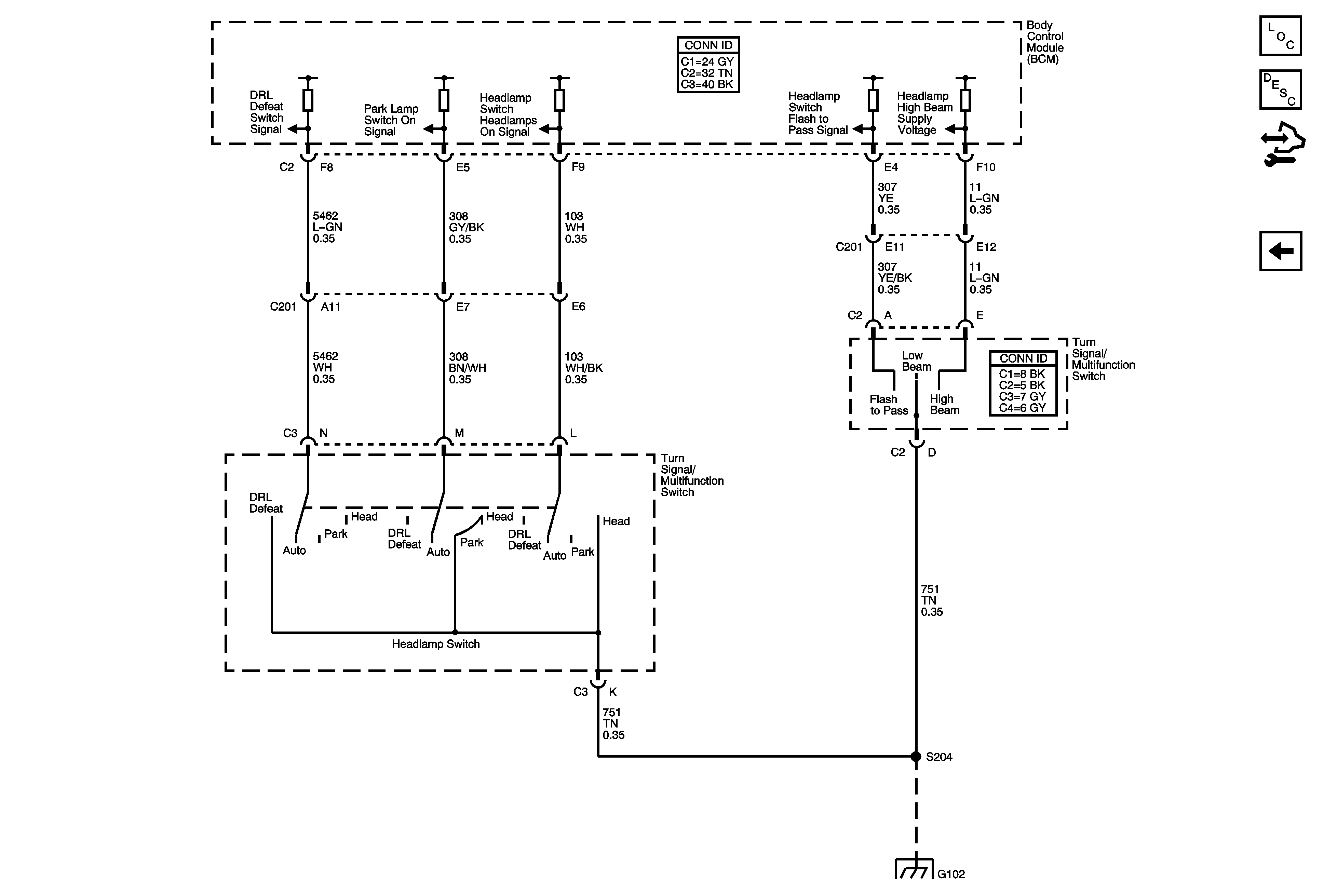
🢒 Headlamp Switch
Headlamp Switch
Headlamp Switch
Master Electrical Component List
Exterior Lighting Systems Description and Operation
Control Module References
Headlamps (w/TT6)
G102