GM Service Manual Online
For 1990-2009 cars only
Makes
🢒
Saab
🢒
2007
🢒
9-7x
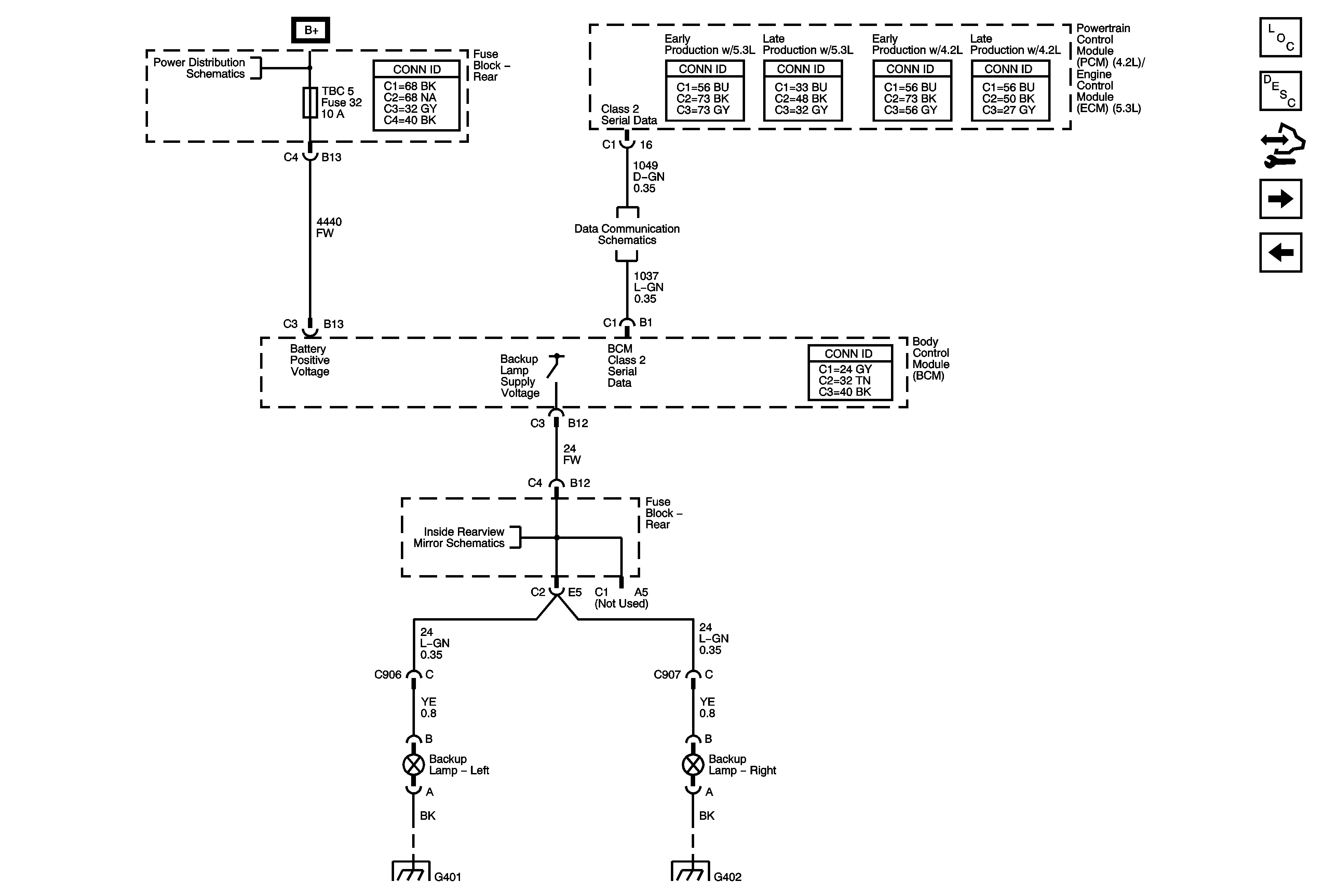
🢒 Backup Lamps
Backup Lamps
Backup Lamps
Master Electrical Component List
Exterior Lighting Systems Description and Operation
Control Module References
Trailer Wiring
Right Turn Signals
B+ BUS - Rear Fuse Block
SP205
07 9-7x (VIN S/T) Inside Rearview Mirror Schematics
G401, G402, and G403
G401, G402, and G403