GM Service Manual Online
For 1990-2009 cars only
Makes
🢒
Saab
🢒
2007
🢒
9-7x
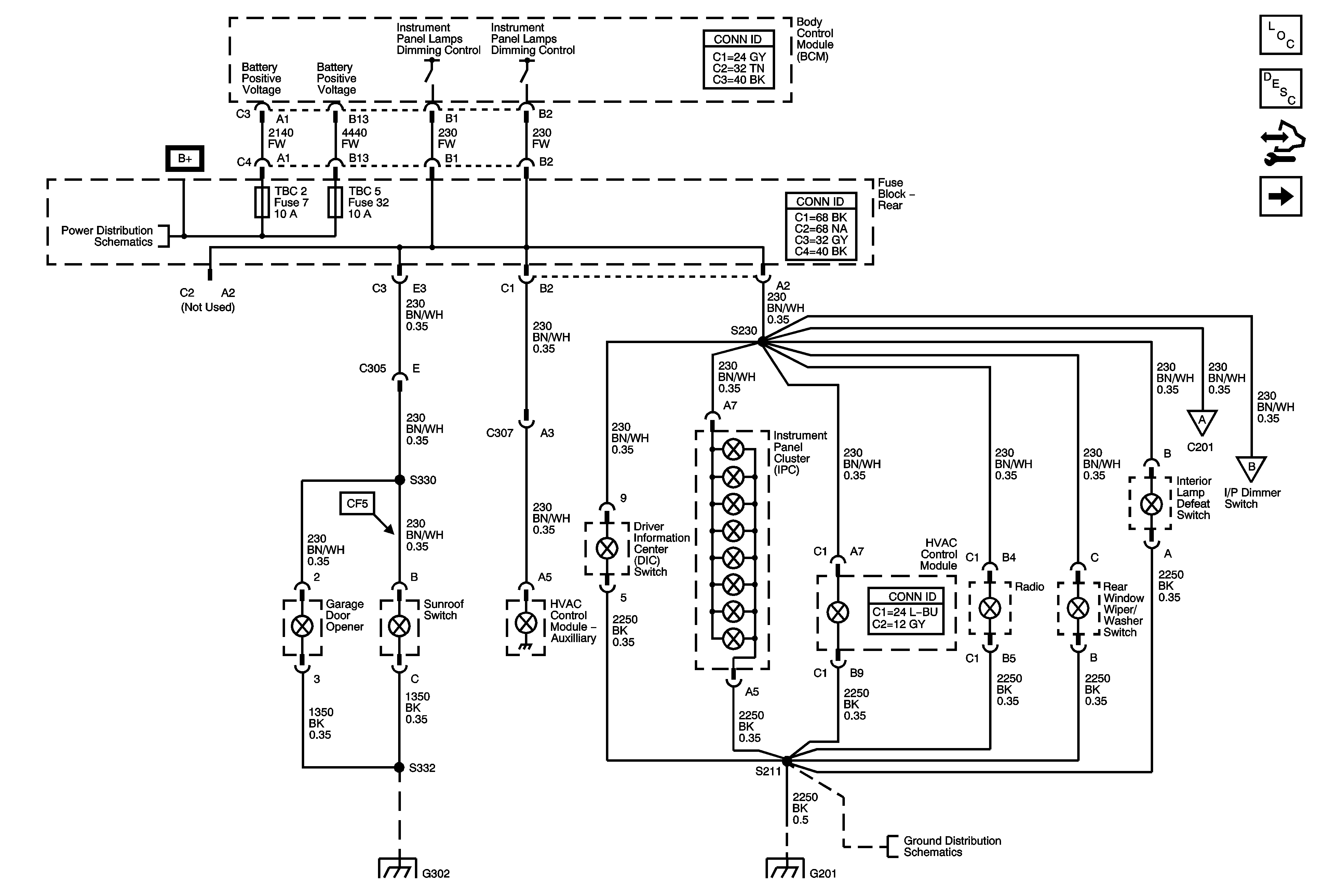
🢒 I/P Dimming Supply - 1 of 2
I/P Dimming Supply - 1 of 2
I/P Dimming Supply - 1 of 2
Master Electrical Component List
Interior Lighting Systems Description and Operation
Control Module References
I/P Dimming Supply - 2 of 2
B+ BUS - Rear Fuse Block
I/P Dimming Supply - 2 of 2
I/P Dimming Supply - 2 of 2
G201 - 2 of 2, and G305
G302 - 2 of 2, and G306
G201 - 1 of 2