GM Service Manual Online
For 1990-2009 cars only

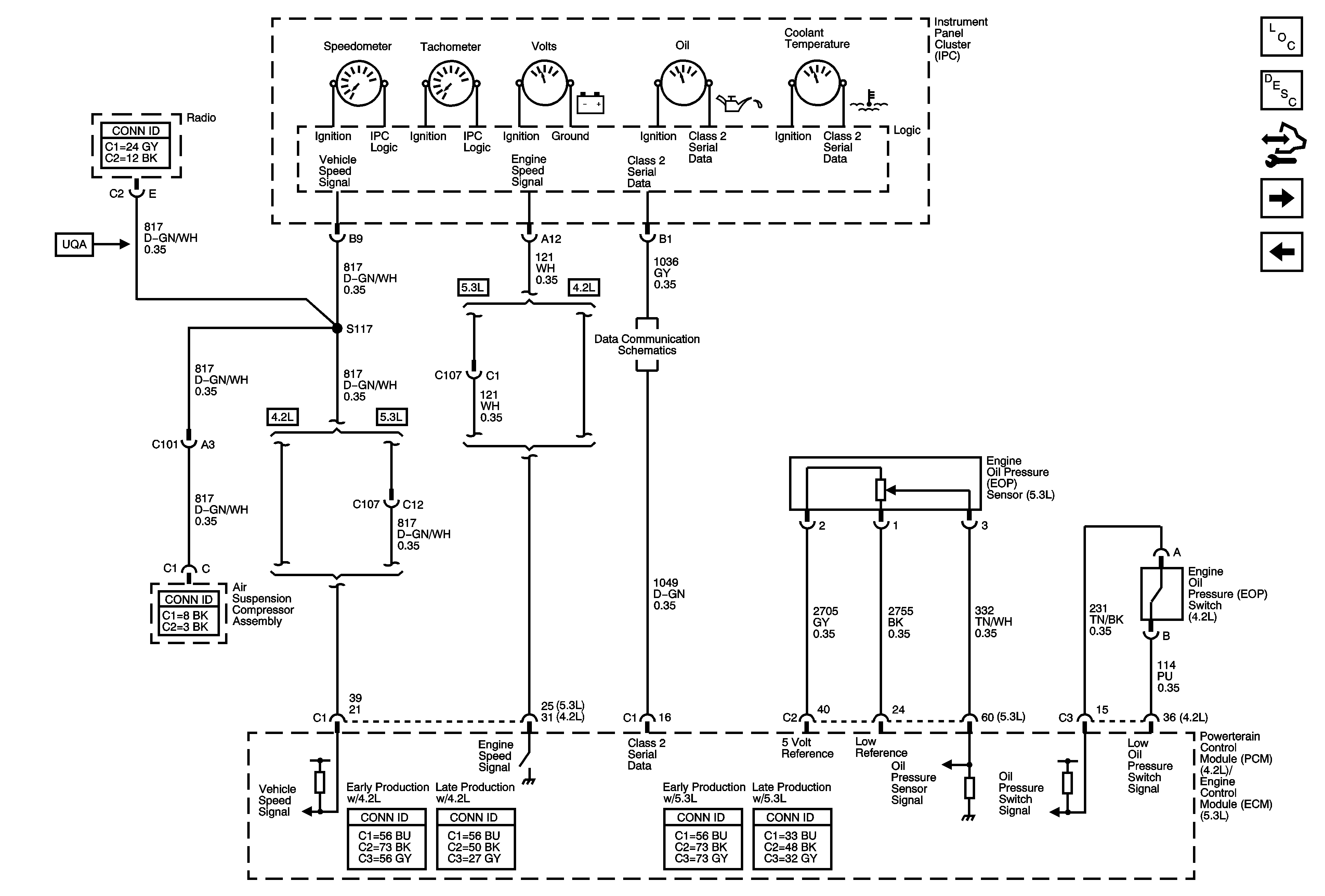
Gages

Gages


Object Number: 1749004  Size: FS
Master Electrical Component List
Indicator/Warning Message Description and Operation
Control Module References
Indicators
Power, Ground, Serial Data, and MIL
SP205