GM Service Manual Online
For 1990-2009 cars only
Makes
🢒
Saab
🢒
2007
🢒
9-7x
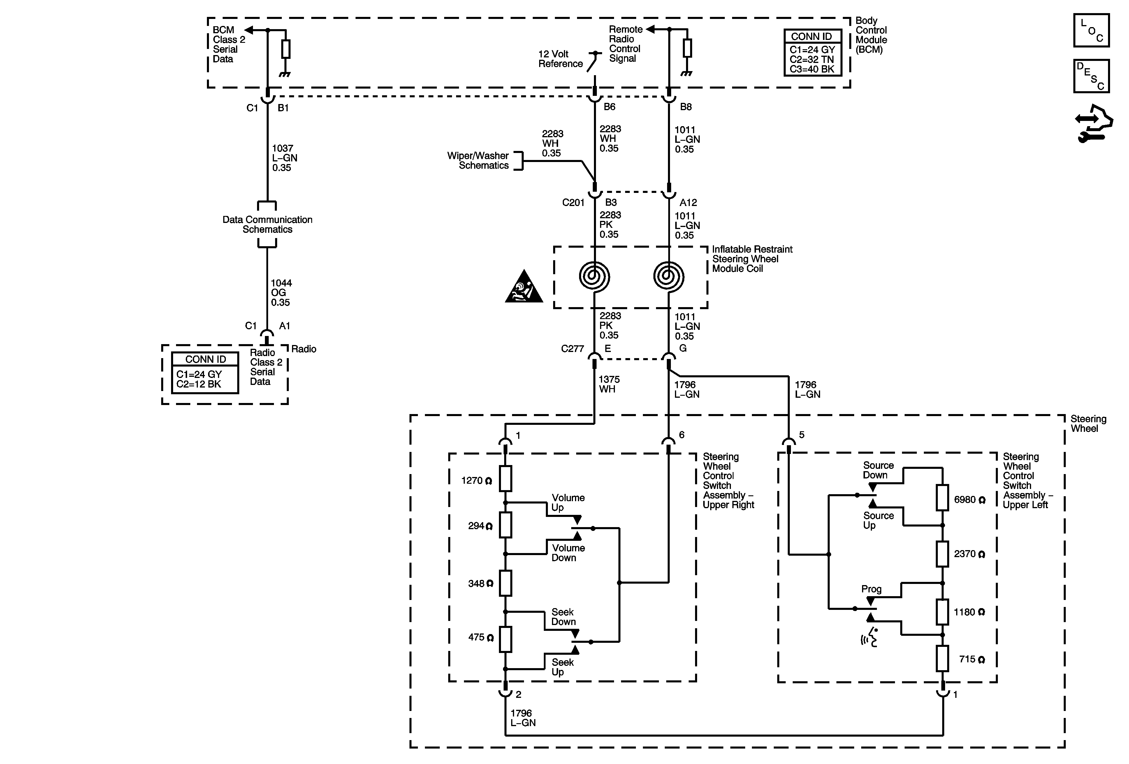
🢒 Steering Wheel Secondary/Configurable Control Schematics
Steering Wheel Secondary/Configurable Control Schematics
Master Electrical Component List
Steering Wheel Controls Description and Operation
Control Module References
SP205
Rear Wiper/Washer Controls
Secondary/Configurable Control Schematic Icons