GM Service Manual Online
For 1990-2009 cars only
Makes
🢒
Saab
🢒
2007
🢒
9-7x
🢒 Engine Data Sensors - Throttle Actuator Controls
Engine Data Sensors - Throttle Actuator Controls
Engine Data Sensors - Throttle Actuator Controls
Master Electrical Component List
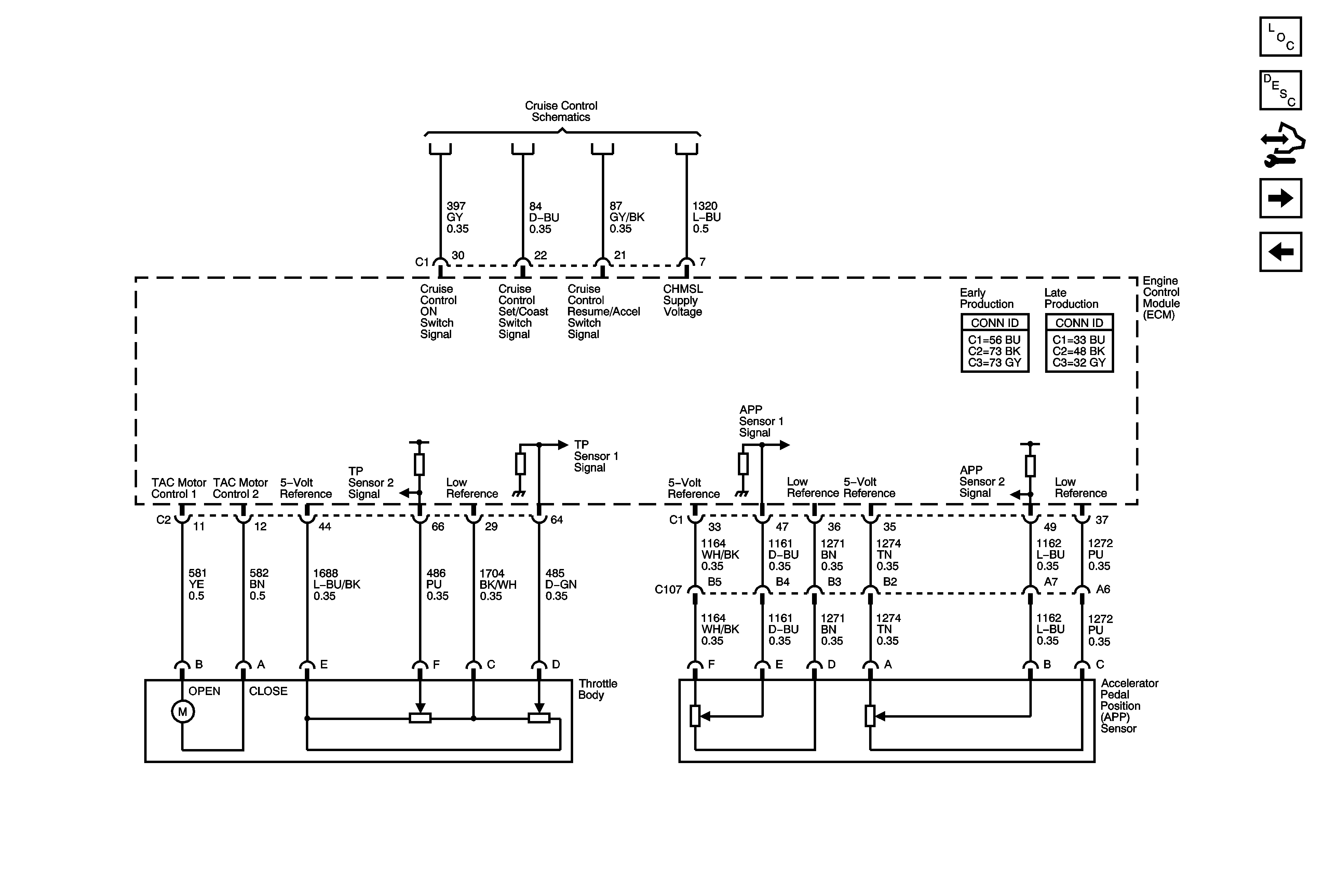
Throttle Actuator Control (TAC) System Description
Control Module References
Ignition Controls - Ignition System Coils 1, 3, 5, and 7
Engine Data Sensors - Oxygen Sensors
5.3L