GM Service Manual Online
For 1990-2009 cars only
Makes
🢒
Saab
🢒
2007
🢒
9-7x
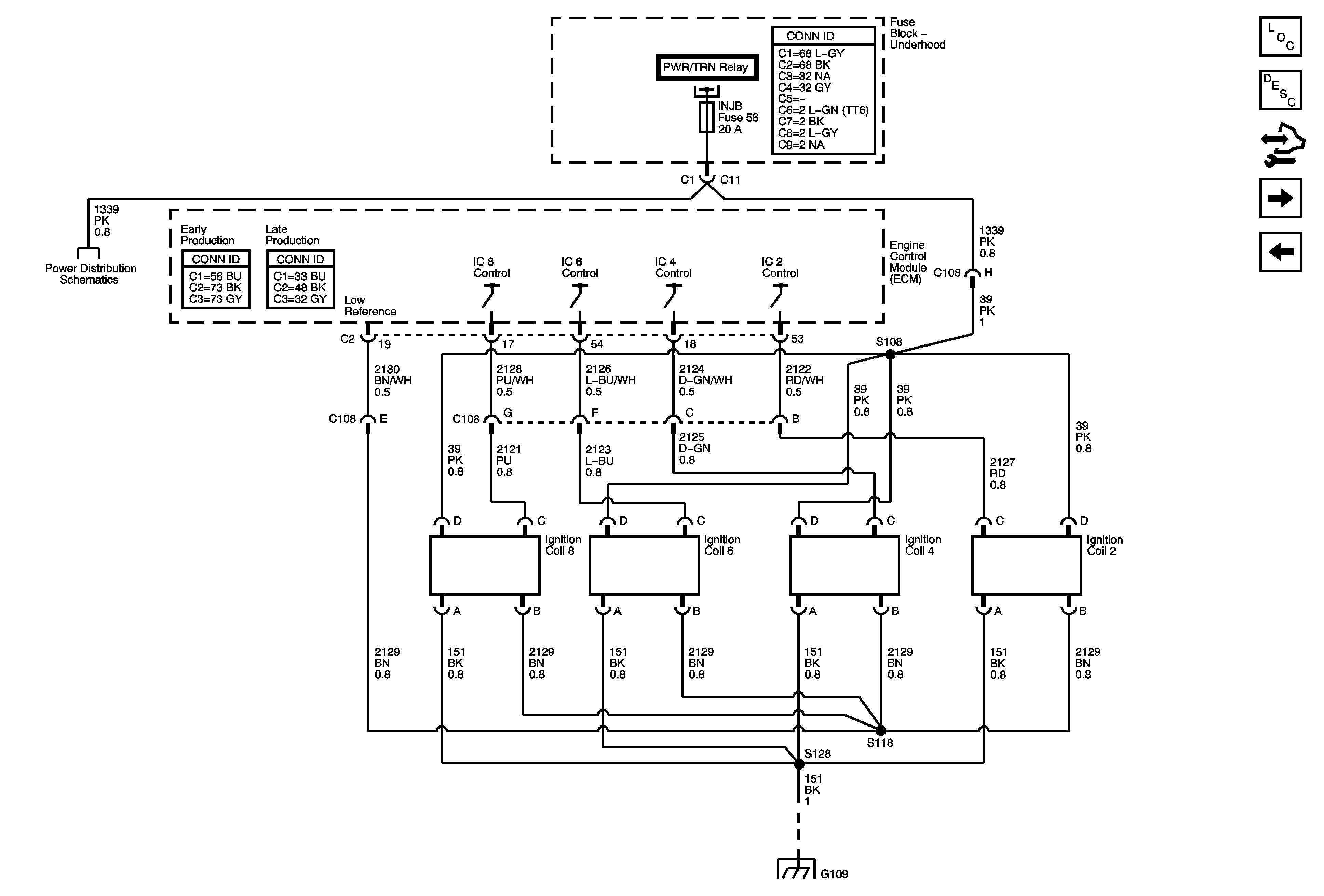
🢒 Ignition Controls - Ignition System Coils 2, 4, 6, and 8
Ignition Controls - Ignition System Coils 2, 4, 6, and 8
Ignition Controls - Ignition System Coils 2, 4, 6, and 8
Master Electrical Component List
Engine Control Module Description
Control Module References
Ignition Controls - Sensors and DOD Controls
Ignition Controls - Ignition System Coils 1, 3, 5, and 7
ENG I, ETC, INJA, INJB, O2 SNSR A, and O2 SNSR B Fuses - 5.3L
Fuse Block - Underhood - PWR/TRN Relay - 1 of 2
G109