GM Service Manual Online
For 1990-2009 cars only

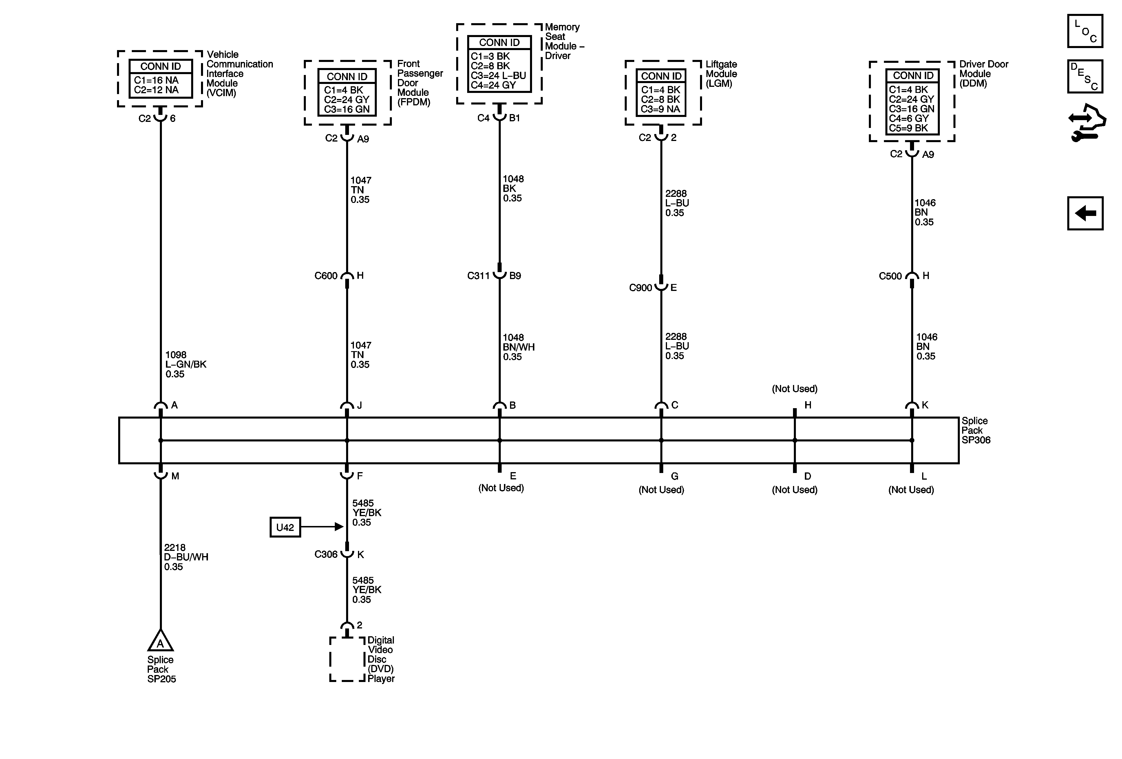
SP306

SP306


Object Number: 1749146  Size: FS
Master Electrical Component List
Data Link Communications Description and Operation
Control Module References
SP205
SP205