GM Service Manual Online
For 1990-2009 cars only
Makes
🢒
Saab
🢒
2007
🢒
9-7x
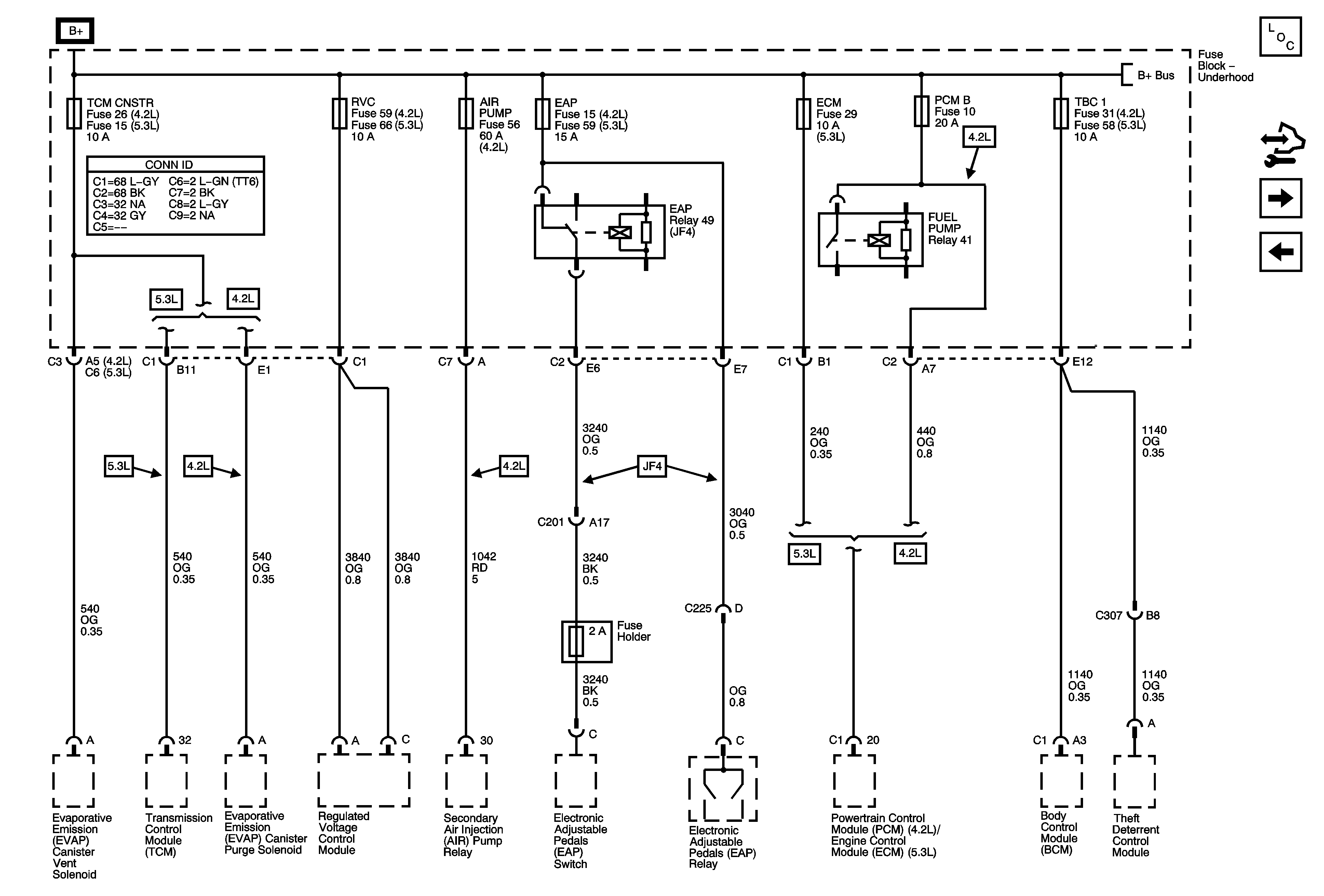
🢒 AIR PUMP, EAP, ECM, PCM B, TBC I, and TCM CNSTR Fuses
AIR PUMP, EAP, ECM, PCM B, TBC I, and TCM CNSTR Fuses
EAP, ECM, PCM B, TBC I, and TCM CNSTR Fuses
Master Electrical Component List
Control Module References
HVAC B, LGM/DSM, OH BATT/ONSTAR, and RADIO Fuses
ABS, ATC, BLWR ECAS, ELEC BRK, HAZRD, IPC/DIC, LTR, STOP LAMP, TRLR, VEH CHMSL, VEH STOP, and VSES Fuses
B+ BUS - Underhood Fuse Block - 1 of 2