GM Service Manual Online
For 1990-2009 cars only

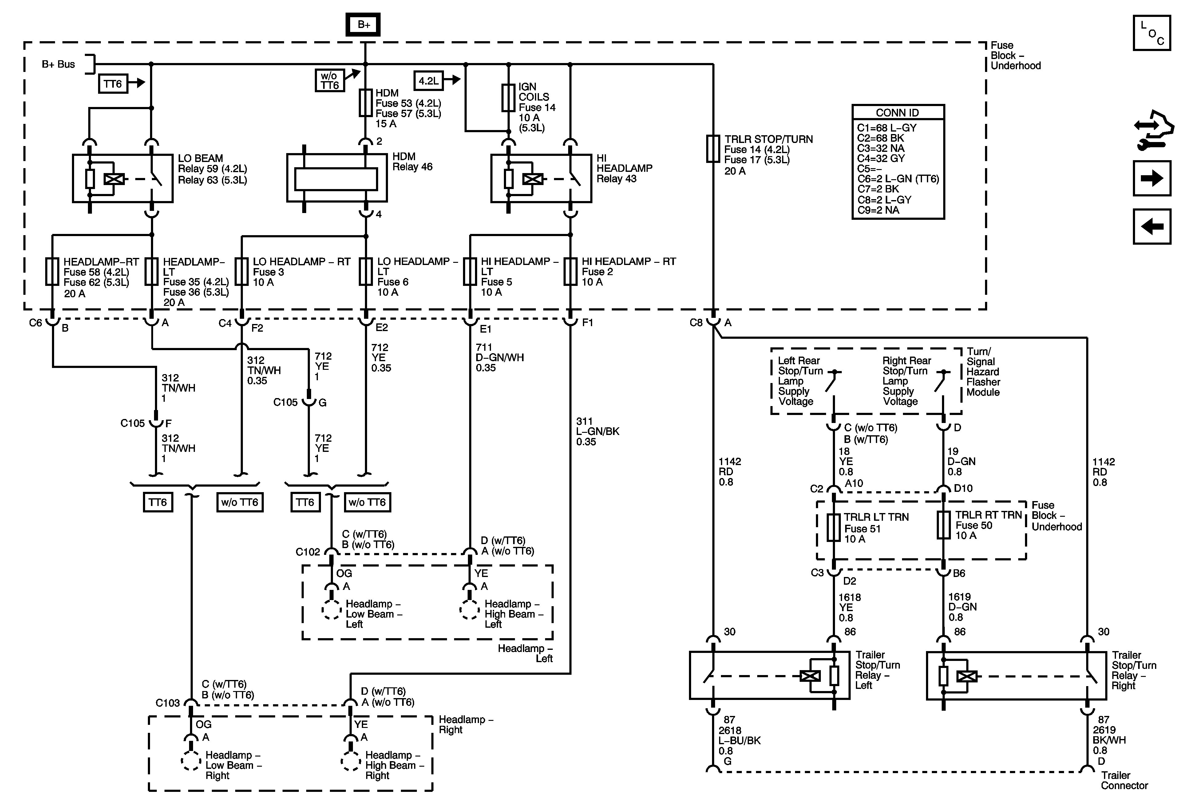
HDM, HEADLAMP-LT, HEADLAMP-RT, HI HEADLAMP-LT, HI HEADLAMP-RT, IGN COILS, LO HEADLAMP-LT, LO HEADLAMP-RT, TRLR LT TRN, TRLR RT TRN, and TRLR STOP/TURN Fuses

HDM, HEADLAMP - LT, HEADLAMP - RT, HI HEADLAMP - LT, HI HEADLAMP - RT, IGN COILS, LO HEADLAMP - LT, LO HEADLAMP - RT, TRLR LT TRN, TRLR RT TRN, and TRLR STOP/TURN


Object Number: 1749188  Size: FS
Master Electrical Component List
Control Module References
FL TRN, FR TRN, RL TRN, and RR TRN Fuses
4WD, BRK, FRT WPR, HVAC I, IGN 0, and TCM Fuses
B+ BUS - Underhood Fuse Block - 1 of 2