GM Service Manual Online
For 1990-2009 cars only
Makes
🢒
Saab
🢒
2007
🢒
9-7x
🢒 Sunroof Schematics
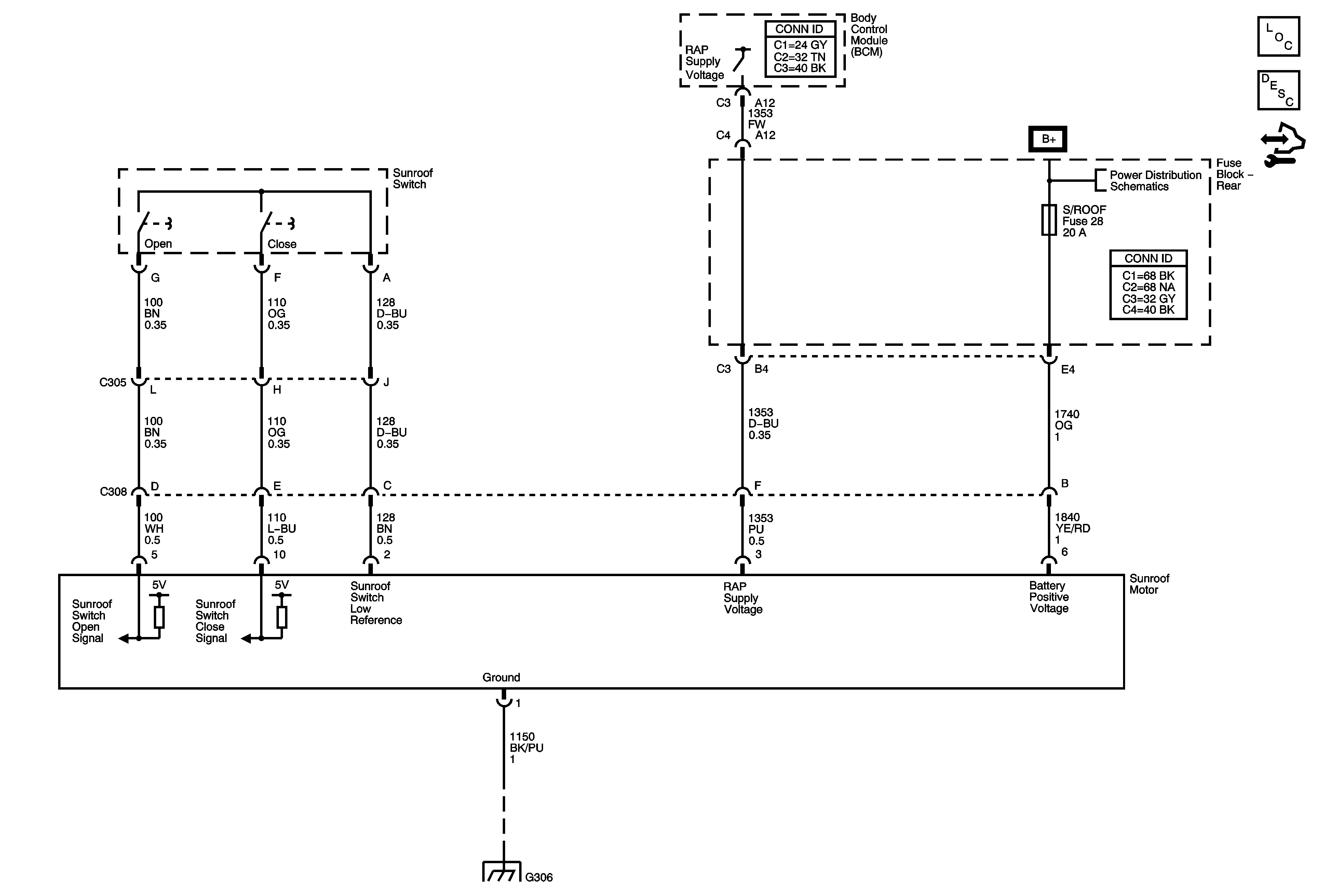
Sunroof Schematics
Master Electrical Component List
Sunroof Description and Operation
Control Module References
B+ BUS - Rear Fuse Block
G302 - 2 of 2, and G306