GM Service Manual Online
For 1990-2009 cars only

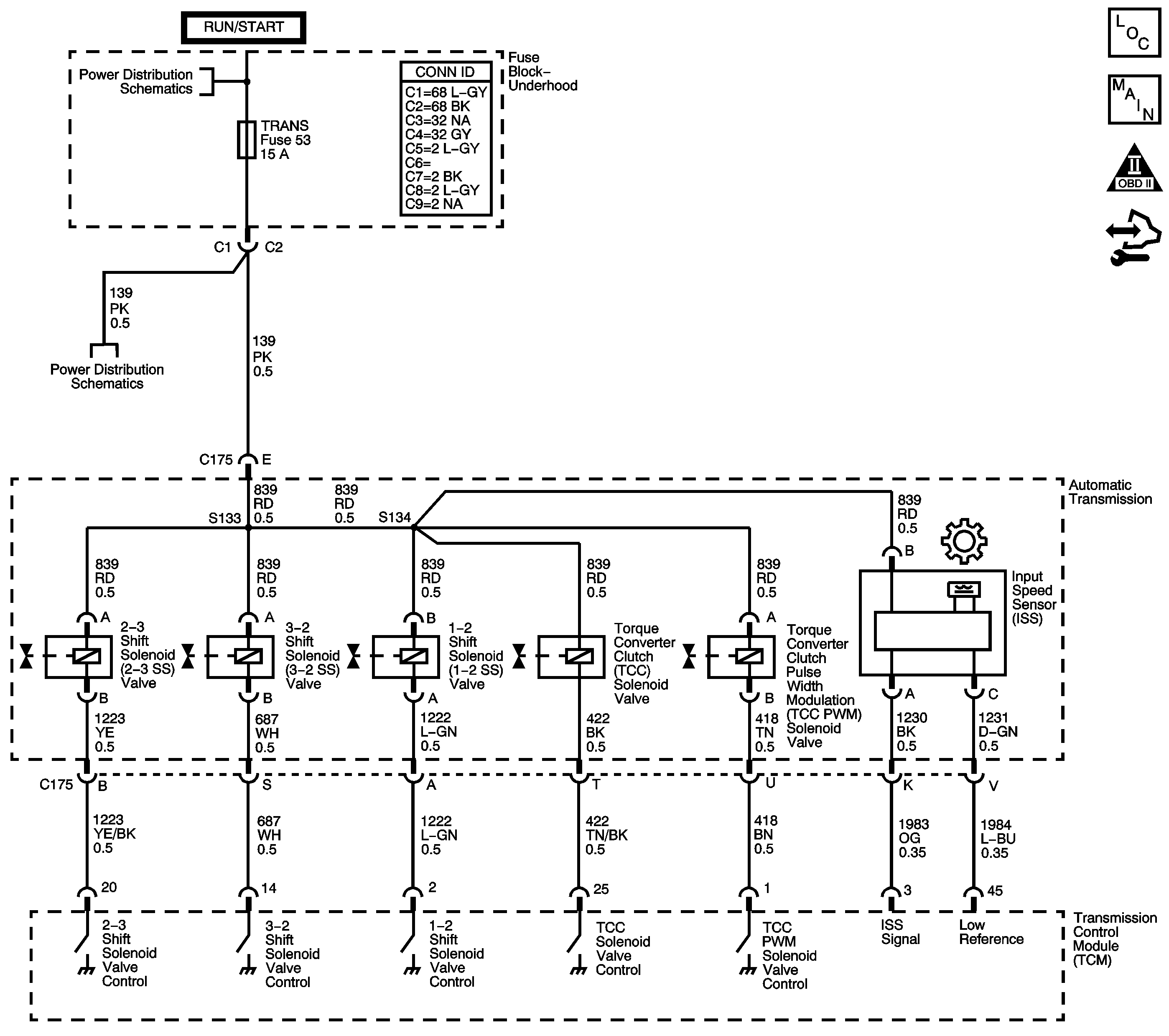
DTC P2769 5.3L


Object Number: 1817091  Size: LF
Master Electrical Component List
Automatic Transmission Controls Schematics (5.3L)
OBD II Symbol Description Notice
Control Module References

Circuit Description

The torque converter clutch (TCC) solenoid valve is an electrical device that is used with the torque converter clutch pulse width modulation (TCC PWM) solenoid valve in order to control TCC apply and release. The TCC solenoid valve attaches to the transmission case assembly extending into the pump cover. The TCC solenoid valve receives voltage through the ignition voltage circuit. The transmission control module (TCM) controls the solenoid by providing the ground path on the TCC solenoid valve control circuit. The TCM monitors the throttle position (TP) voltage, the vehicle speed and other inputs in order to determine when to energize the TCC solenoid valve.

When the TCM detects a continuous open or short to ground in the TCC solenoid valve control circuit, then DTC P2769 sets. DTC P2769 is a type B DTC.

DTC Descriptor

This diagnostic procedure supports the following DTC:

DTC P2769 Torque Converter Clutch (TCC) Enable Solenoid Control Circuit Low Voltage

Conditions for Running the DTC

    • The system voltage is 8-18 volts.
    • The engine speed is 475 RPM for 5 seconds.

Conditions for Setting the DTC

DTC P2769 sets when either of the following conditions occurs for 5 seconds:

    • The TCM detects an open in the TCC solenoid valve circuit when the TCC is commanded ON.
    • The TCM detects a short to ground in the TCC shift solenoid valve circuit when the TCC is commanded ON.

Action Taken When the DTC Sets

    • The TCM requests the ECM to illuminate the malfunction indicator lamp (MIL) during the second consecutive trip in which the Conditions for Setting the DTC are met.
    • The TCM inhibits TCC engagement.
    • The TCM inhibits 4th gear if in hot mode.
    • The TCM freezes transmission adaptive functions.
    • At the time of the first failure, the TCM records the operating conditions when the Conditions for Setting the DTC are met. The TCM stores this information as a Failure Record.
    • At the time of the second failure, the ECM records the operating conditions when the Conditions for Setting the DTC are met. The ECM stores this information as a Freeze Frame.
    • The TCM stores DTC P2769 in TCM history during the second consecutive trip in which the Conditions for Setting the DTC are met.

Conditions for Clearing the DTC

    • The ECM turns OFF the MIL after the third consecutive drive trip in which the TCM does not send a MIL illumination request.
    • A scan tool can clear the DTC.
    • The TCM clears the DTC from TCM history if the vehicle completes 40 warm-up cycles without a non-emission related diagnostic fault occurring.
    • The TCM cancels the default actions when the ignition is OFF long enough in order to power down the TCM.

Diagnostic Aids

With the TCC engaged, the TCC slip speed should be -20 to +40 RPM.

Test Description

The numbers below refer to the step numbers on the diagnostic table.

  1. This step tests for voltage to the solenoid.

  2. This step tests the ability of the TCM and wiring to control the ground circuit.

  3. This step tests the resistance of the TCC solenoid valve and the automatic transmission (AT) wiring harness.

DTC P2769 (5.3L)

Step

Action

Values

Yes

No

1

Did you perform the Diagnostic System Check - Vehicle?

--

Go to Step 2

Go to Diagnostic System Check - Vehicle

2

  1. Install a scan tool.
  2. Turn ON the ignition, with the engine OFF.
  3. Important: Before clearing the DTC, use the scan tool in order to record the Freeze Frame and Failure Records. Using the Clear Info function erases the Freeze Frame and Failure Records from the transmission control module (TCM).

  4. Record the DTC Freeze Frame and Failure Records.
  5. Clear the DTC.

Are any of the following DTCs also set?

    • P0787
    • P0973
    • P0976
    • P2764

--

Go to Step 3

Go to Step 4

3

Inspect the ignition voltage supply fuse for an open.

Refer to Circuit Protection - Fuses .

Is the fuse open?

--

Go to Step 9

Go to Step 4

4

  1. Turn OFF the ignition.
  2. Disconnect the AT inline 20-way connector, additional DTCs may set.
  3. Install the J 44152 Jumper Harness (20 pins) on the engine side of the AT inline 20-way connector.
  4. Turn ON the ignition, with the engine OFF.
  5. Using the J 35616 GM Terminal Test Kit, connect a test lamp from the TCC solenoid valve ignition voltage circuit of the J 44152 jumper to ground.

Refer to Automatic Transmission Inline 20-Way Connector End View .

Does the test lamp illuminate?

--

Go to Step 5

Go to Step 12

5

  1. Connect the test lamp from the TCC solenoid valve ignition voltage and signal circuits of the J 44152 jumper.
  2. Refer to Automatic Transmission Inline 20-Way Connector End View .

  3. Use the scan tool in order to command the TCC solenoid valve ON and OFF three times.

Does the test lamp turn ON and OFF with each command?

--

Go to Step 7

Go to Step 6

6

Is the test lamp always ON?

--

Go to Step 13

Go to Step 14

7

  1. Install the J 44152 on the transmission side of the AT inline 20-way connector.
  2. Using the DMM and the J 35616 , measure the resistance between the TCC solenoid valve ignition voltage and signal circuits of the J 44152 .
  3. Refer to Testing for Continuity .

Refer to Automatic Transmission Inline 20-Way Connector End View .

Does the resistance measure within the specified range?

21-33 ohms

Go to Step 8

Go to Step 15

8

  1. Measure the resistance from the TCC solenoid valve ignition voltage circuit of the J 44152 to ground.
  2. Measure the resistance from the TCC solenoid valve signal circuit of the J 44152 to ground.

Refer to Testing for Continuity .

Do both readings measure greater than the specified value?

250 K ohms

Go to Testing for Intermittent Conditions and Poor Connections

Go to Step 15

9

Important: The condition that affects this circuit may exist in other connecting branches of the circuit. Refer to Power Distribution Schematics for complete circuit distribution.

Test the ignition circuit of the TCC solenoid valve for a short to ground between the fuse block - underhood and the AT inline 20-way connector.

Refer to Testing for Short to Ground and Wiring Repairs .

Did you find and correct the condition?

--

Go to Step 17

Go to Step 10

10

Important: The condition that affects this circuit may exist in other connecting branches of the circuit. Refer to Power Distribution Schematics for complete circuit distribution.

Test the ignition circuit of the TCC solenoid valve for a short to ground between the AT inline 20-way connector and the TCC solenoid valve.

Refer to Testing for Short to Ground .

Did you find a short to ground condition?

--

Go to Step 15

Go to Step 11

11

  1. Test each solenoid for a short to ground.
  2. Replace the faulty solenoid as necessary.

Did you complete the replacement?

--

Go to Step 17

--

12

Important: The condition that affects this circuit may exist in other connecting branches of the circuit. Refer to Power Distribution Schematics for complete circuit distribution.

Test the ignition voltage circuit of the TCC solenoid valve for an open.

Refer to Testing for Continuity and Wiring Repairs .

Did you find and correct the condition?

--

Go to Step 17

--

13

Test the solenoid control circuit of the TCC solenoid valve for a short to ground between the TCM and the AT inline 20-way connector.

Refer to Testing for Short to Ground and Wiring Repairs .

Did you find and correct the condition?

--

Go to Step 17

Go to Step 16

14

Test the solenoid control circuit of the TCC solenoid valve for an open between the TCM and the AT inline 20-way connector.

Refer to Circuit Testing and Wiring Repairs .

Did you find and correct the condition?

--

Go to Step 17

Go to Step 16

15

Replace the AT wiring harness, this includes the TCC solenoid valve.

Refer to Torque Converter Clutch Pulse Width Modulation Solenoid, Torque Converter Clutch Solenoid, and Wiring Harness .

Did you complete the replacement?

--

Go to Step 17

--

16

Replace the TCM.

Refer to Control Module References for replacement, setup, and programming.

Did you complete the replacement?

--

Go to Step 17

--

17

Perform the following procedure in order to verify the repair:

  1. Select DTC.
  2. Select Clear Info.
  3. Drive the vehicle in D4 with the TCC commanded ON for 5 seconds and commanded OFF for 5 seconds.
  4. Select Specific DTC.
  5. Enter DTC P2769.

Has the test run and passed?

--

Go to Step 18

Go to Step 2

18

With the scan tool, observe the stored information, capture info, and DTC Info.

Does the scan tool display any DTCs that you have not diagnosed?

--

Go to Diagnostic Trouble Code (DTC) List - Vehicle

System OK

DTC P2769 4.2L


Object Number: 1721677  Size: LF
Master Electrical Component List
Automatic Transmission Controls Schematics (4.2L)
OBD II Symbol Description Notice
Control Module References

Circuit Description

The torque converter clutch (TCC) solenoid valve is an electrical device that is used with the torque converter clutch pulse width modulation (TCC PWM) solenoid valve in order to control TCC apply and release. The TCC solenoid valve attaches to the transmission case assembly extending into the pump cover. The TCC solenoid valve receives ignition voltage through the ignition voltage circuit. The powertrain control module (PCM) controls the solenoid by providing the ground path on the TCC solenoid valve control circuit. The PCM monitors the throttle position sensor voltage, the vehicle speed, and other inputs in order to determine when to energize the TCC solenoid valve.

When the PCM detects a continuous open or short to ground in the TCC solenoid valve circuit, then DTC P2769 sets. DTC P2769 is a type B DTC.

DTC Descriptor

This diagnostic procedure supports the following DTC:

DTC P2769 Torque Converter Clutch (TCC) Enable Solenoid Control Circuit Low Voltage

Conditions for Running the DTC

    • The engine speed is greater than 475 RPM for 5 seconds.
    • The engine is not in fuel cutoff.

Conditions for Setting the DTC

DTC P2769 sets if the following condition occurs for 5 seconds:

The PCM commands the solenoid OFF and the voltage feedback remains low, 0 volt.

Action Taken When the DTC Sets

    • The PCM illuminates the malfunction indicator lamp (MIL) during the second consecutive trip in which the Conditions for Setting the DTC are met.
    • The PCM commands maximum line pressure.
    • The PCM inhibits TCC engagement.
    • The PCM inhibits 4th gear if the transmission is in hot mode.
    • The PCM freezes transmission adapt functions.
    • The PCM records the operating conditions when the Conditions for Setting the DTC are met. The PCM stores this information as Freeze Frame and Failure Records.
    • The PCM stores DTC P2769 in PCM history during the second consecutive trip in which the Conditions for Setting the DTC are met.

Conditions for Clearing the MIL/DTC

    • The PCM turns OFF the MIL during the third consecutive trip in which the diagnostic test runs and passes.
    • A scan tool can clear the MIL/DTC.
    • The PCM clears the DTC from PCM history if the vehicle completes 40 warm-up cycles without an emission-related diagnostic fault occurring.
    • The PCM cancels the DTC default actions when the ignition switch is OFF long enough in order to power down the PCM.

Diagnostic Aids

With the TCC engaged, the TCC slip speed should be -20 to +50 RPM.

Test Description

The numbers below refer to the step numbers on the diagnostic table.

  1. This step tests for voltage to the solenoid.

  2. This step tests the ability of the PCM and wiring to control the ground circuit.

  3. This step tests the resistance of the TCC solenoid valve and the automatic transmission (AT) wiring harness.

DTC P2769

Step

Action

Values

Yes

No

1

Did you perform the Diagnostic System Check - Vehicle?

--

Go to Step 2

Go to Diagnostic System Check - Vehicle

2

  1. Install a scan tool.
  2. Turn ON the ignition, with the engine OFF.
  3. Important: Before clearing the DTC, use the scan tool in order to record the Freeze Frame and Failure Records. Using the Clear Info function erases the Freeze Frame and Failure Records from the PCM.

  4. Record the DTC Freeze Frame and Failure Records.
  5. Clear the DTC.

Are any of the following DTCs also set?

    • P0973
    • P0976
    • P0787
    • P2764

--

Go to Step 3

Go to Step 4

3

Inspect the TRANS fuse for an open. Refer to Circuit Protection - Fuses .

Is the fuse open?

--

Go to Step 9

Go to Step 4

4

  1. Turn OFF the ignition.
  2. Disconnect the AT inline 20-way connector, additional DTCs may set.
  3. Install the J 44152 Jumper Harness (20 pins) on the engine side of the AT inline 20-way connector.
  4. Turn ON the ignition, with the engine OFF.
  5. Using the J 35616 GM Terminal Test Kit, connect a test lamp from the ignition voltage circuit of the J 44152 to ground.

Refer to Automatic Transmission Inline 20-Way Connector End View .

Does the test lamp illuminate?

--

Go to Step 5

Go to Step 12

5

  1. Connect the test lamp from the TCC solenoid valve ignition voltage and control circuits of the J 44152 . Refer to Automatic Transmission Inline 20-Way Connector End View .
  2. Use the scan tool in order to command the TCC solenoid valve ON and OFF 3 times.

Does the test lamp turn ON and OFF with each command?

--

Go to Step 7

Go to Step 6

6

Is the test lamp always ON?

--

Go to Step 13

Go to Step 14

7

  1. Install the J 44152 on the transmission side of the AT inline 20-way connector.
  2. Using the DMM and the J 35616 , measure the resistance between the TCC solenoid valve ignition voltage and control circuits of the J 44152 . Refer to Testing for Continuity .

Refer to Automatic Transmission Inline 20-Way Connector End View .

Does the resistance measure within the specified range?

21-33 ohms

Go to Step 8

Go to Step 15

8

Measure the resistance from the TCC solenoid valve control circuit of the J 44152 to ground. Refer to Testing for Continuity .

Does the resistance measure greater than the specified value?

250 K ohms

Go to Testing for Intermittent Conditions and Poor Connections

Go to Step 15

9

Important: The condition that affects this circuit may exist in other connecting branches of the circuit. Refer to Power Distribution Schematics for complete circuit distribution.

Test the ignition voltage circuit of the TCC solenoid valve for a short to ground between the battery and the AT inline 20-way connector. Refer to Testing for Short to Ground and Wiring Repairs .

Did you find and correct the condition?

--

Go to Step 17

Go to Step 10

10

Important: The condition that affects this circuit may exist in other connecting branches of the circuit. Refer to Power Distribution Schematics for complete circuit distribution.

Test the ignition voltage circuit of the TCC solenoid valve for a short to ground between the AT inline 20-way connector and the TCC solenoid valve. Refer to Testing for Short to Ground .

Did you find a short to ground condition?

--

Go to Step 15

Go to Step 11

11

  1. Test each solenoid for a short to ground.
  2. Replace the faulty solenoid as necessary.

Did you complete the replacement?

--

Go to Step 17

--

12

Important: The condition that affects this circuit may exist in other connecting branches of the circuit. Refer to Power Distribution Schematics for complete circuit distribution.

Test the ignition voltage circuit of the TCC solenoid valve for an open. Refer to Testing for Continuity and Wiring Repairs .

Did you find and correct the condition?

--

Go to Step 17

--

13

Test the control circuit of the TCC solenoid valve for a short to ground between the PCM and the AT inline 20-way connector. Refer to Testing for Short to Ground and Wiring Repairs .

Did you find and correct the condition?

--

Go to Step 17

Go to Step 16

14

Test the control circuit of the TCC solenoid valve for an open between the PCM and the AT inline 20-way connector. Refer to Circuit Testing and Wiring Repairs .

Did you find and correct the condition?

--

Go to Step 17

Go to Step 16

15

Replace the AT wiring harness, this includes the TCC solenoid valve. Refer to Valve Body and Pressure Switch Replacement .

Did you complete the replacement?

--

Go to Step 17

--

16

Replace the PCM. Refer to Control Module References .

Did you complete the replacement?

--

Go to Step 17

--

17

Perform the following procedure in order to verify the repair:

  1. Select DTC.
  2. Select Clear Info.
  3. Drive the vehicle in D4 with the TCC ON and OFF. Ensure that the following conditions are met:
  4. • The PCM commands the TCC solenoid valve ON, and the voltage feedback drops to zero.
    • The PCM commands the TCC solenoid valve OFF, and the voltage feedback increases to B+.
    • All conditions met for 5 seconds.
  5. Select Specific DTC.
  6. Enter DTC P2769.

Has the test run and passed?

--

Go to Step 18

Go to Step 2

18

With the scan tool, observe the stored information, capture info, and DTC Info.

Does the scan tool display any DTCs that you have not diagnosed?

--

Go to Diagnostic Trouble Code (DTC) List - Vehicle

System OK