GM Service Manual Online
For 1990-2009 cars only
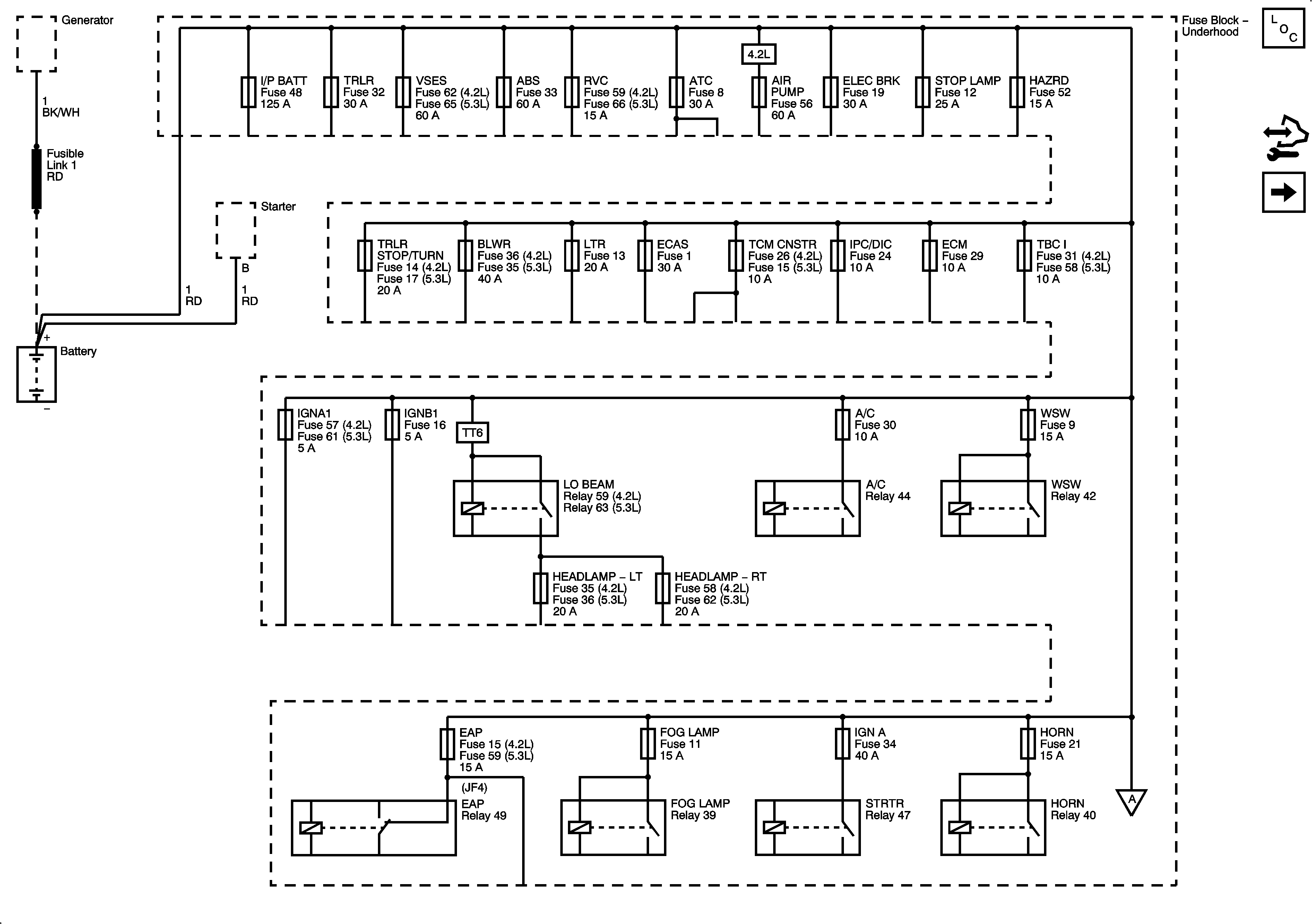
Figure 1:

B+ BUS - Underhood Fuse Block - 1 of 2


Object Number: 1928744  Size: FS
Master Electrical Component List
Control Module References
B+ BUS - Underhood Fuse Block - 2 of 2
Figure 2:

B+ BUS - Underhood Fuse Block - 2 of 2


Object Number: 1928759  Size: FS
Master Electrical Component List
Control Module References
B+ BUS - Rear Fuse Block
B+ BUS - Underhood Fuse Block - 1 of 2
Figure 3:

B+ BUS - Rear Fuse Block


Object Number: 1928778  Size: FS
Master Electrical Component List
Control Module References
ABS, ATC, BLWR ECAS, ELEC BRK, HAZRD, IPC/DIC, LTR, STOP LAMP, TRLR, VEH CHMSL, VEH STOP, and VSES Fuses
B+ BUS - Underhood Fuse Block - 2 of 2
Figure 4:

ABS, ATC, BLWR ECAS, ELEC BRK, HAZRD, IPC/DIC, LTR, STOP LAMP, TRLR, VEH CHMSL, VEH STOP, and VSES Fuses


Object Number: 1928844  Size: FS
Master Electrical Component List
Control Module References
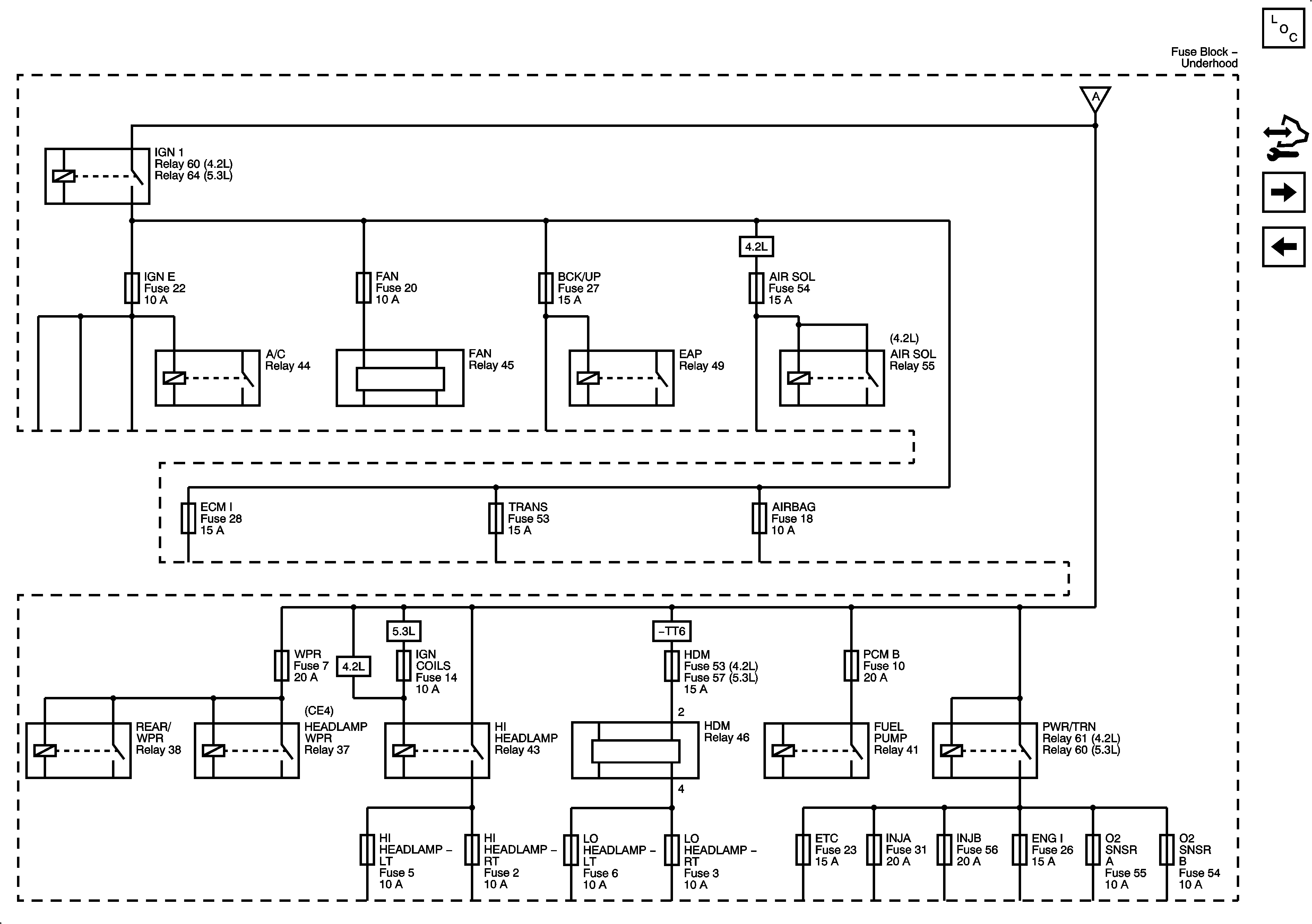
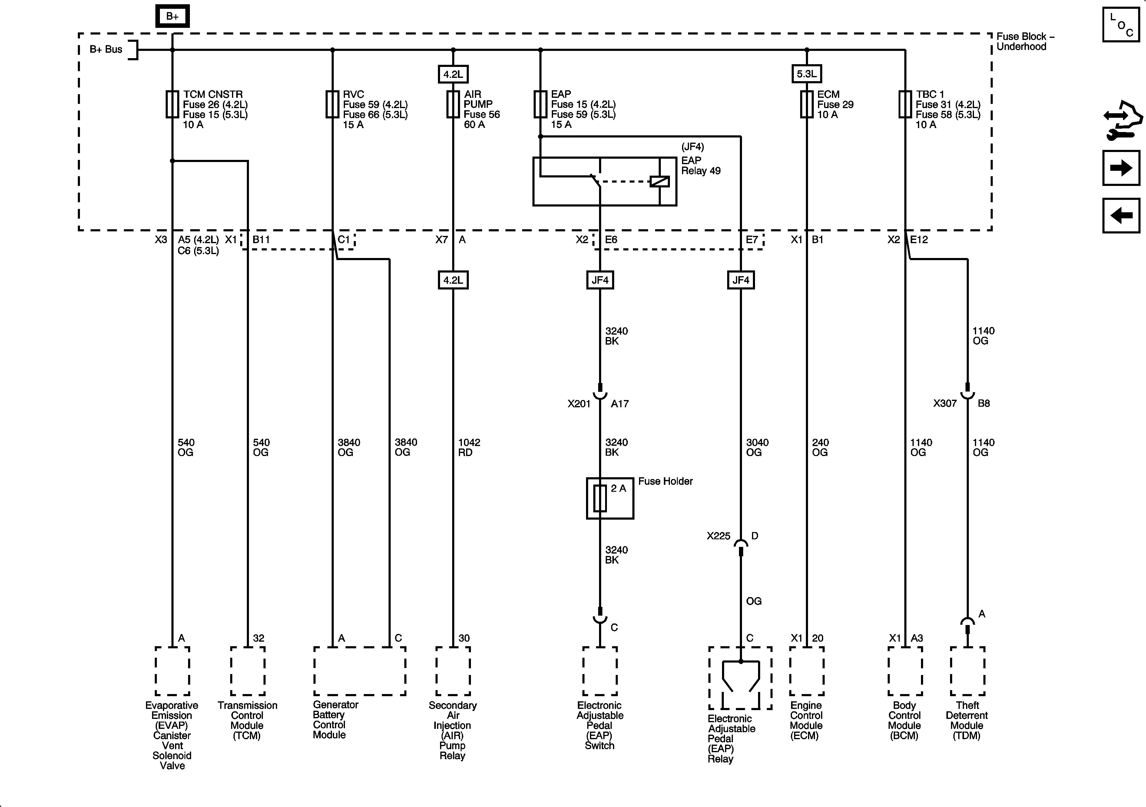
AIR PUMP, EAP, ECM, RVC, TBC I, and TCM CNSTR Fuses
B+ BUS - Rear Fuse Block
Figure 5:

AIR PUMP, EAP, ECM, RVC, TBC I, and TCM CNSTR Fuses


Object Number: 1928855  Size: FS
Master Electrical Component List
Control Module References
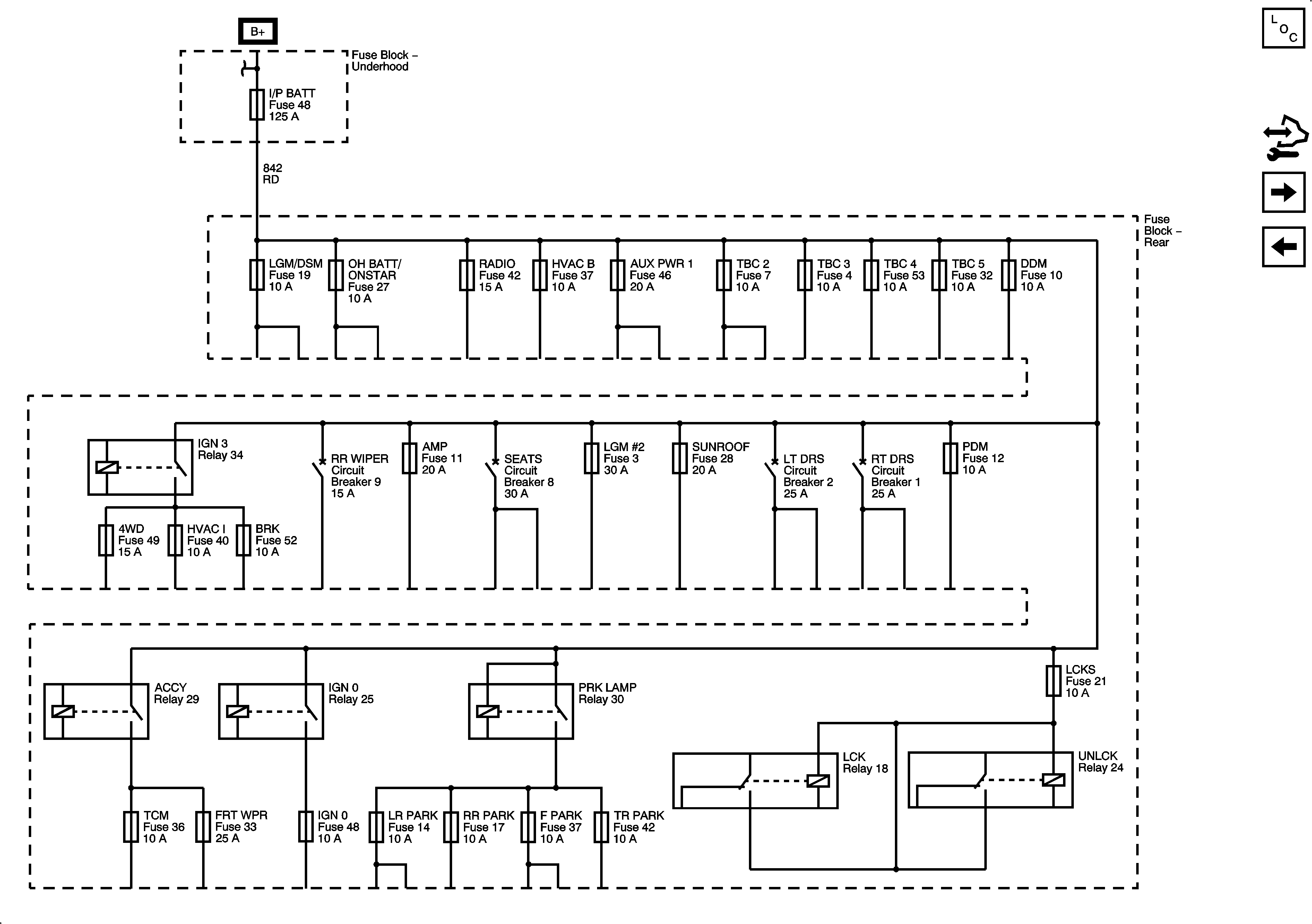
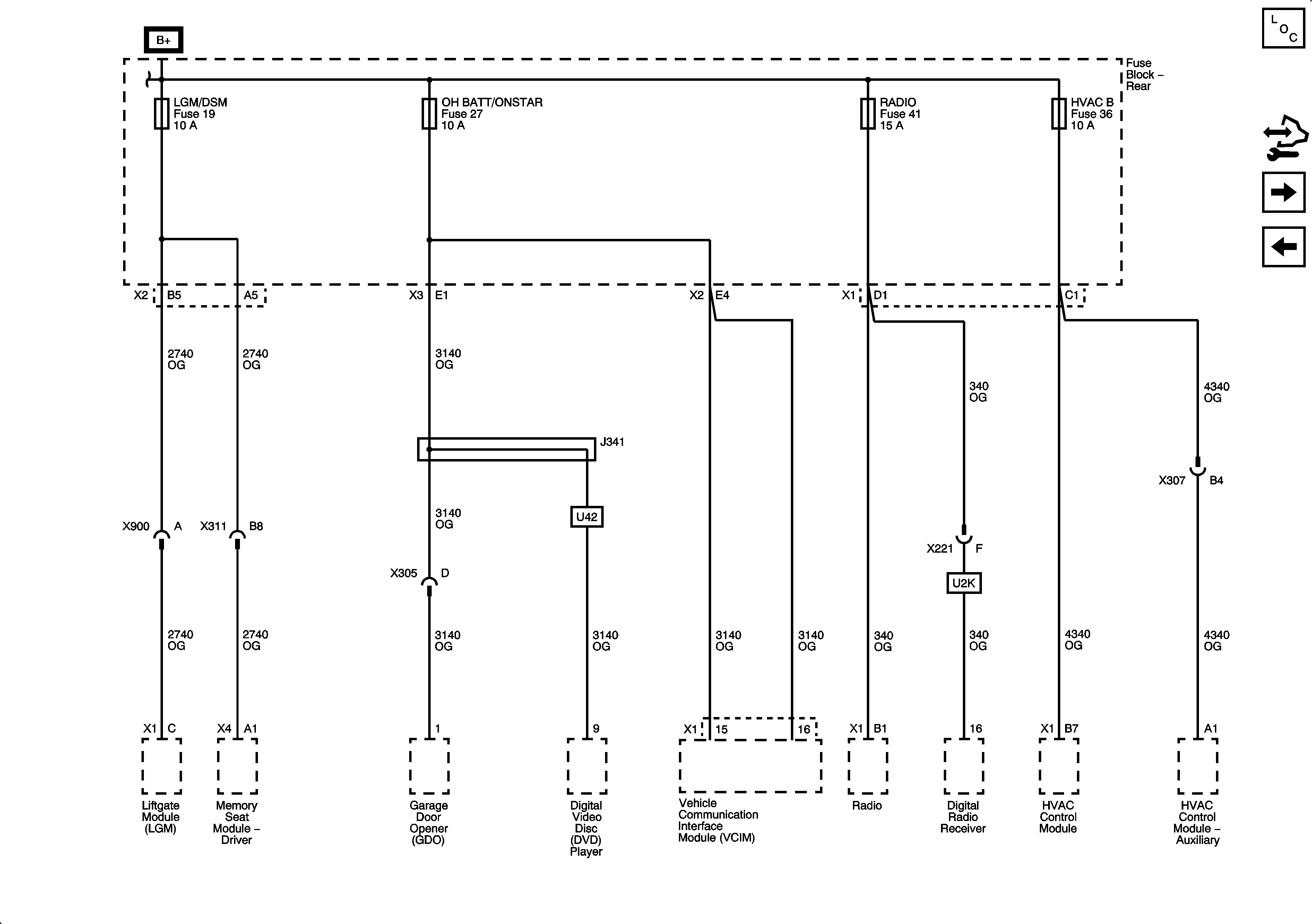
HVAC B, LGM/DSM, OH BATT/ONSTAR, and RADIO Fuses
ABS, ATC, BLWR ECAS, ELEC BRK, HAZRD, IPC/DIC, LTR, STOP LAMP, TRLR, VEH CHMSL, VEH STOP, and VSES Fuses
Figure 6:

HVAC B, LGM/DSM, OH BATT/ONSTAR, and RADIO Fuses


Object Number: 1928933  Size: FS
Master Electrical Component List
Control Module References
AUX PWR 1, S/ROOF, TBC 2, TBC 3, TBC 4, and TBC 5 Fuses
AIR PUMP, EAP, ECM, RVC, TBC I, and TCM CNSTR Fuses
Figure 7:

AUX PWR 1, S/ROOF, TBC 2, TBC 3, TBC 4, and TBC 5 Fuses


Object Number: 1928964  Size: FS
Master Electrical Component List
Control Module References
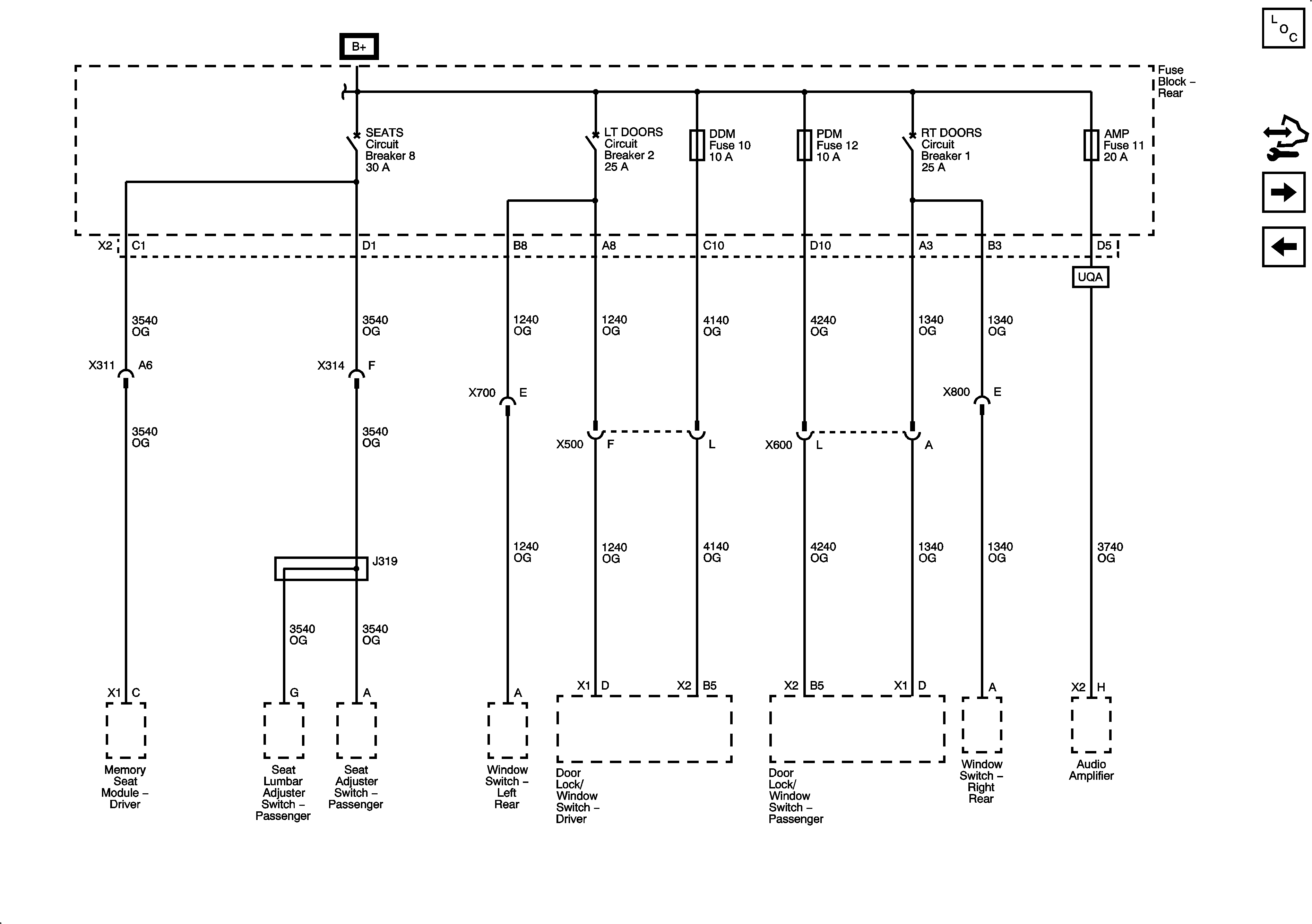
AMP, DDM, PDM Fuses, LT DOORS, RT DOORS, and SEATS Circuit Breakers
HVAC B, LGM/DSM, OH BATT/ONSTAR, and RADIO Fuses
Figure 8:

AMP, DDM, PDM Fuses, LT DOORS, RT DOORS, and SEATS Circuit Breakers


Object Number: 1929272  Size: FS
Master Electrical Component List
Control Module References
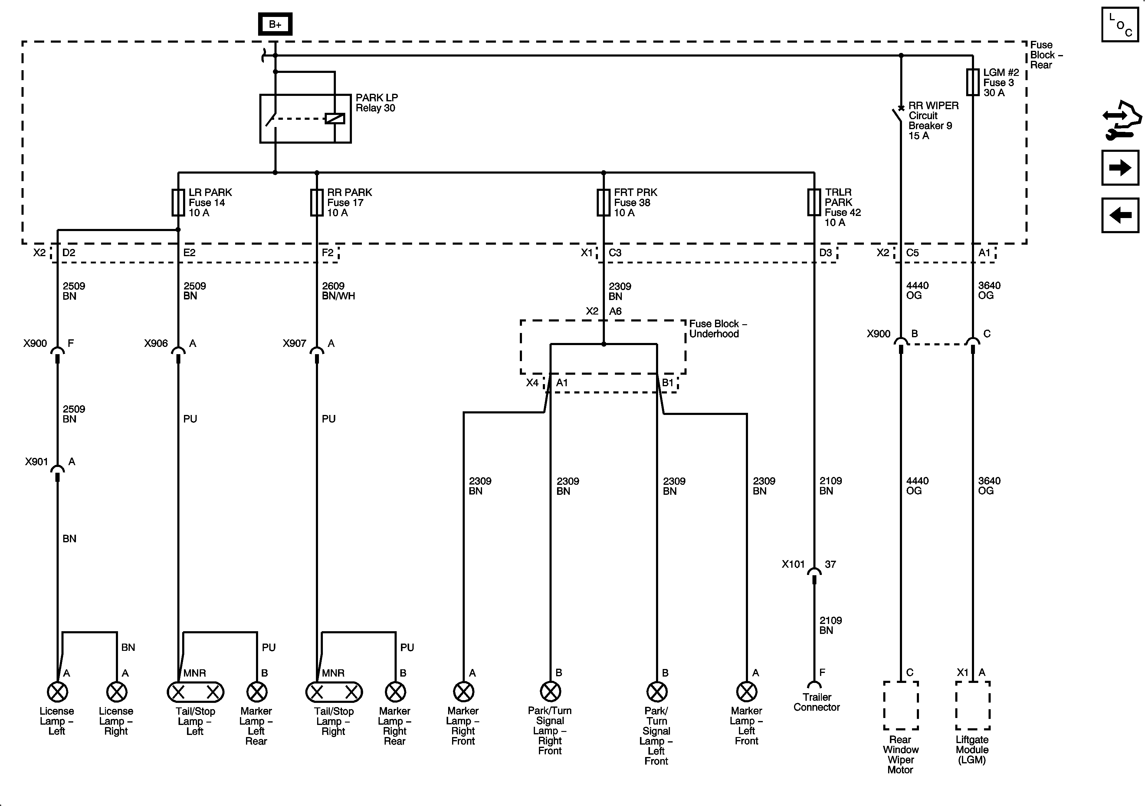
FRT PRK, LGM #2, LR PRK, RR PRK, TRLR PARK Fuses, and RR WIPER Circuit Breakers
AUX PWR 1, S/ROOF, TBC 2, TBC 3, TBC 4, and TBC 5 Fuses
Figure 9:

FRT PRK, LGM #2, LR PRK, RR PRK, TRLR PARK Fuses and RR WIPER Circuit Breakers


Object Number: 1929289  Size: FS
Master Electrical Component List
Control Module References
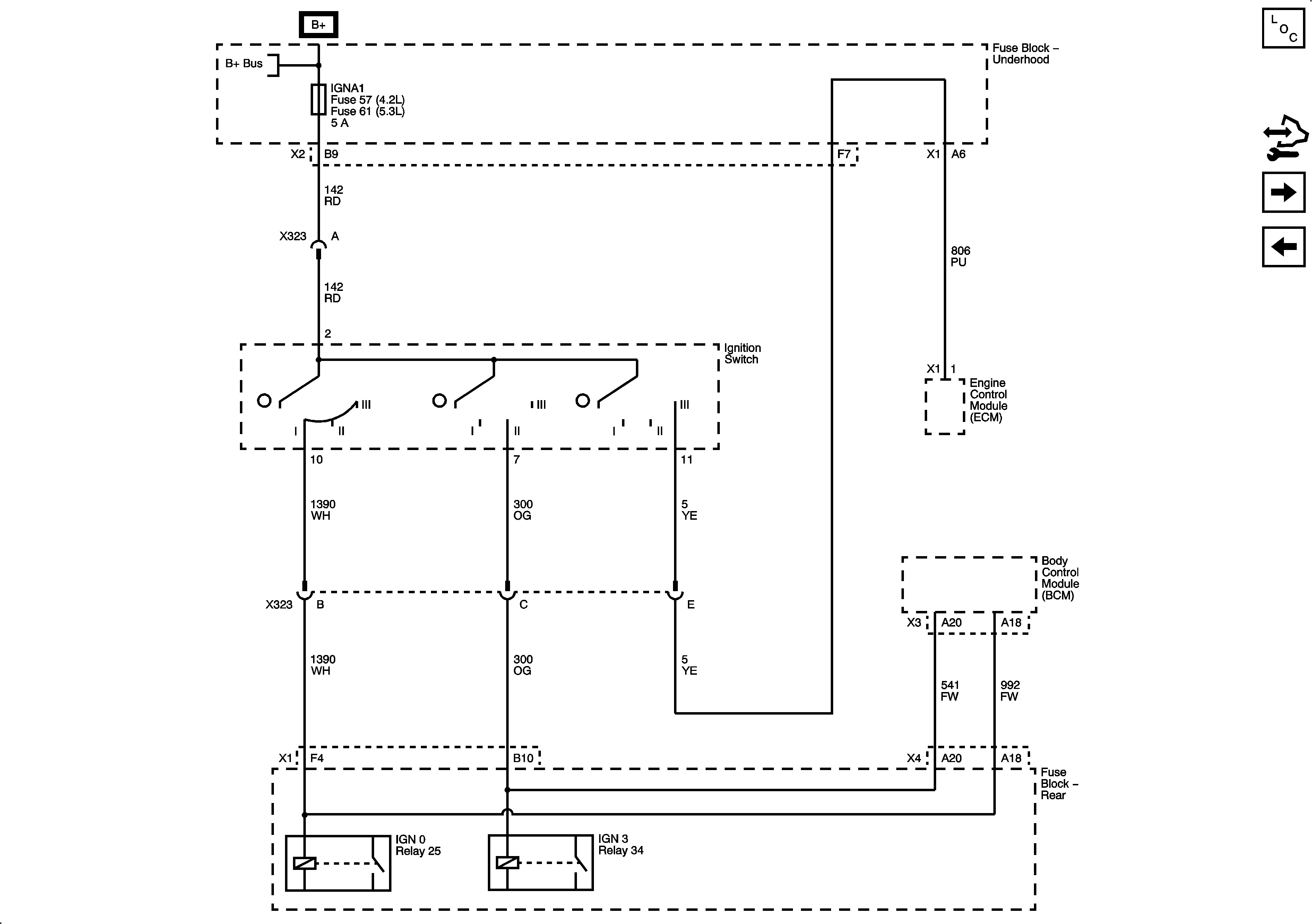
Ignition Switch - Ignition I/II/III, II, III Bus Bars, and IGNA1 Fuse
AMP, DDM, PDM Fuses, LT DOORS, RT DOORS, and SEATS Circuit Breakers
Figure 10:

Ignition Switch - Ignition I/II/III, II, III Bus Bars, and IGNA1 Fuse


Object Number: 1929292  Size: FS
Master Electrical Component List
Control Module References
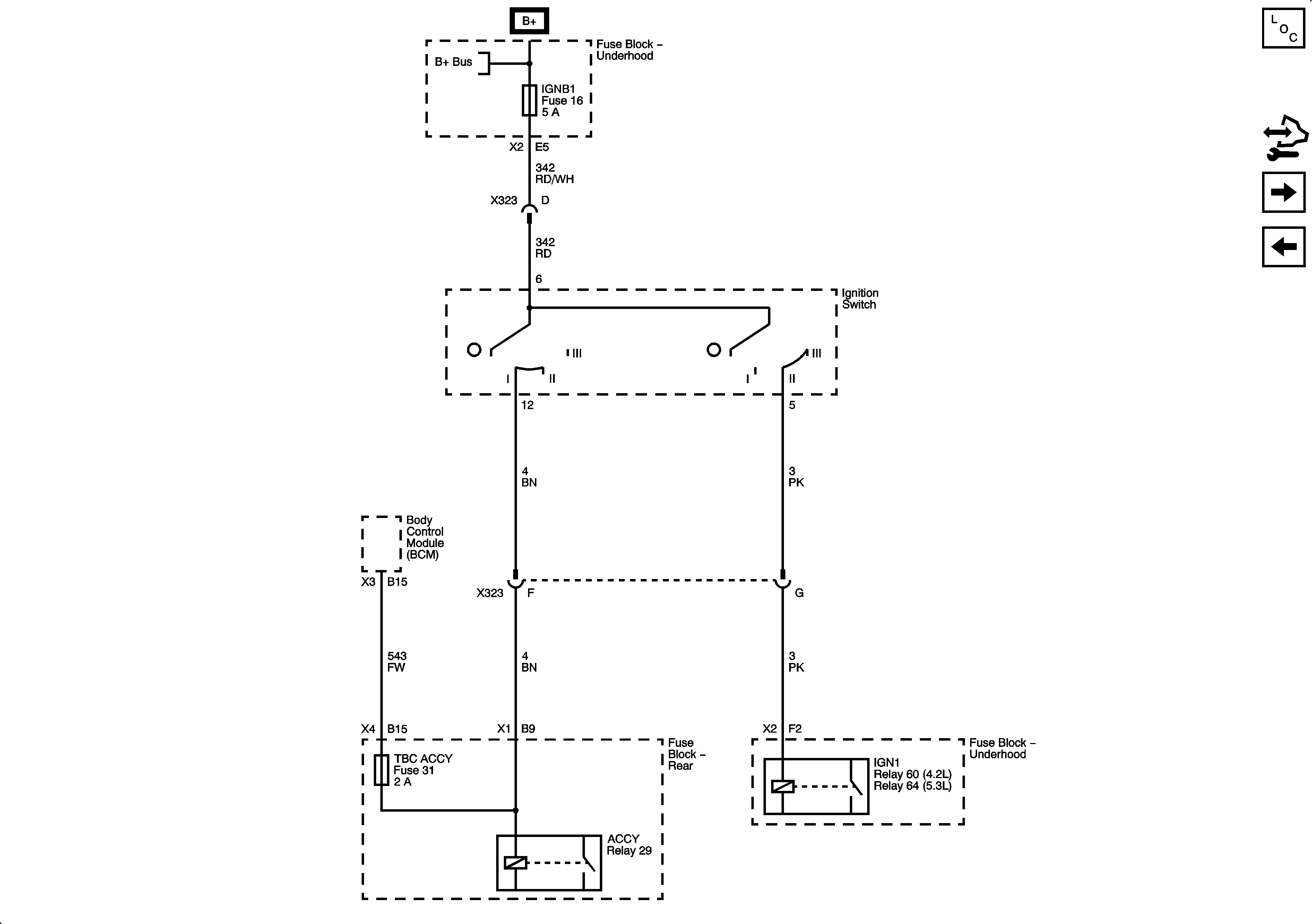
Ignition Switch - Ignition I/II, I/III Bus Bars, and IGNB1 Fuse
FRT PRK, LGM #2, LR PRK, RR PRK, TRLR PARK Fuses, and RR WIPER Circuit Breakers
Figure 11:

Ignition Switch -Inition I/II, I/III Bus Bars, and IGNB1 Fuse


Object Number: 1929294  Size: FS
Master Electrical Component List
Control Module References
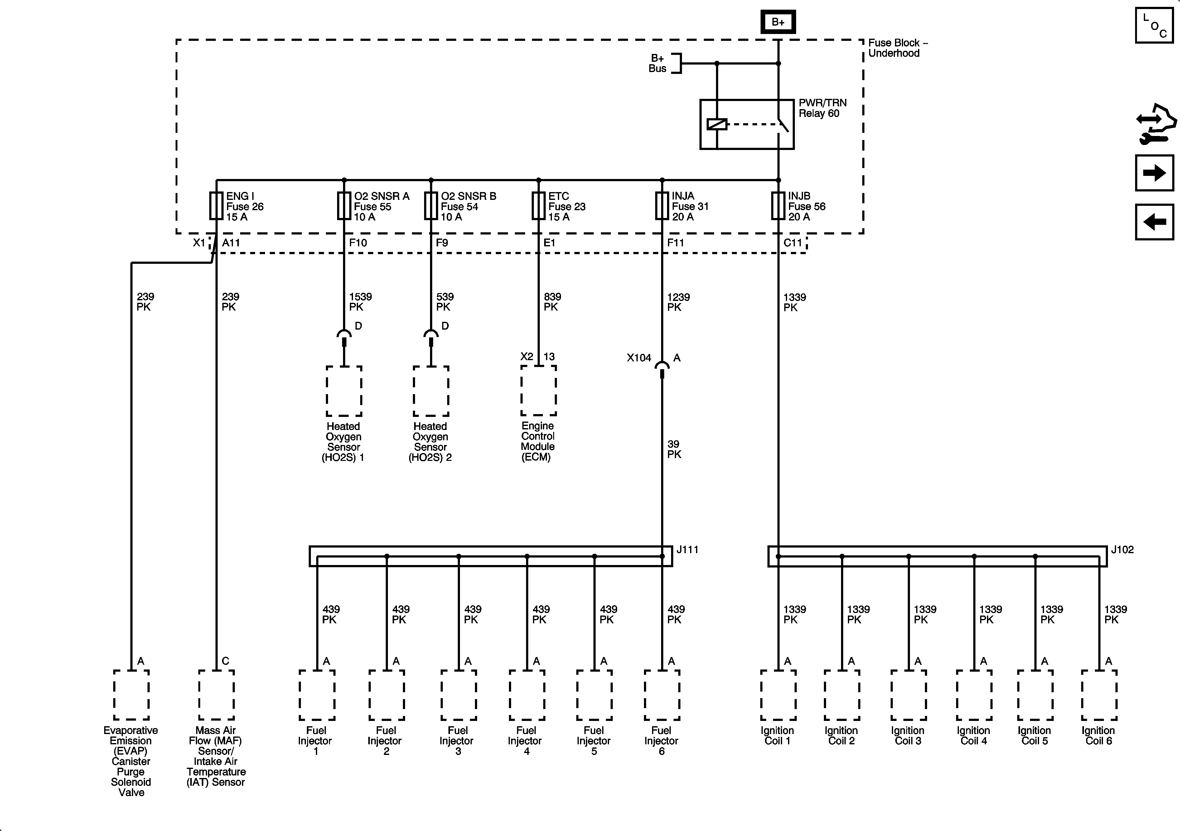
ENG I, ETC, INJA, INJB, 02 SNSR A and 02 SNSR B Fuses - 4.2L
Ignition Switch - Ignition I/II/III, II, III Bus Bars, and IGNA1 Fuse
Figure 12:

ENG I, ETC, INJA, INJB, 02 SNSR A and 02 SNSR B Fuses - 4.2L


Object Number: 1929351  Size: FS
Master Electrical Component List
Control Module References
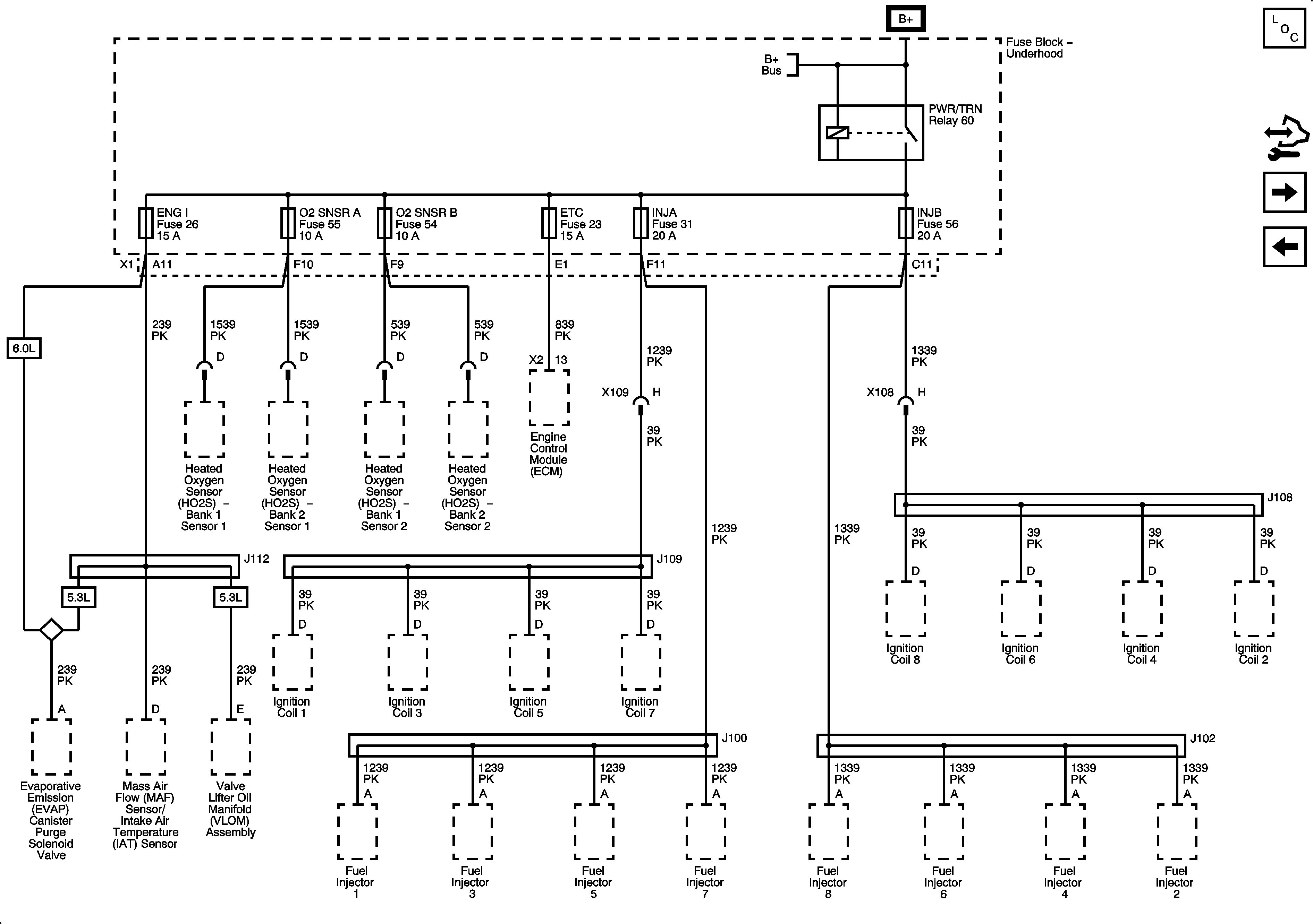
ENG I, ETC, INJA, INJB, O2 SNSR A, and O2 SNSR B Fuses - 5.3L
Ignition Switch - Ignition I/II, I/III Bus Bars, and IGNB1 Fuse
Figure 13:

ENG I, ETC, INJA, INJB, O2 SNSR A, and O2 SNSR B Fuses - 5.3L


Object Number: 1929363  Size: FS
Master Electrical Component List
Control Module References
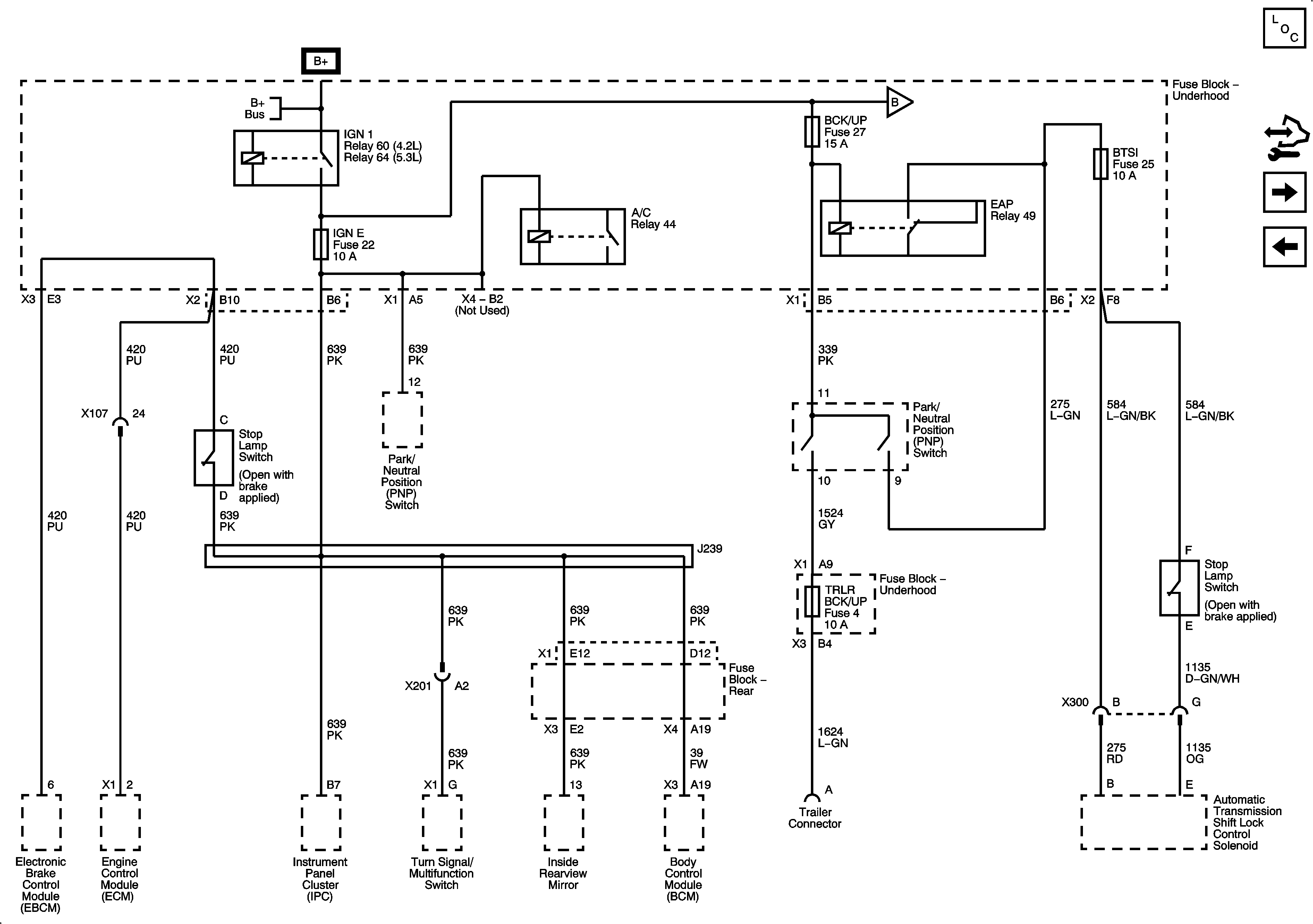
BCK/UP, BTSI, IGN E, and TRLR BCK/UP Fuses
ENG I, ETC, INJA, INJB, 02 SNSR A and 02 SNSR B Fuses - 4.2L
Figure 14:

BCK/UP, BTSI, IGN E, and TRLR BCK/UP Fuses


Object Number: 1929379  Size: FS
Master Electrical Component List
Control Module References
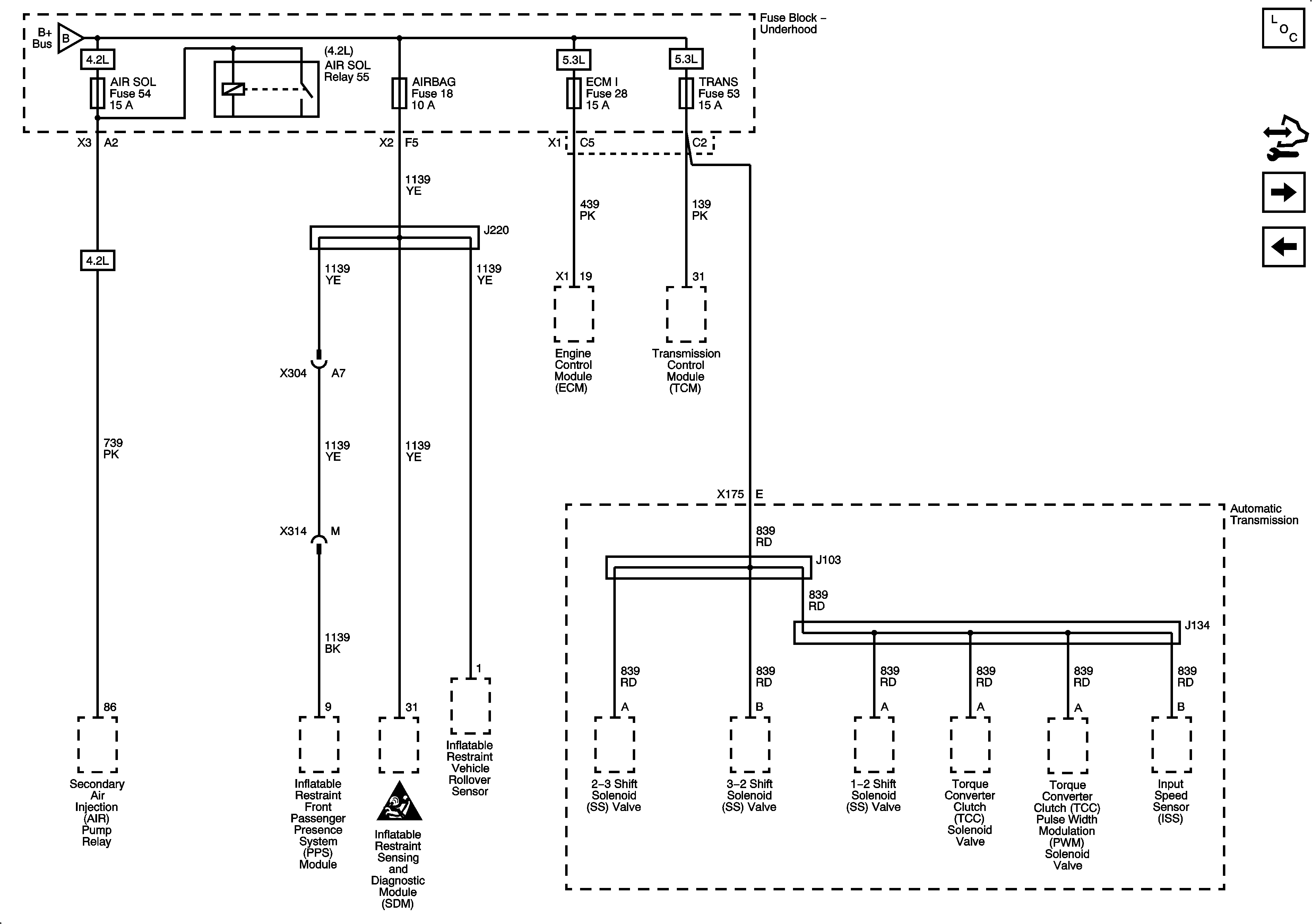
AIR SOL, AIRBAG, ECM I, and TRANS Fuses
ENG I, ETC, INJA, INJB, O2 SNSR A, and O2 SNSR B Fuses - 5.3L
Figure 15:

AIR SOL, AIRBAG, ECM I, and TRANS Fuses


Object Number: 1929427  Size: FS
Master Electrical Component List
Control Module References
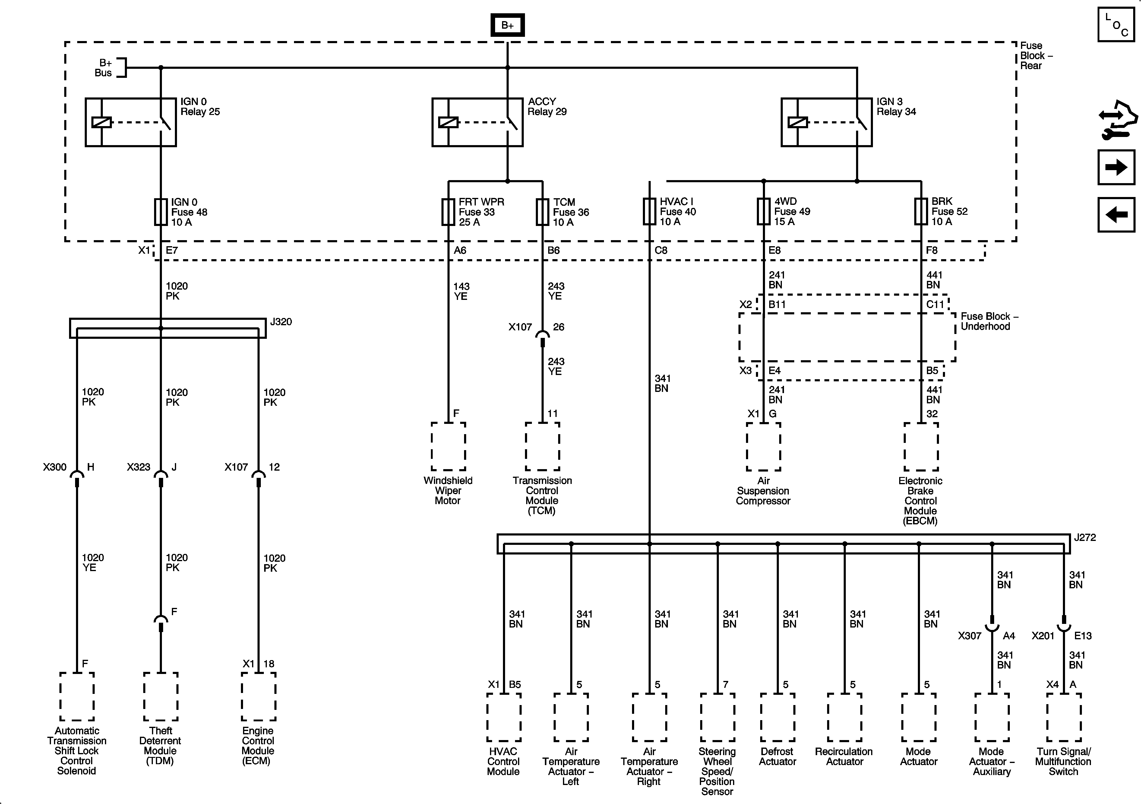
4WD, BRK, FRT WPR, HVAC I, IGN 0, and TCM Fuses
BCK/UP, BTSI, IGN E, and TRLR BCK/UP Fuses
Figure 16:

4WD, BRK, FRT WPR, HVAC I, IGN 0 and TCM Fuses


Object Number: 1929449  Size: FS
Master Electrical Component List
Control Module References
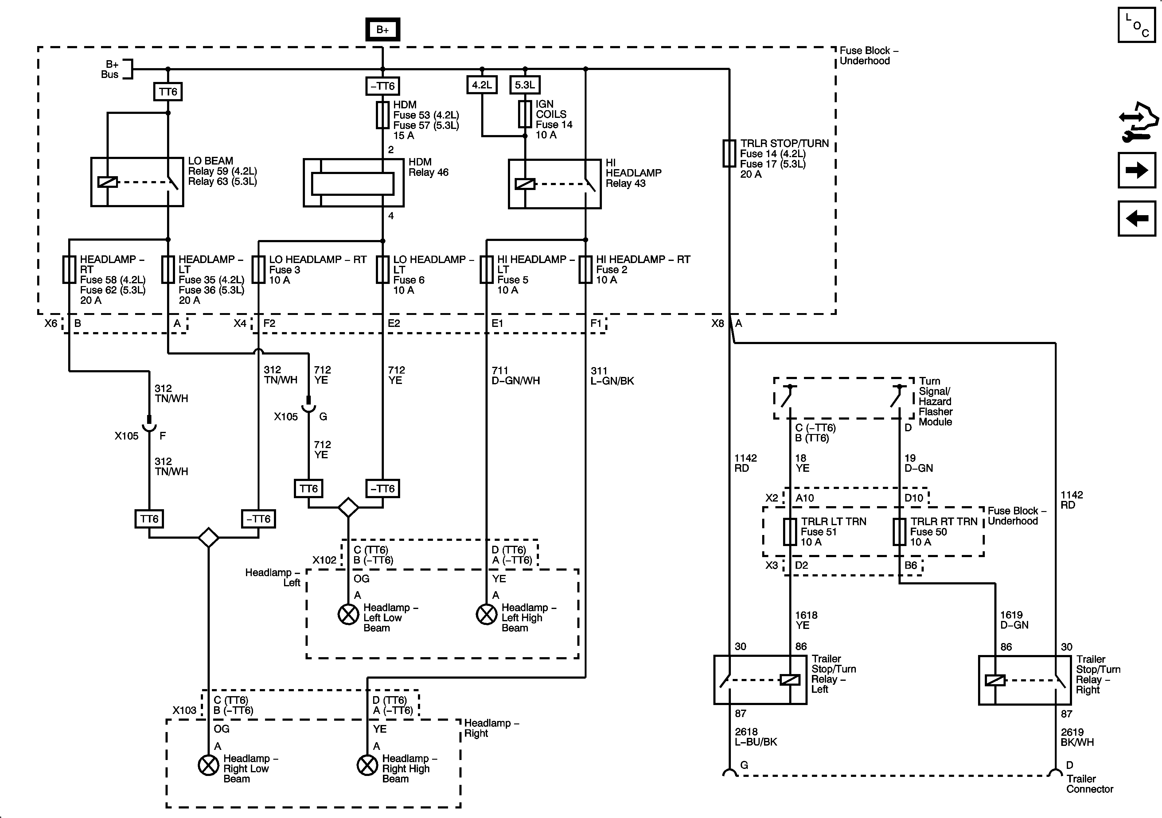
HDM, HEADLAMP-LT, HEADLAMP-RT, HI HEADLAMP-LT, HI HEADLAMP-RT, IGN COILS, LO HEADLAMP-LT, LO HEADLAMP-RT, TRLR LT TRN, TRLR RT TRN, and TRLR STOP/TURN Fuses
AIR SOL, AIRBAG, ECM I, and TRANS Fuses
Figure 17:

HDM, HEADLAMP-LT, HEADLAMP-RT, HI HEADLAMP-LT, HI HEADLAMP-RT, IGN COILS, LO HEADLAMP-LT, LO HEADLAMP-RT, TRLR LT TRN, TRLR RT TRN, and TRLR STOP/TURN Fuses


Object Number: 1929475  Size: FS
Master Electrical Component List
Control Module References
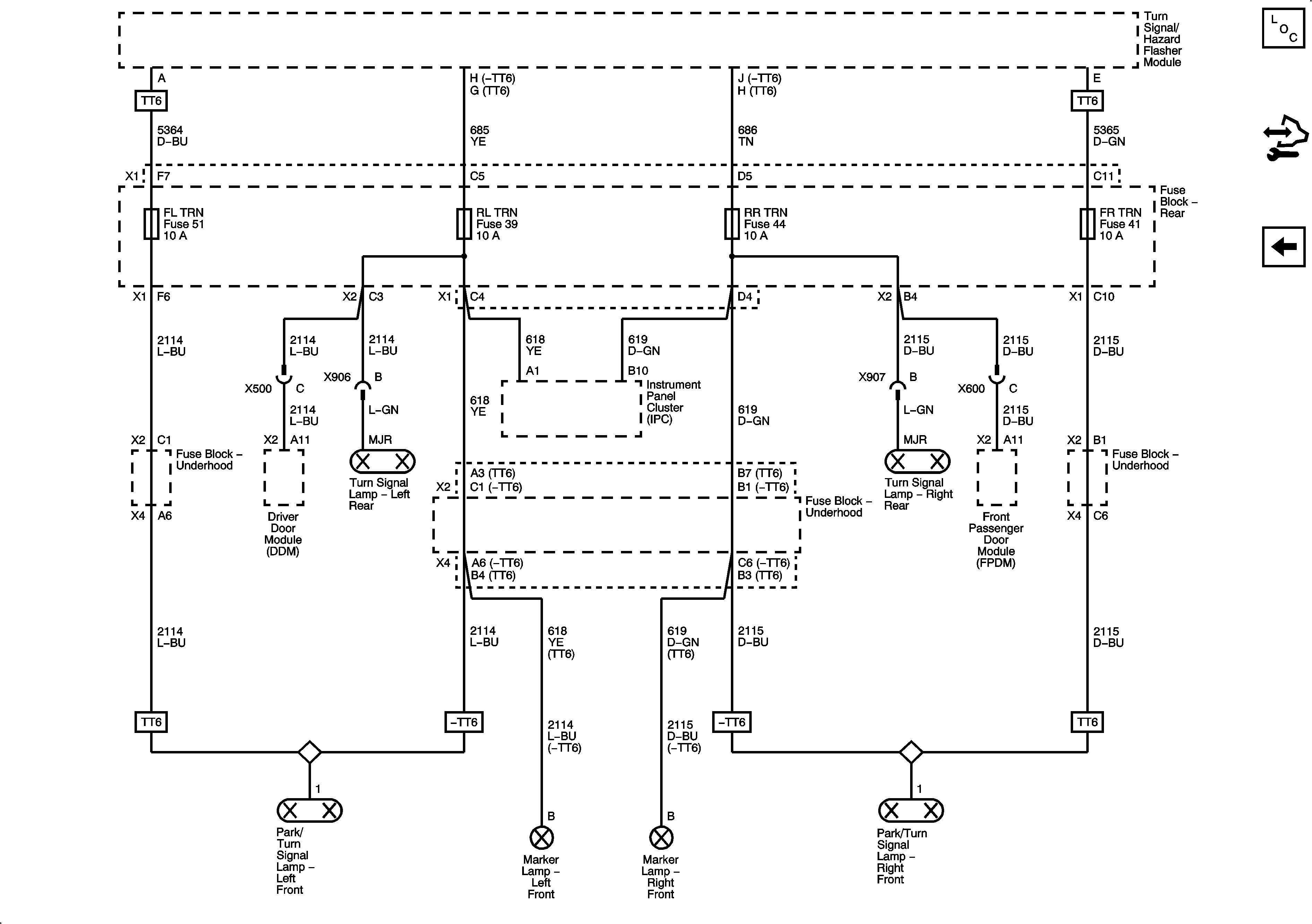
FL TRN, FR TRN, RL TRN, and RR TRN Fuses
4WD, BRK, FRT WPR, HVAC I, IGN 0, and TCM Fuses
Figure 18:

FL TRN, FR TRN, RL TRN, and RR TRN Fuses


Object Number: 1929484  Size: FS
Master Electrical Component List
Control Module References
HDM, HEADLAMP-LT, HEADLAMP-RT, HI HEADLAMP-LT, HI HEADLAMP-RT, IGN COILS, LO HEADLAMP-LT, LO HEADLAMP-RT, TRLR LT TRN, TRLR RT TRN, and TRLR STOP/TURN Fuses