GM Service Manual Online
For 1990-2009 cars only
Makes
🢒
Saab
🢒
2008
🢒
9-7x
🢒
Engine
🢒
Engine Mechanical - 4.2L
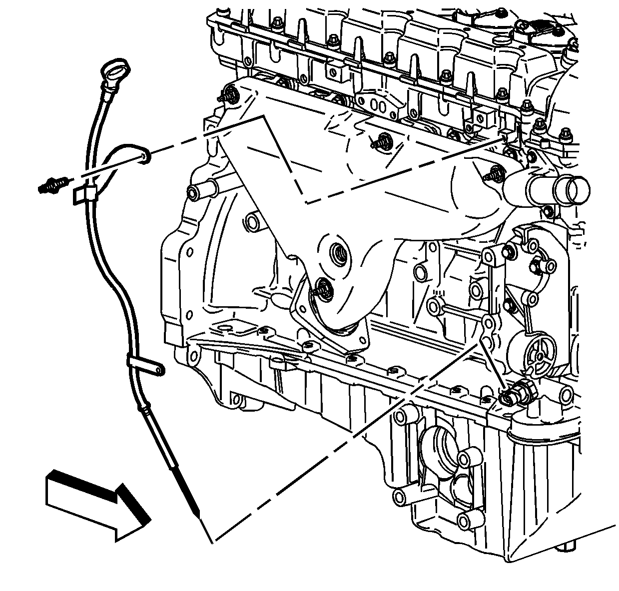
🢒 Oil Level Indicator and Tube Removal
Remove the oil level indicator.
Remove the oil level indicator tube stud.
Remove the oil level indicator tube.