GM Service Manual Online
For 1990-2009 cars only
Makes
🢒
Saab
🢒
2008
🢒
9-7x
🢒
Diagnostic Navigation
🢒
Vehicle Diagnostic Information
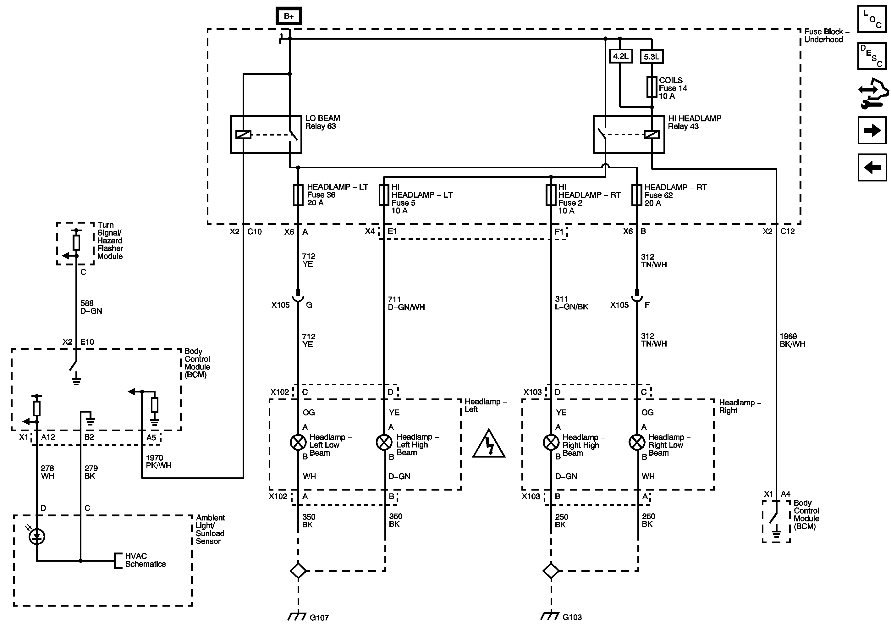
🢒 Headlights/Daytime Running Lights (DRL) Schematics
Figure
1:
Headlamps (w/o TT6)
Master Electrical Component List
Exterior Lighting Systems Description and Operation
Control Module References
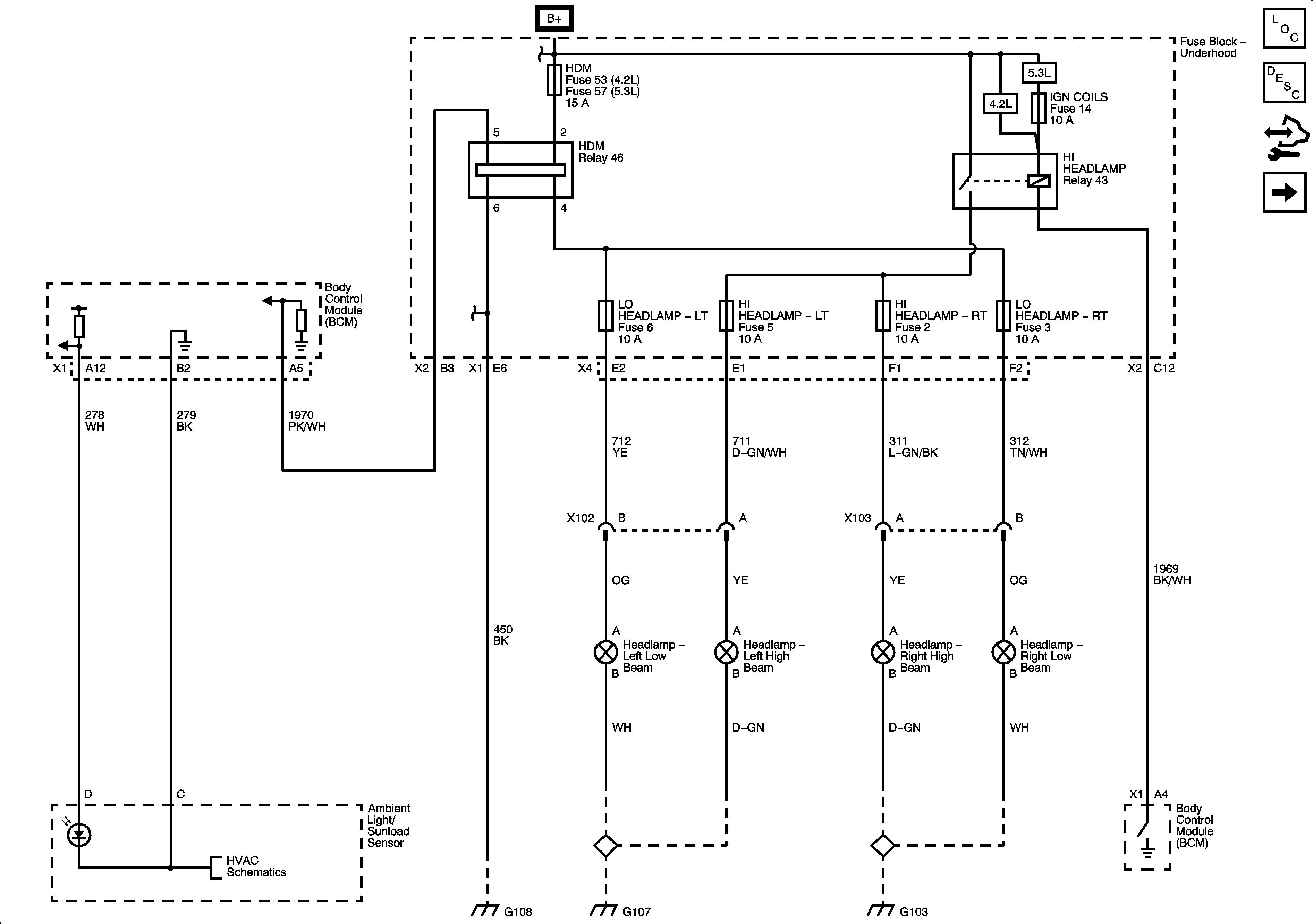
Headlights (w/TT6)
Figure
2:
Headlamps (w/TT6)
Master Electrical Component List
Exterior Lighting Systems Description and Operation
Control Module References
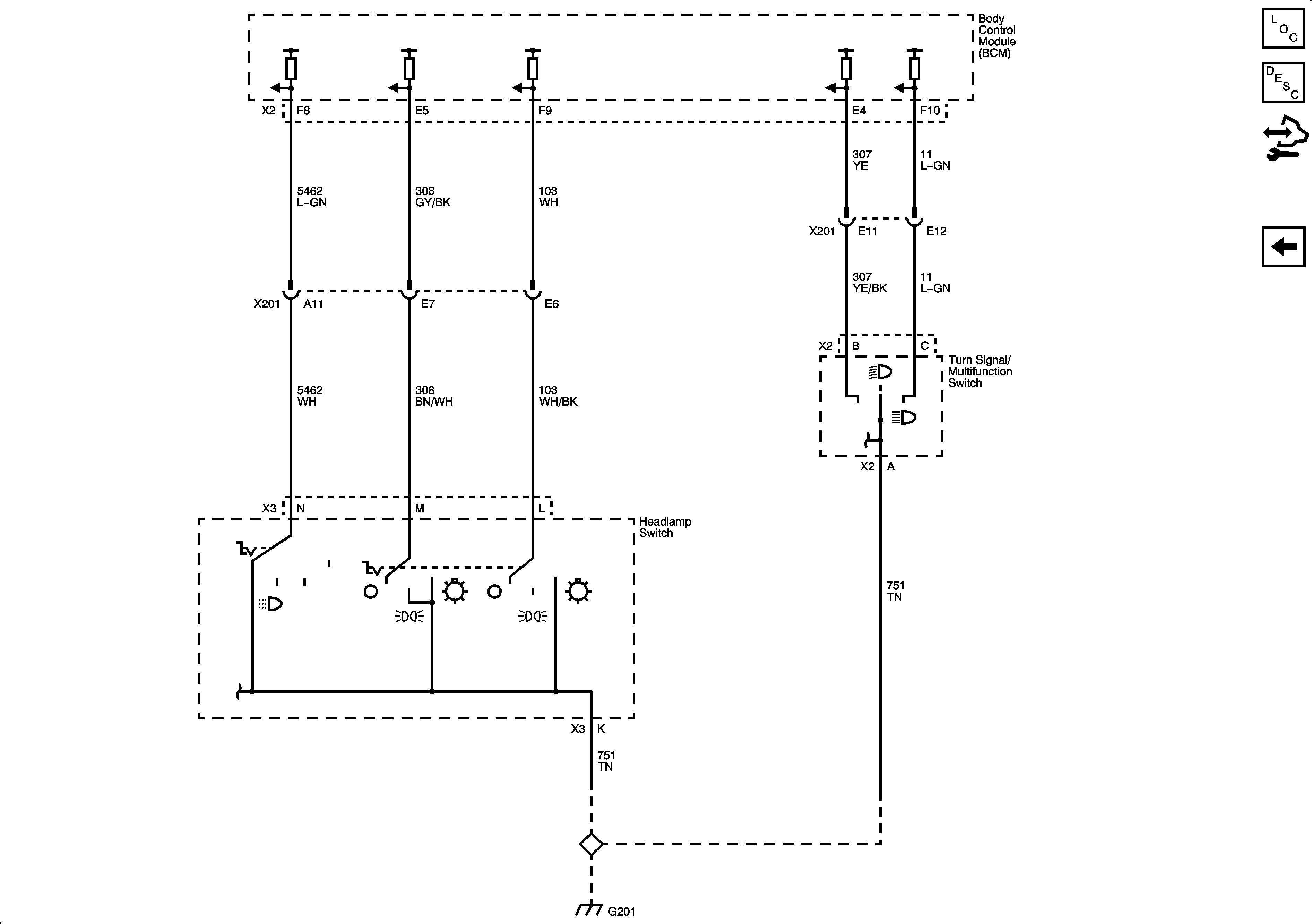
Headlamp Switch
Headlights (w/o TT6)
Figure
3:
Headlamp Switch
Master Electrical Component List
Exterior Lighting Systems Description and Operation
Control Module References
Headlights (w/TT6)