GM Service Manual Online
For 1990-2009 cars only

Removal Procedure

  1. Raise and support the vehicle. Refer to Lifting and Jacking the Vehicle.
  2. Remove the tire and wheel assembly. Refer to Tire and Wheel Removal and Installation.
  3. Remove any dirt or debris from the threads of the stabilizer link bolt.

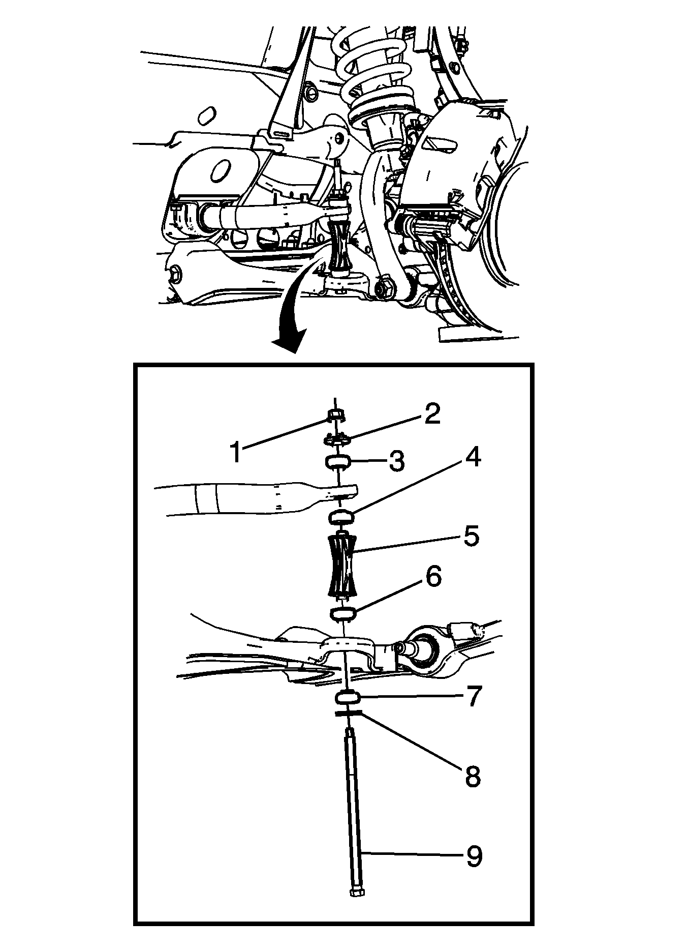
  4. Object Number: 1991046  Size: MH
  5. Use the proper size wrench or socket to hold the stabilizer bolt while removing the stabilizer shaft nut (1).
  6. Remove the washer (2)  and the insulator (3) from the stabilizer shaft link bolt (9).
  7. Remove the stabilizer shaft link bolt (9), washer (8) and the insulator (7).
  8. Remove the insulators (4) (6), spacer (5).

Installation Procedure


    Object Number: 1991046  Size: MH
  1. Install the washer (8) and the insulator (7) on the stabilizer shaft link bolt (9).
  2. Important: When installing the spacer (5) and the insulators (3), (4), (6) and (7), ensure that the insulators are properly seated in the stabilizer shaft and the lower control arm.

  3. Position the insulators (4) (6), spacer (5) between the stabilizer shaft and the lower control arm.
  4. Important: Use the stabilizer shaft bolt (9) to align the spacer (5) and the insulators (3), (4) , (6) and (7) during the installation of the stabilizer shaft bolt (9).

  5. Install the stabilizer shaft link bolt (9), washer (8) and the insulator (7).
  6. Install the insulator (3) and the washer (2).
  7. Notice: Refer to Fastener Notice in the Preface section.

  8. Install the stabilizer shaft link nut.
  9. Tighten
    Tighten the stabilizer shaft link nut to 23 N·m (17 lb ft).

  10. Install the tire and wheel assembly. Refer to Tire and Wheel Removal and Installation.
  11. Remove the support and lower the vehicle.