GM Service Manual Online
For 1990-2009 cars only
Makes
🢒
Saab
🢒
2008
🢒
9-7x
🢒
Transmission/Transaxle
🢒
Automatic Transmission - 4L60-E/4L65-E/4L70-E
🢒 Automatic Transmission Controls Schematics
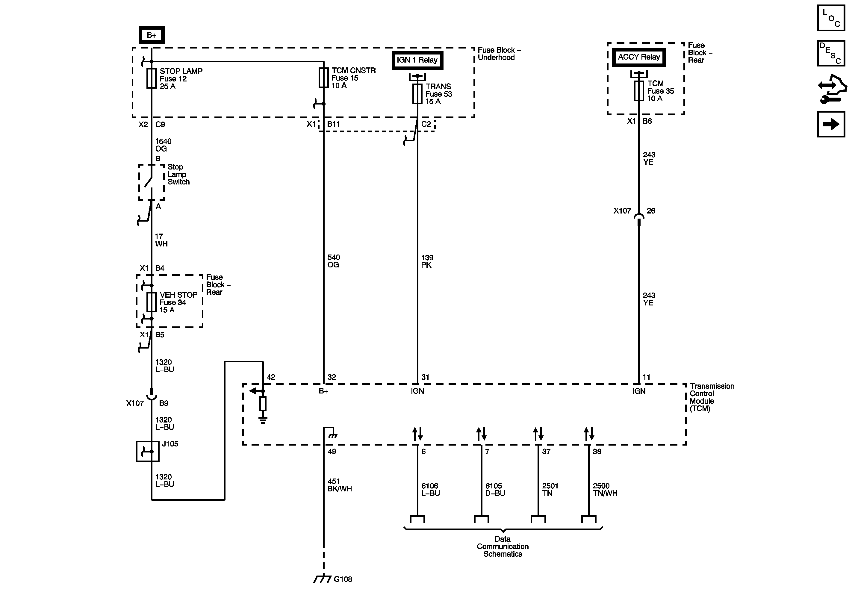
Figure
1:
Module Power, Ground, Serial Data, and Stop Lamp Switch
Master Electrical Component List
Transmission Component and System Description
Control Module References
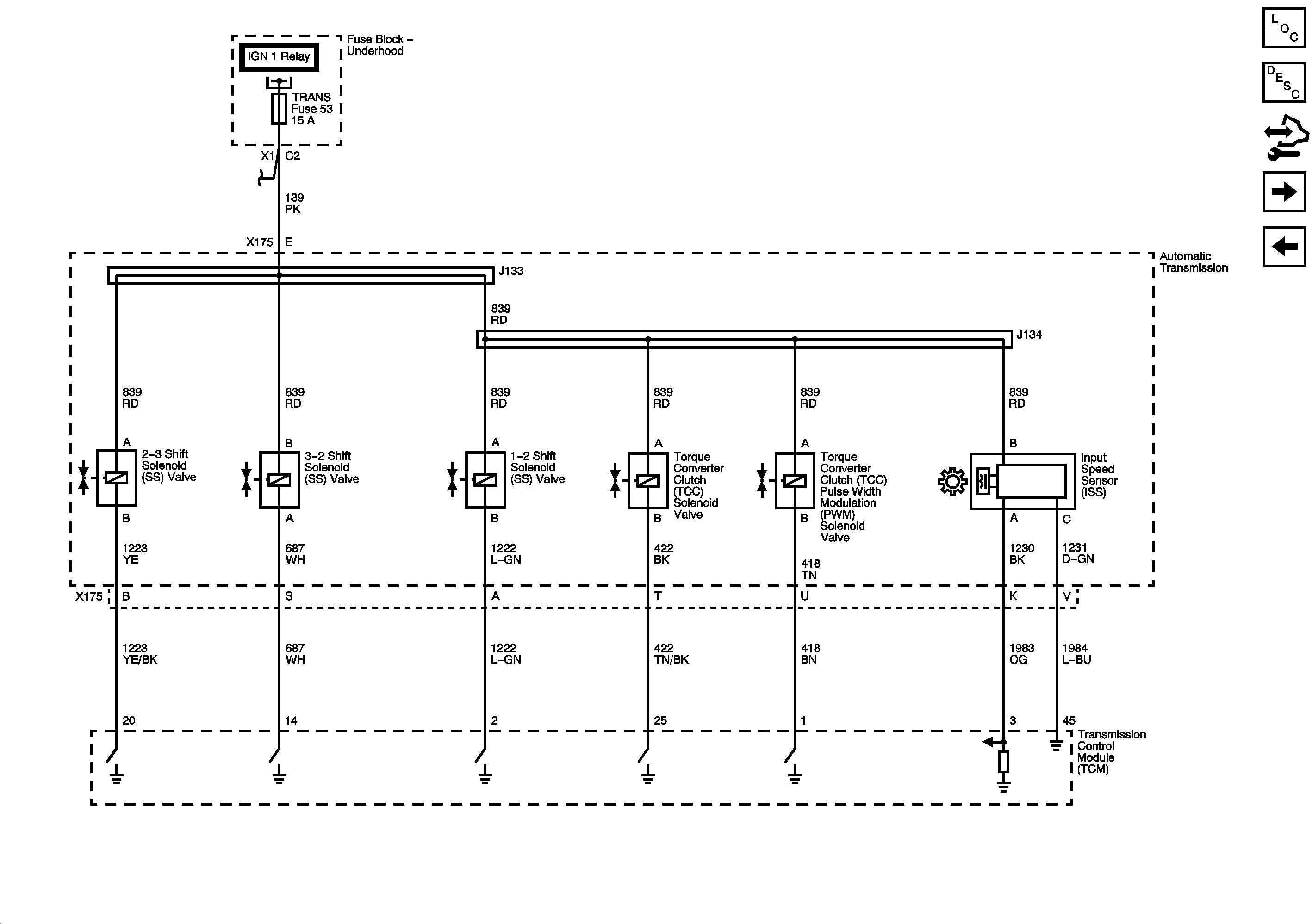
Transmission Controls
Shift Control and Stop Lamp Switch
Figure
2:
Transmission Controls
Master Electrical Component List
Transmission Component and System Description
Control Module References
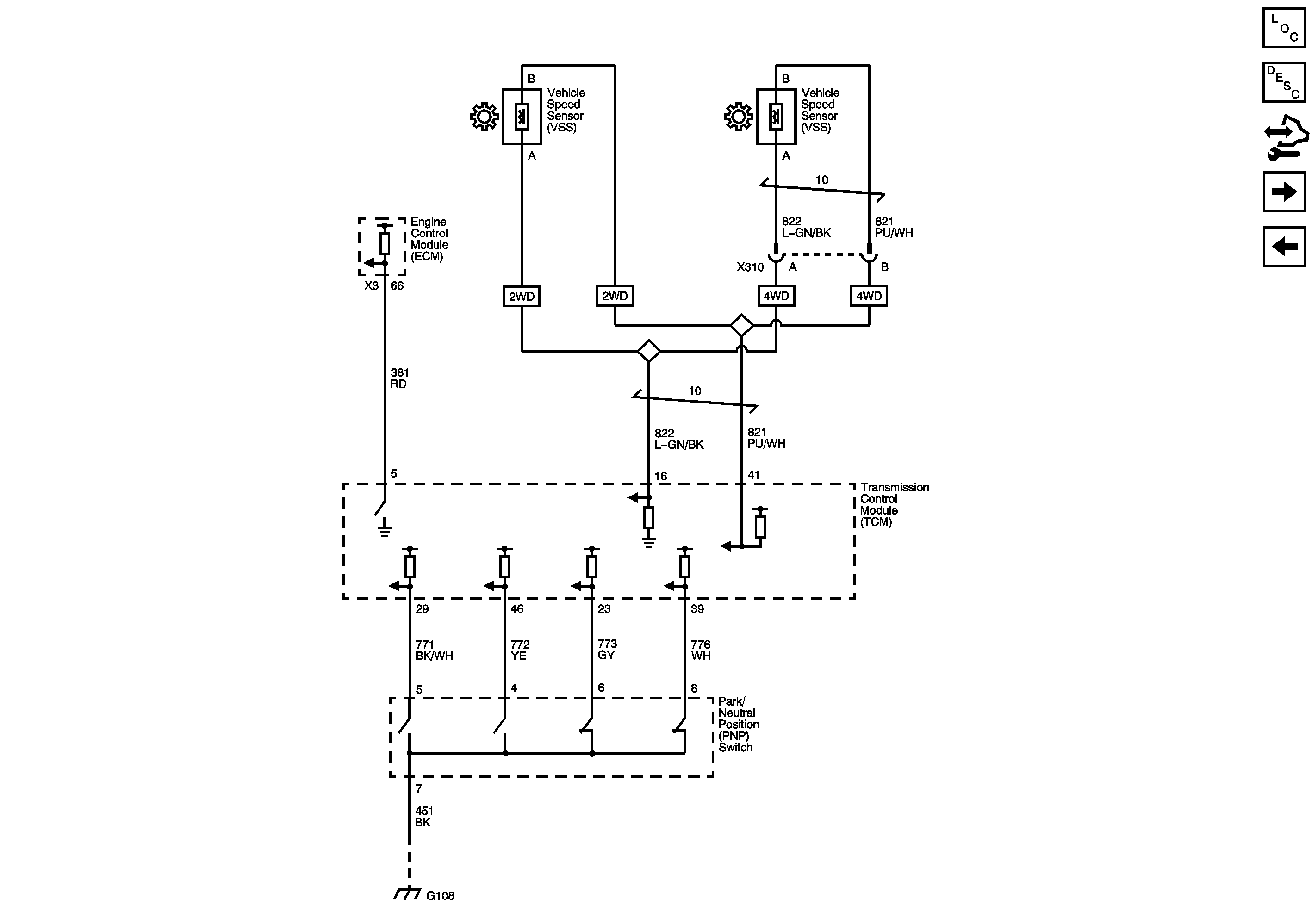
Pressure Controls, Temperature, and VSS
Module Power, Ground, Serial Data, and Stop Lamp Switch
Figure
3:
Shift Control and Stop Lamp Switch
Master Electrical Component List
Transmission Component and System Description
Control Module References
Module Power, Ground, Serial Data, and Stop Lamp Switch
Figure
4:
Pressure Controls, Temperature, and VSS
Master Electrical Component List
Transmission Component and System Description
Control Module References
Transmission Controls