GM Service Manual Online
For 1990-2009 cars only
Figure 1:

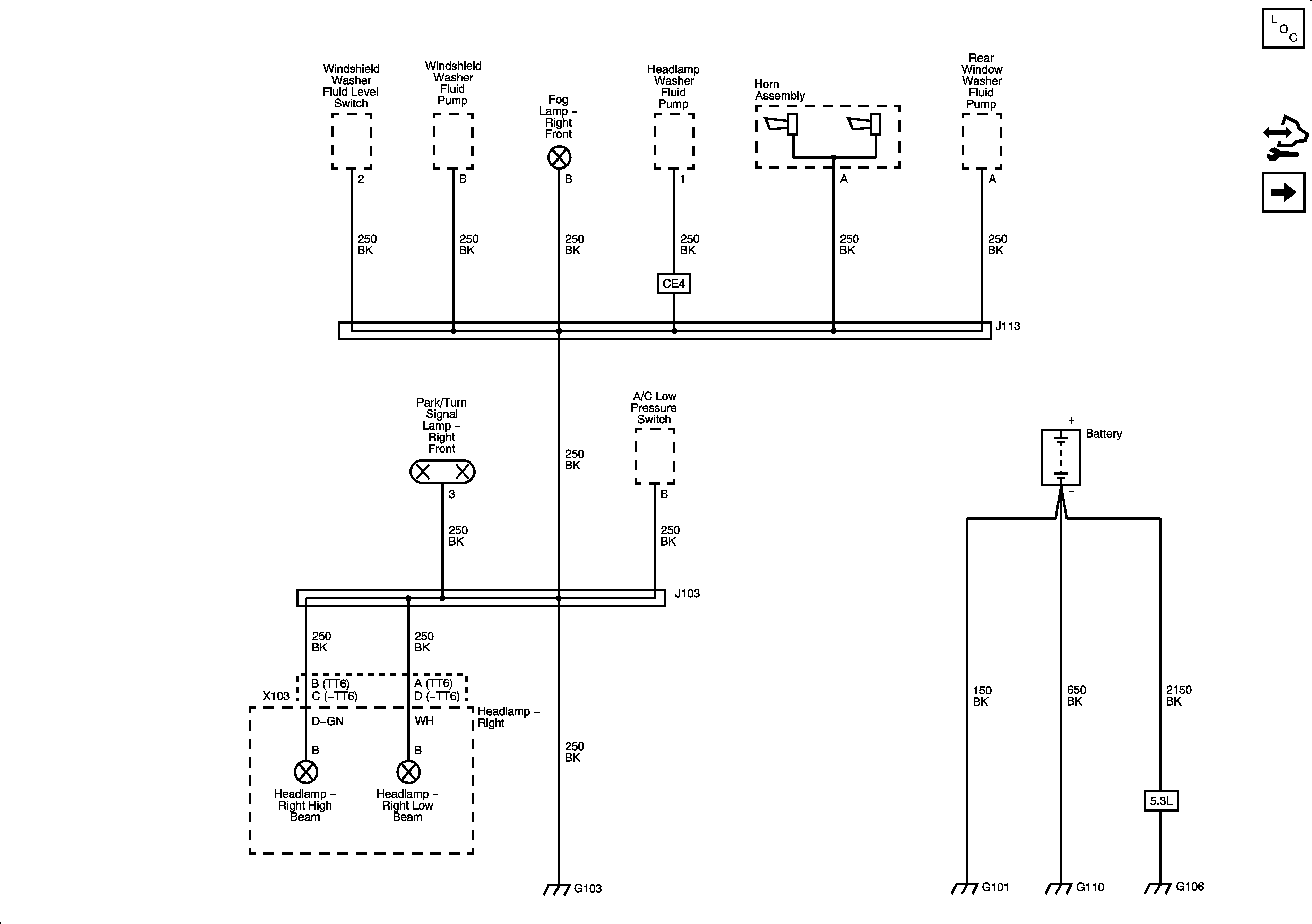
G101, G103, G106, and G110


Object Number: 1929554  Size: FS
Master Electrical Component List
Control Module References
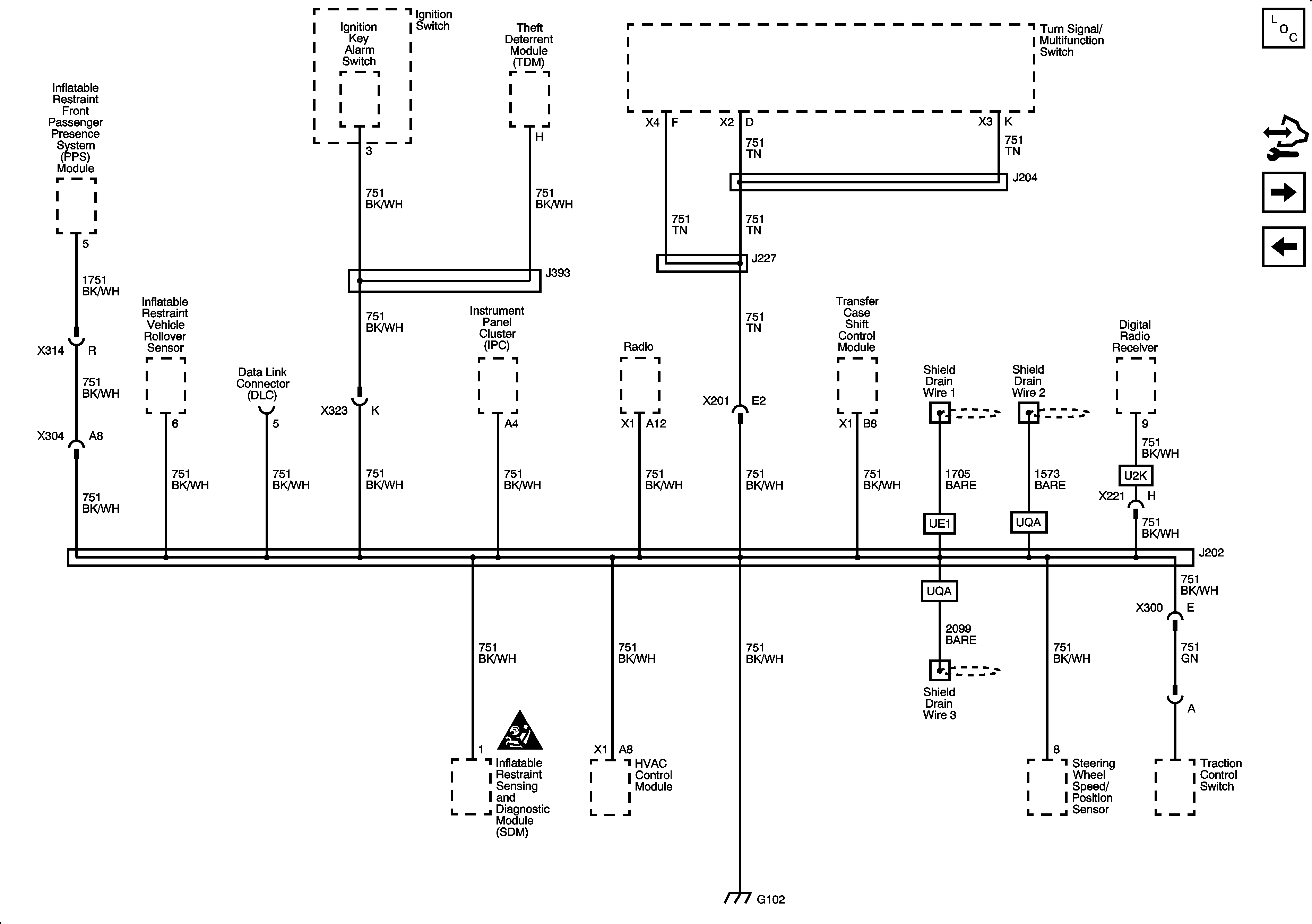
G102
Figure 2:

G102


Object Number: 1929573  Size: FS
Master Electrical Component List
Control Module References
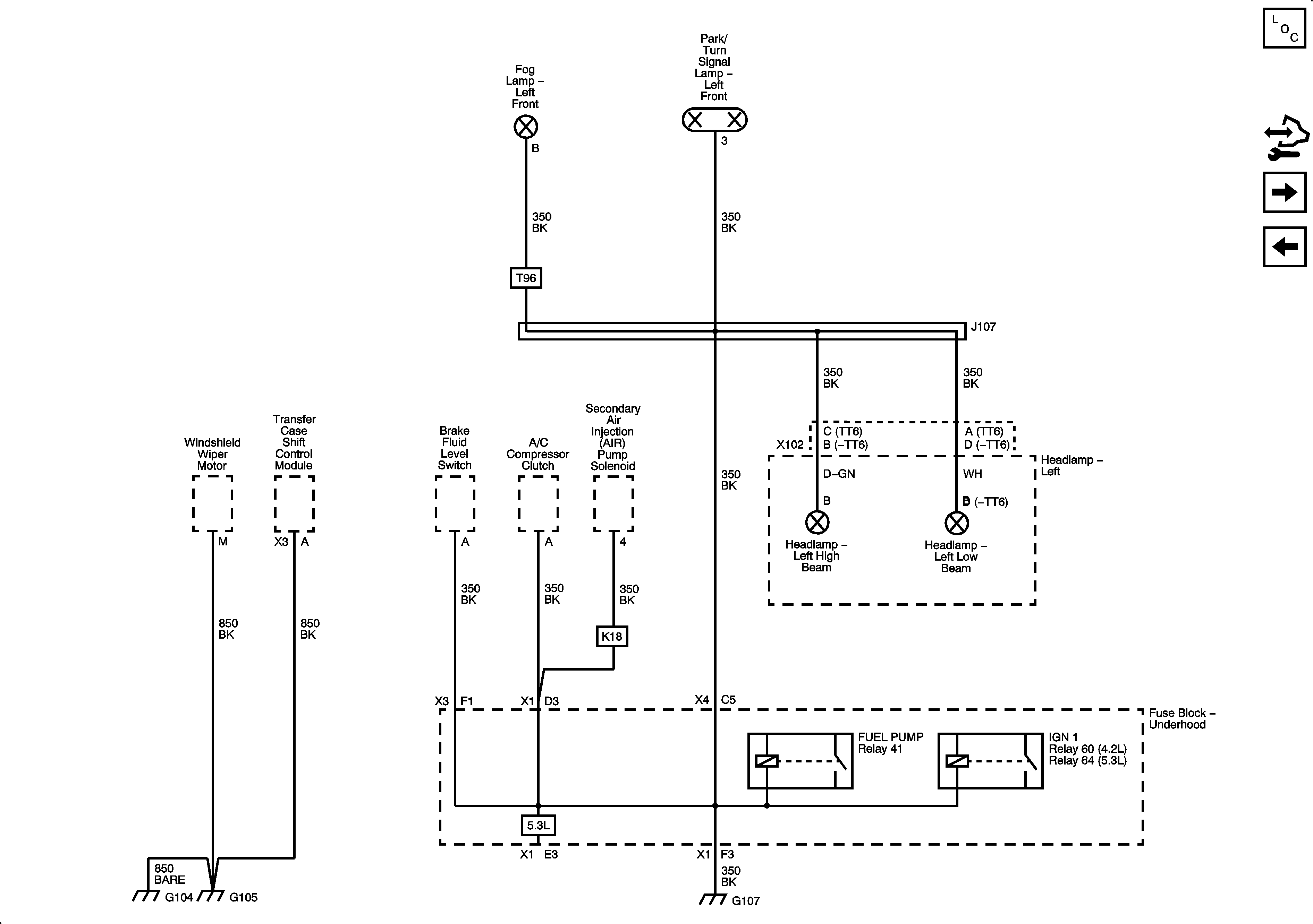
G104, G105, and G107
G101, G103, G106, and G110
Figure 3:

G104, G105, and G107


Object Number: 1929575  Size: FS
Master Electrical Component List
Control Module References
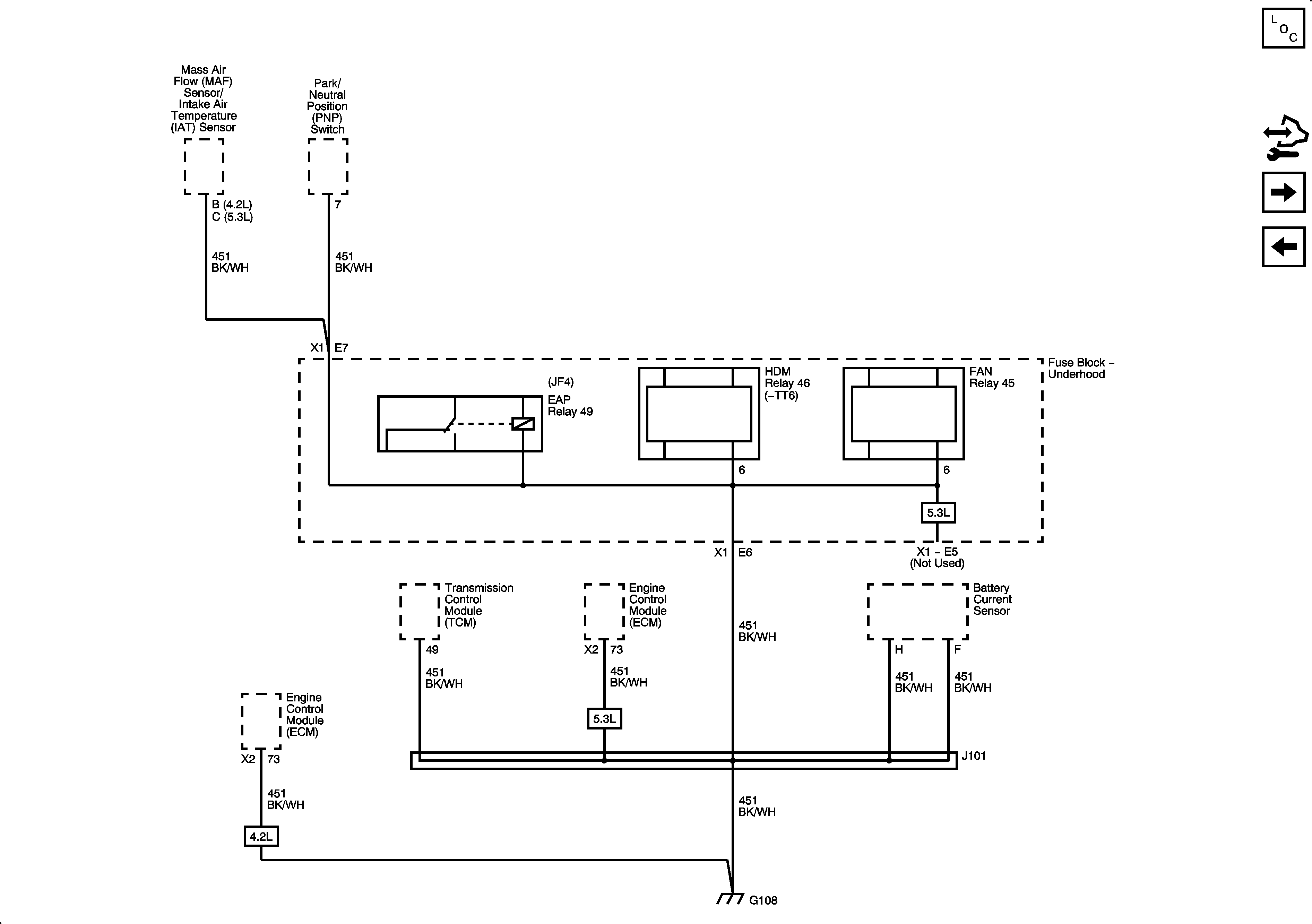
G108
G102
Figure 4:

G108


Object Number: 1929577  Size: FS
Master Electrical Component List
Control Module References
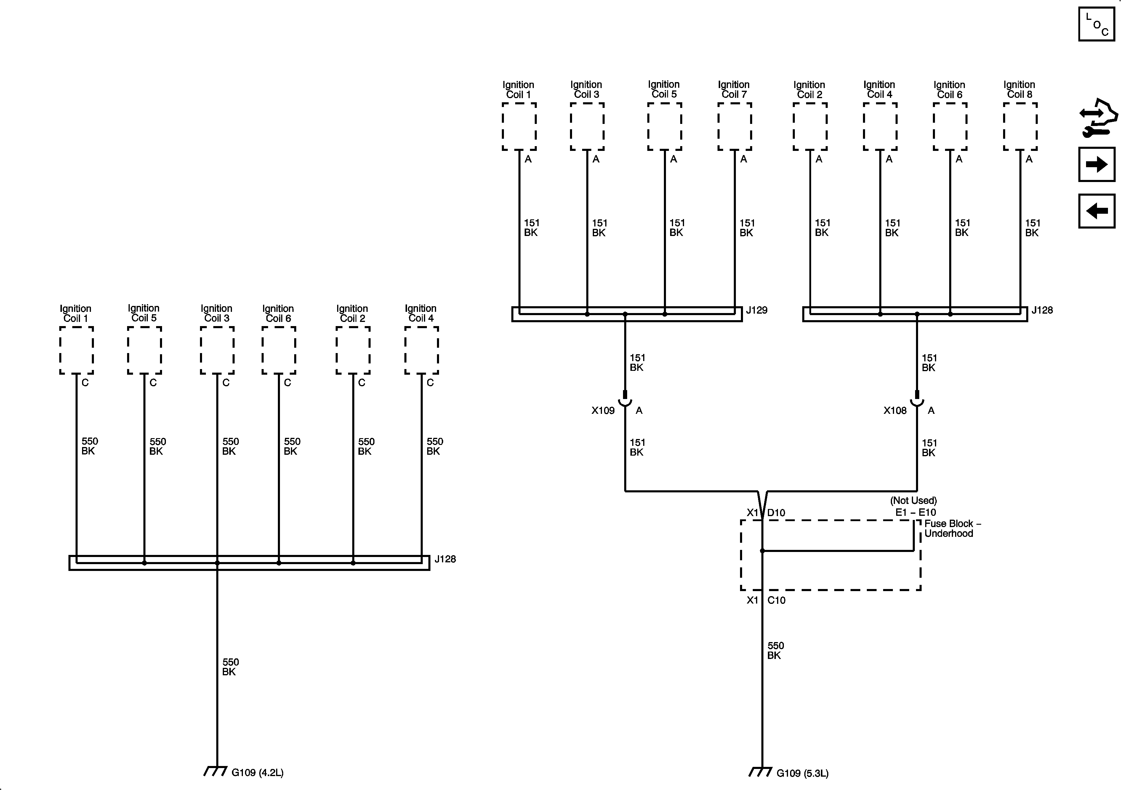
G109
G104, G105, and G107
Figure 5:

G109


Object Number: 1929579  Size: FS
Master Electrical Component List
Control Module References
G201 - 1 of 2
G108
Figure 6:

G201 - 1 of 2


Object Number: 1929581  Size: FS
Master Electrical Component List
Control Module References
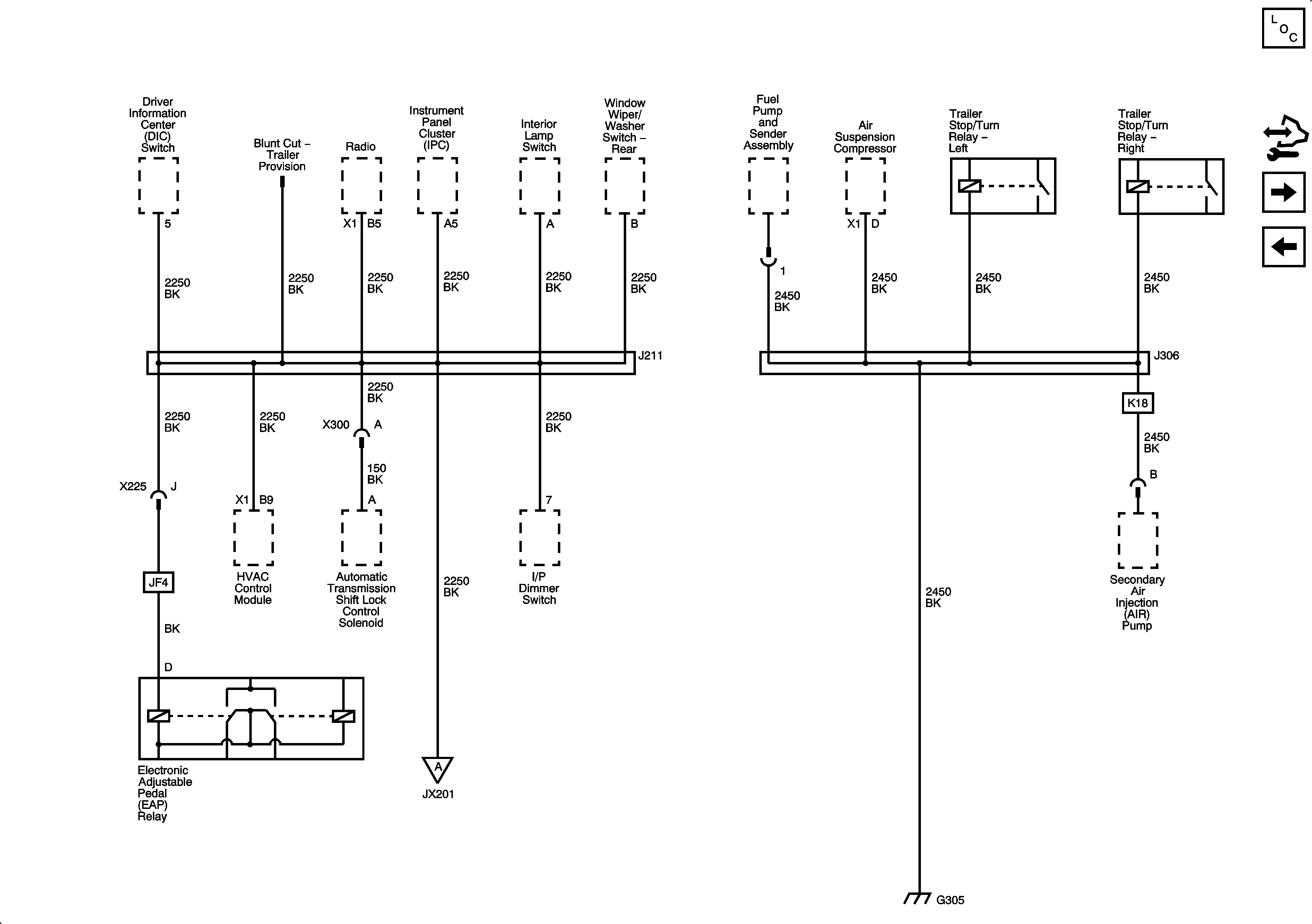
G201 - 2 of 2, and G305
G109
Figure 7:

G201 - 2 of 2, and G305


Object Number: 1929583  Size: FS
Master Electrical Component List
Control Module References
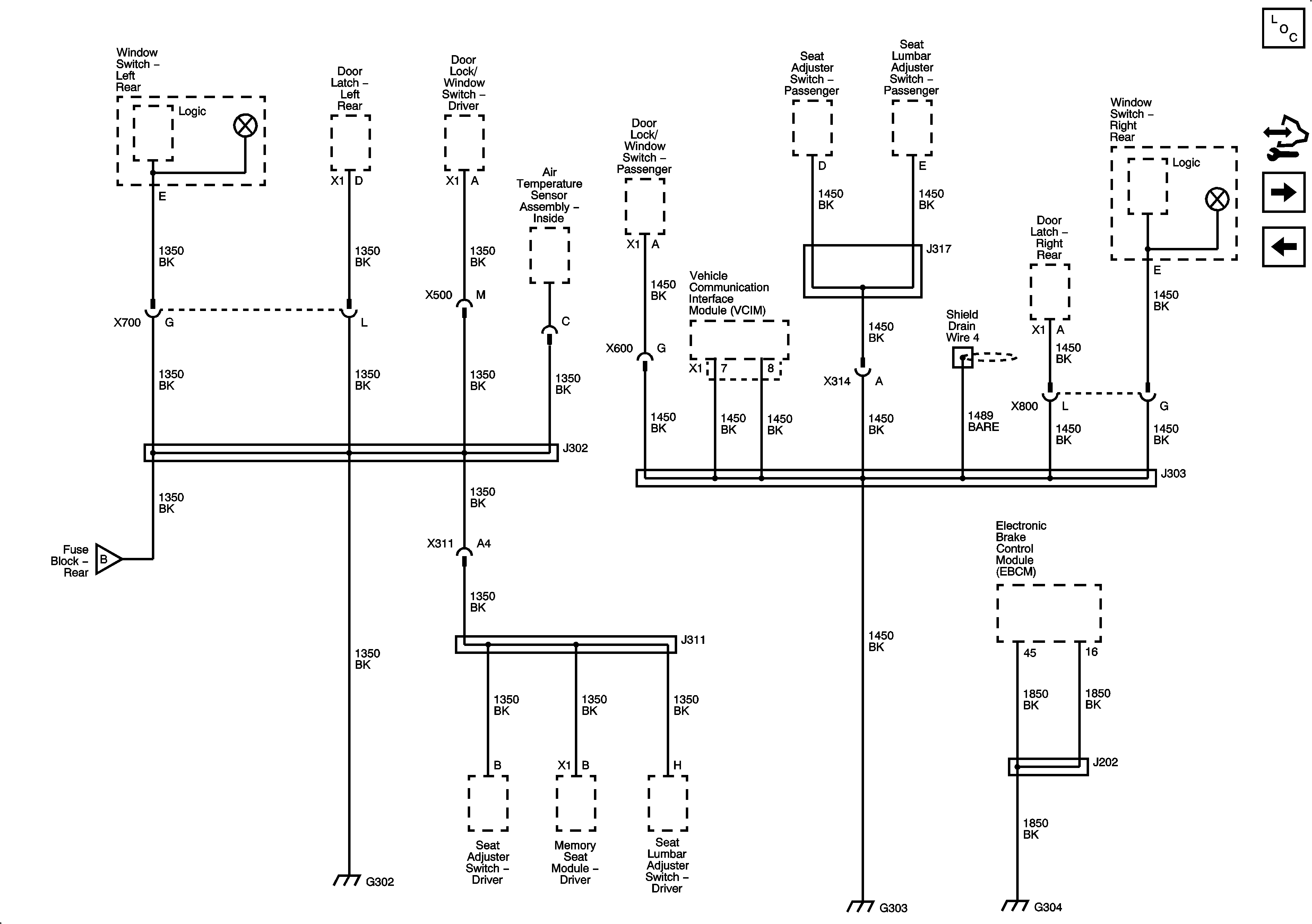
G302 - 1 of 2, G303, and G304
G201 - 1 of 2
Figure 8:

G302 - 1 of 2, G303, and G304


Object Number: 1929585  Size: FS
Master Electrical Component List
Control Module References
G302 - 2 of 2, and G308
G201 - 2 of 2, and G305
Figure 9:

G302 - 2 of 2, and G308


Object Number: 1929587  Size: FS
Master Electrical Component List
Control Module References
G401, G402, and G403
G302 - 1 of 2, G303, and G304
Figure 10:

G401, G402, and G403


Object Number: 1929589  Size: FS
Master Electrical Component List
Control Module References
G302 - 2 of 2, and G308