GM Service Manual Online
For 1990-2009 cars only
Figure 1:

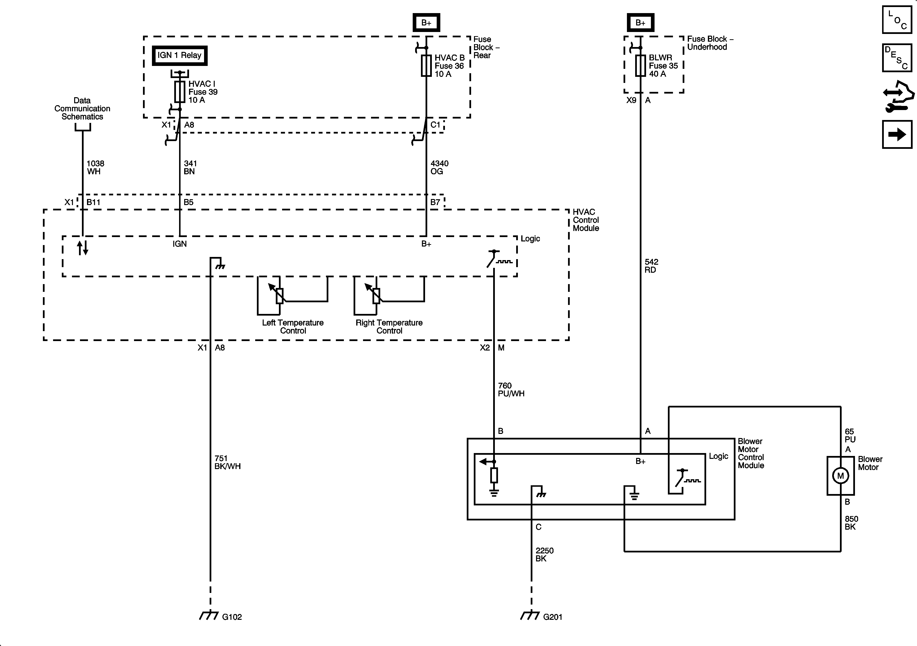
Module Power, Ground, Serial Data, and Blower Motor


Object Number: 1924829  Size: FS
Master Electrical Component List
Air Temperature Description and Operation
Control Module References
Compressor Controls
Figure 2:

Compressor Controls


Object Number: 1924837  Size: FS
Master Electrical Component List
Air Temperature Description and Operation
Control Module References
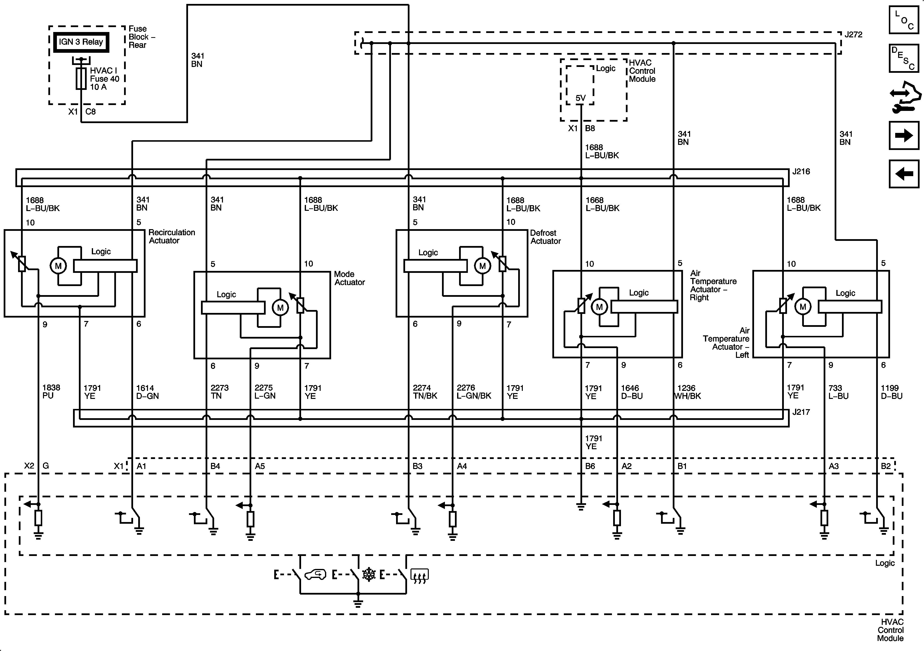
Air Delivery/Temperature Actuators
Module Power, Ground, Serial Data, and Blower Motor
Figure 3:

Air Delivery/Temperature Actuators


Object Number: 1924844  Size: FS
Master Electrical Component List
Air Delivery Description and Operation
Control Module References
Air Temperature Sensors
Compressor Controls
Figure 4:

Air Temperature Sensors


Object Number: 1924849  Size: FS
Master Electrical Component List
Air Temperature Description and Operation
Control Module References
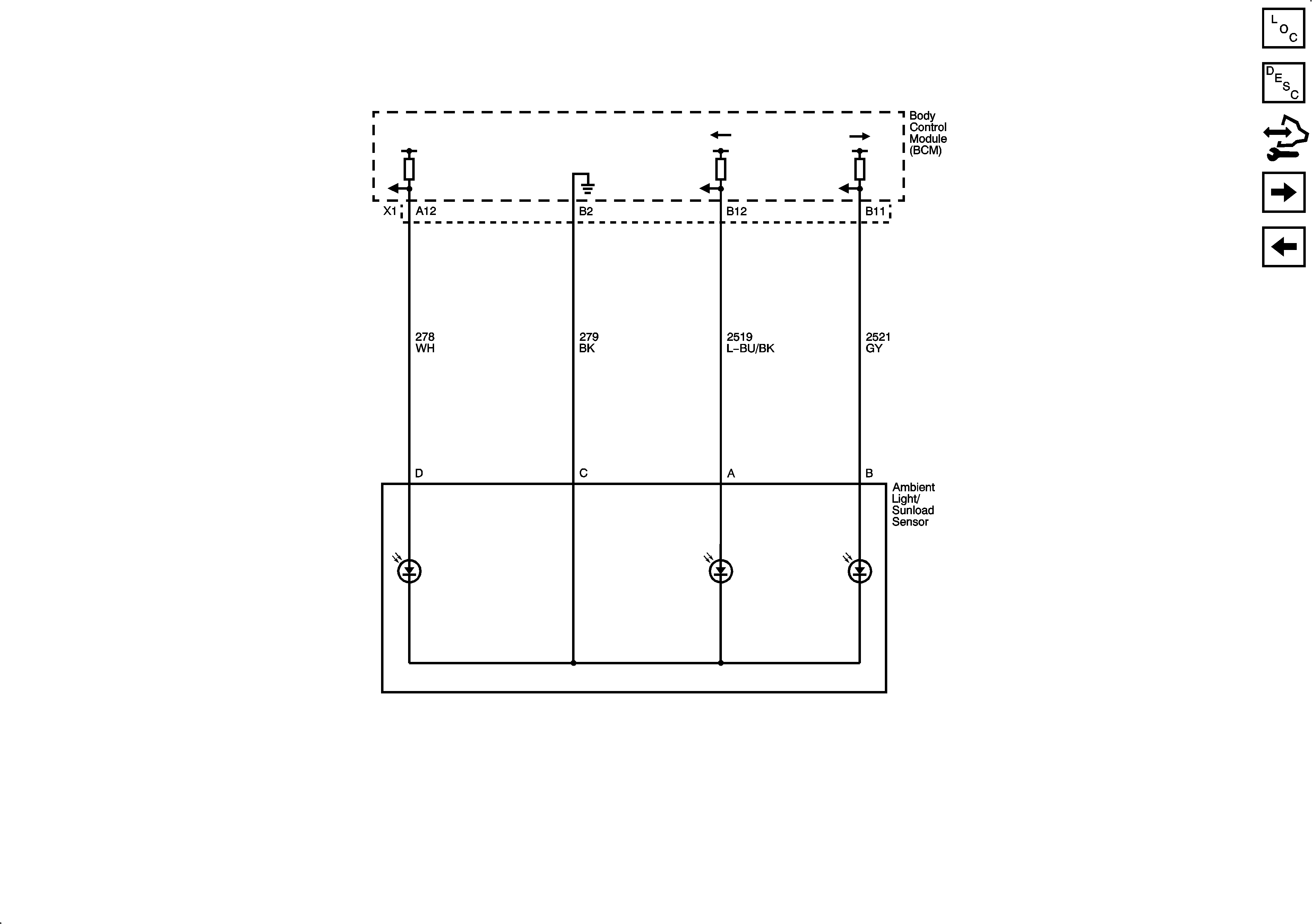
Ambient Light/Sunload Sensor
Air Delivery/Temperature Actuators
Figure 5:

Ambient Light/Sunload Sensor


Object Number: 1924854  Size: FS
Master Electrical Component List
Air Temperature Description and Operation
Control Module References
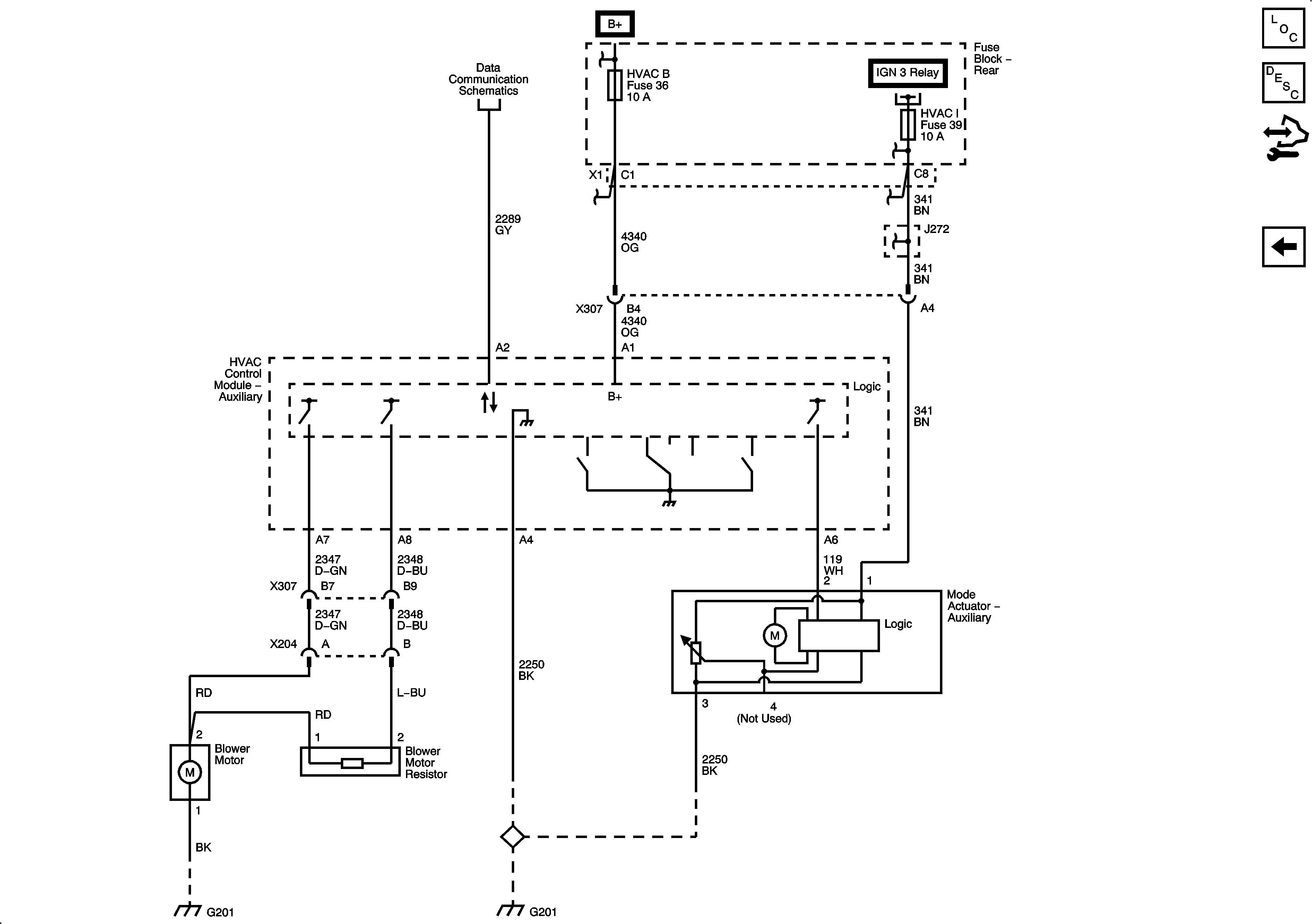
Rear Auxiliary Controls
Air Temperature Sensors
Figure 6:

Rear Auxiliary Controls


Object Number: 1924860  Size: FS
Master Electrical Component List
Air Delivery Description and Operation
Control Module References
Ambient Light/Sunload Sensor