GM Service Manual Online
For 1990-2009 cars only
Makes
🢒
Saab
🢒
2008
🢒
9-7x
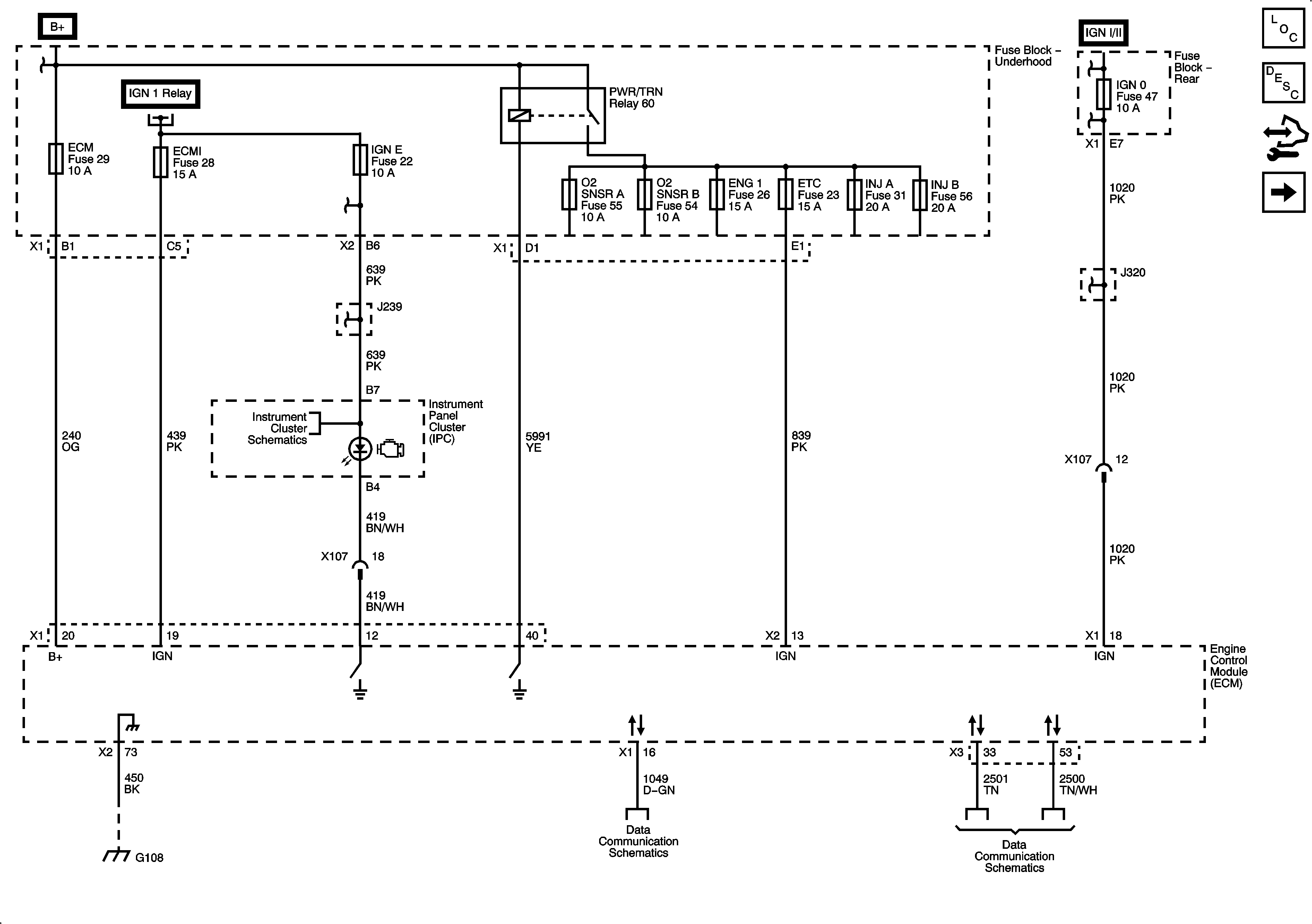
🢒 Module Power, Grounds, Serial Data, and MIL
Module Power, Grounds, Serial Data, and MIL
Module Power, Grounds, Serial Data, and MIL
Master Electrical Component List
Engine Control Module Description
Control Module References
Ignition Controls - Ignition System Coils 2, 4 and 6