GM Service Manual Online
For 1990-2009 cars only
Makes
🢒
Saab
🢒
2008
🢒
9-7x
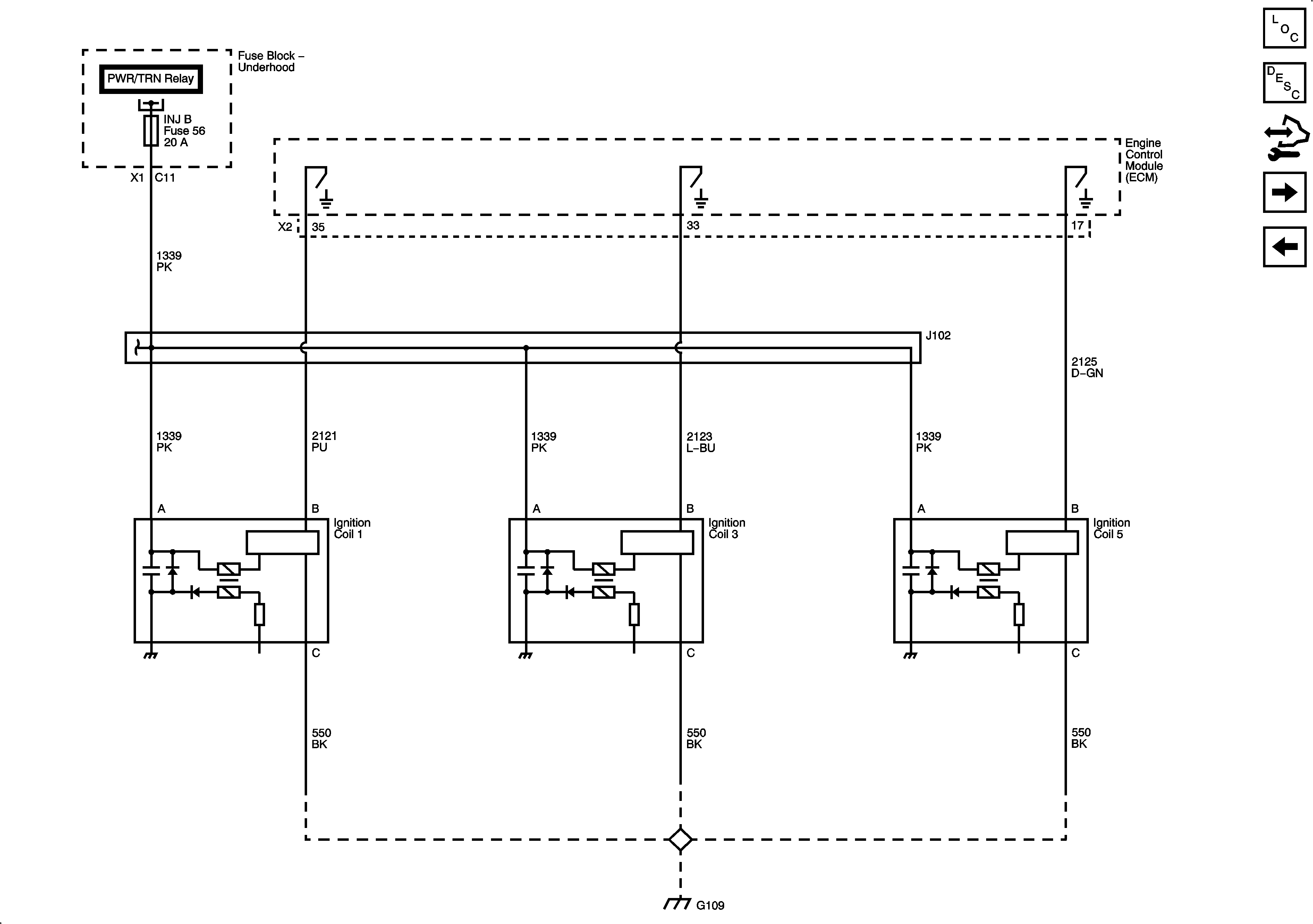
🢒 Ignition Controls - Ignition System Coils 1, 3 and 5
Ignition Controls - Ignition System Coils 1, 3 and 5
Ignition Controls - Ignition System Coils 1, 3 and 5
Master Electrical Component List
Electronic Ignition (EI) System Description
Control Module References
Ignition Controls - Sensors
Engine Data Sensors - Throttle Actuator Controls