GM Service Manual Online
For 1990-2009 cars only
Figure 1:

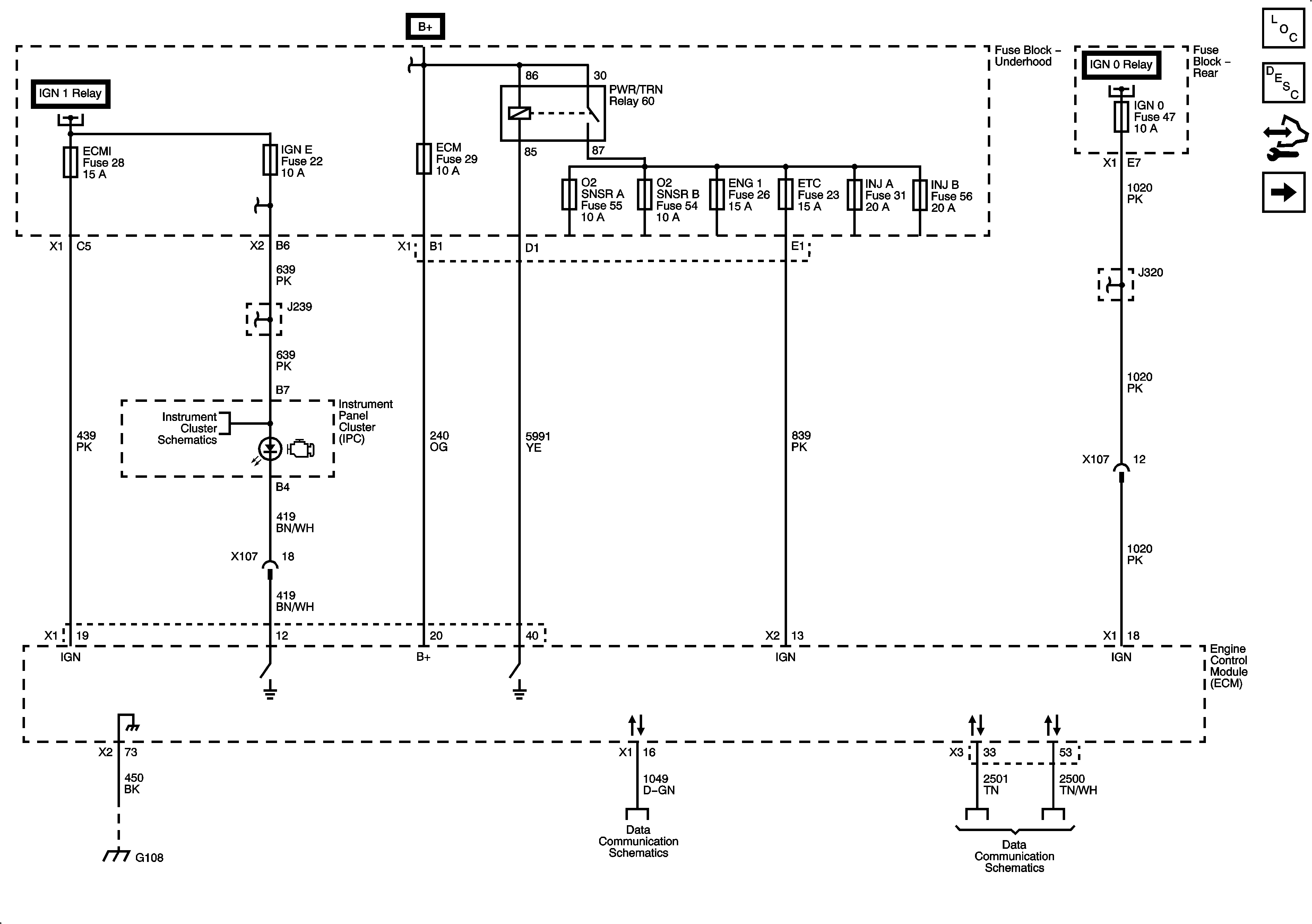
Module Power, Grounds, Serial Data, and MIL


Object Number: 2081817  Size: FS
Figure 2:

Engine Data Sensors - 5-Volt and Low Reference


Object Number: 2081822  Size: FS
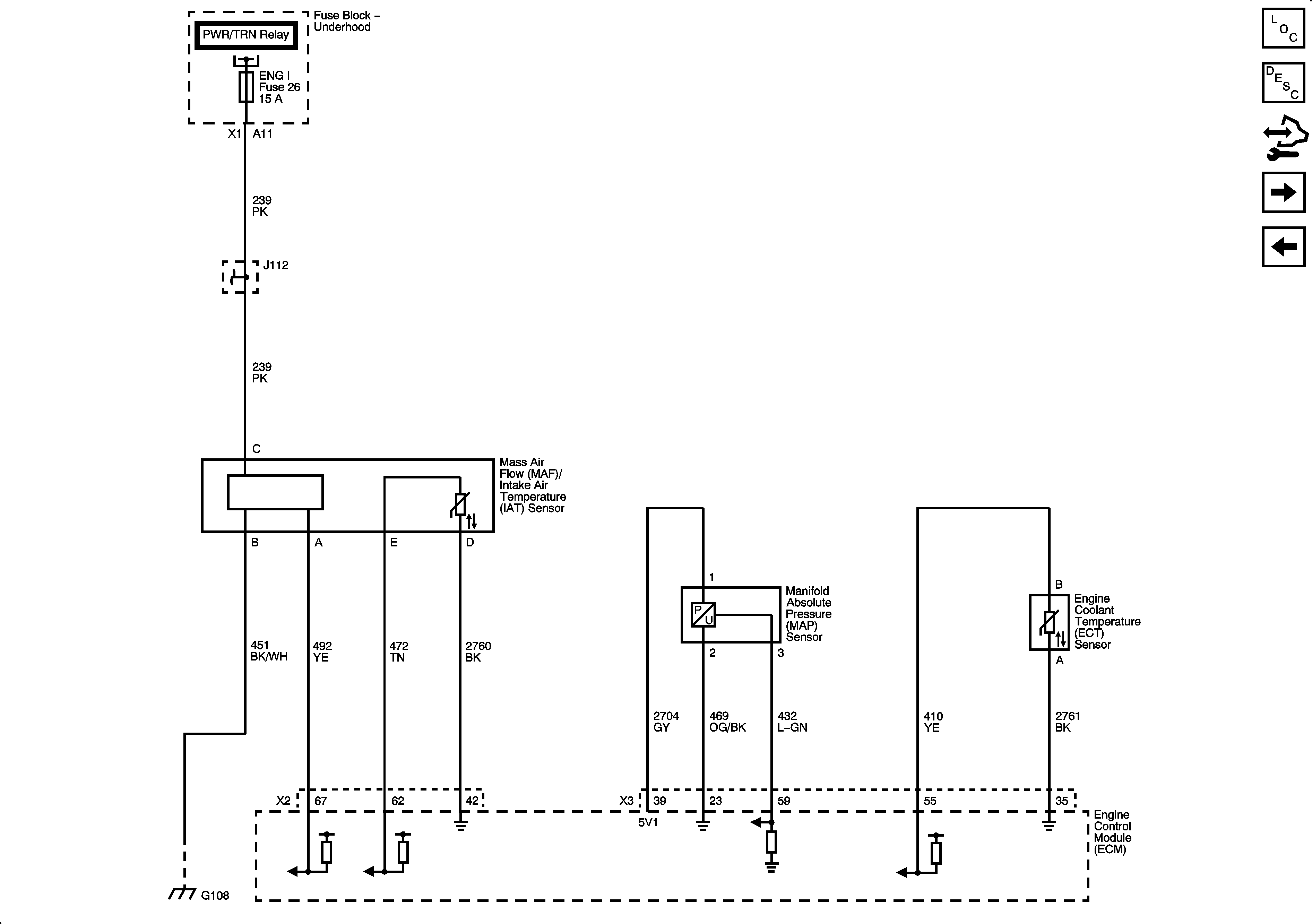
Figure 3:

Engine Data Sensors - MAF, Pressure and Temperature


Object Number: 2081825  Size: FS
Figure 4:

Engine Data Sensors - Oxygen Sensors


Object Number: 2081828  Size: FS
Figure 5:

Engine Data Sensors - Electronic Throttle Actuator Controls


Object Number: 2081831  Size: FS
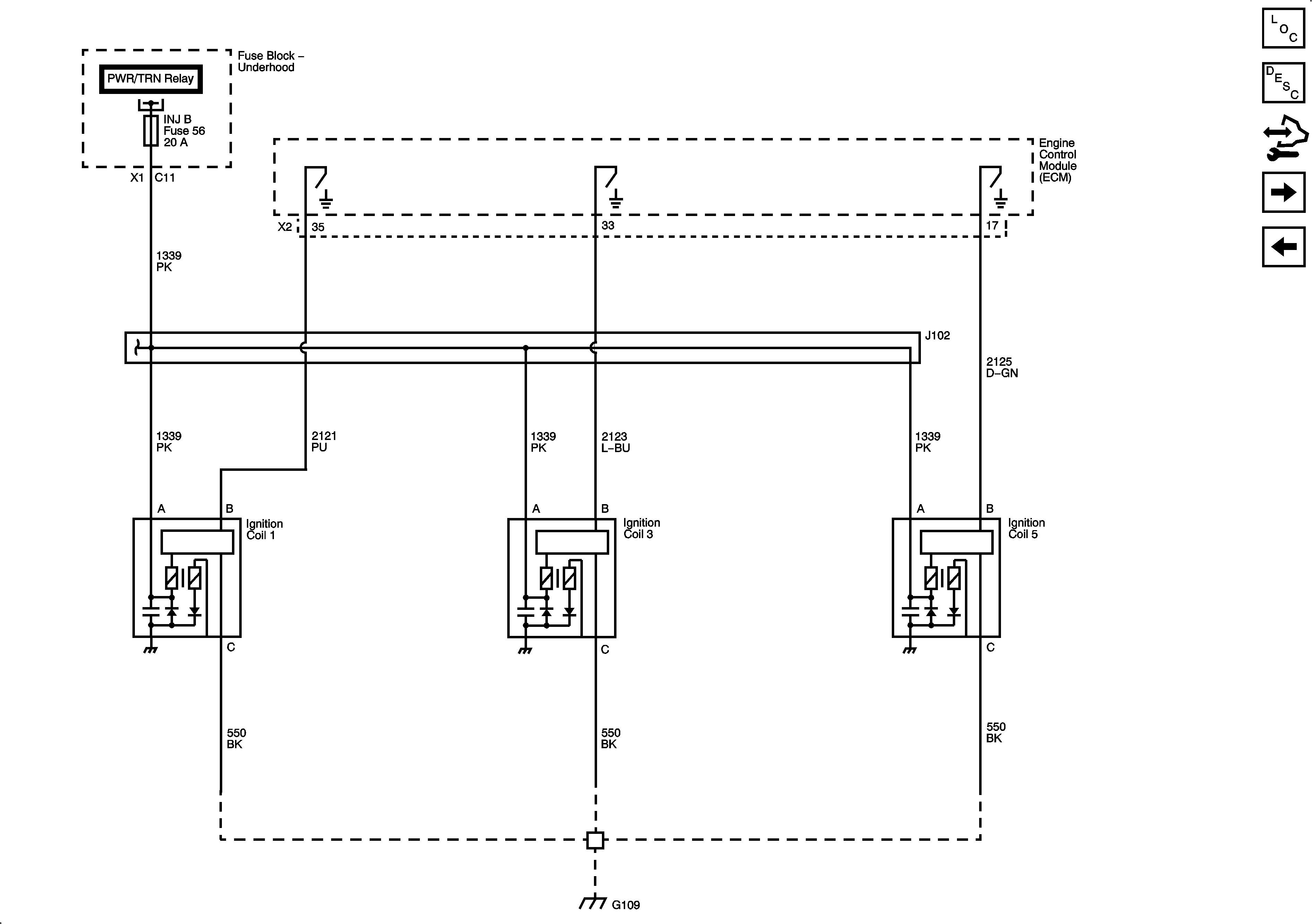
Figure 6:

Ignition Controls - Ignition Coils 1, 3 and 5


Object Number: 2081833  Size: FS
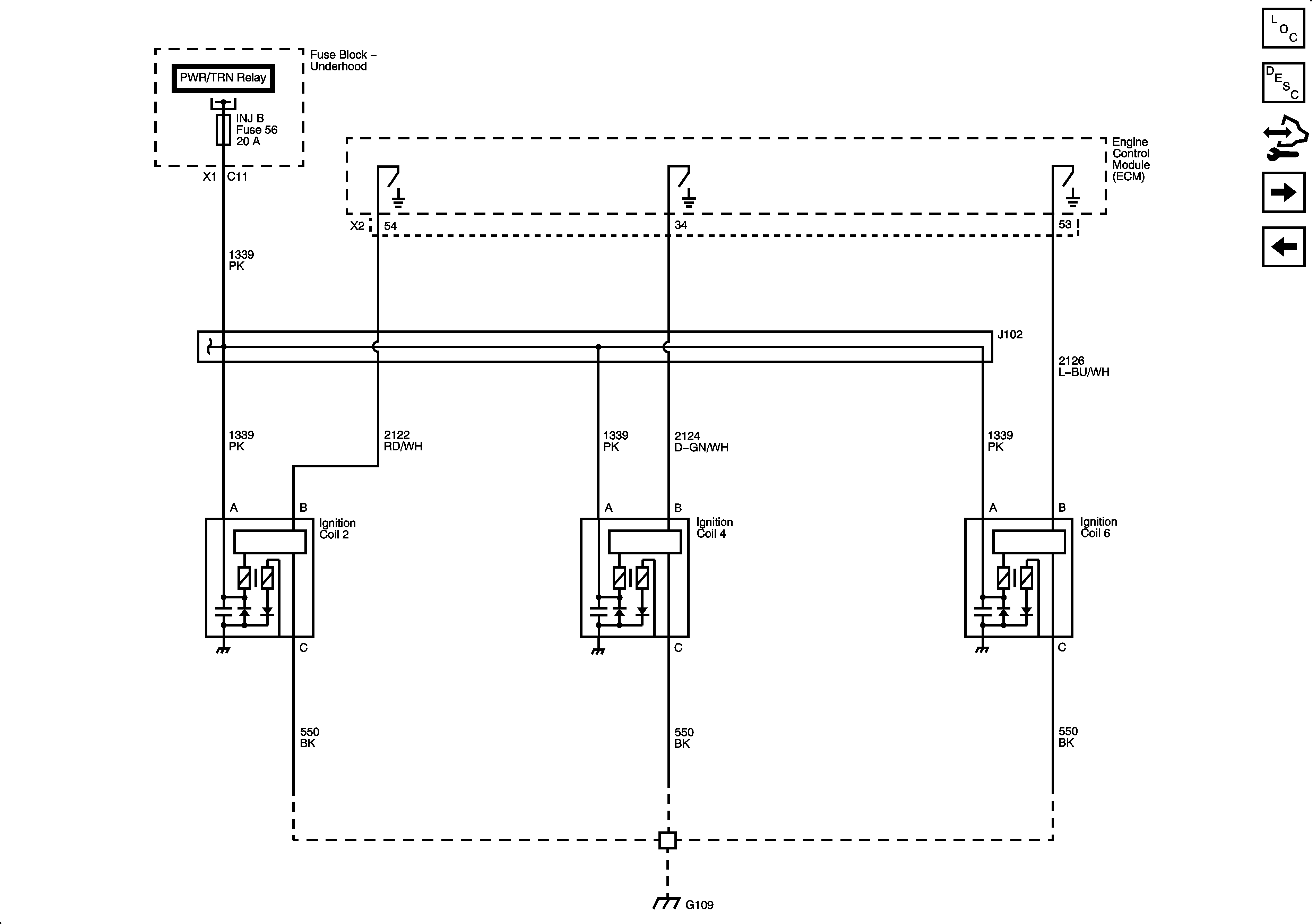
Figure 7:

Ignition Controls - Ignition Coils 2, 4 and 6


Object Number: 2081818  Size: FS
Figure 8:

Ignition Controls - Sensors


Object Number: 2081838  Size: FS
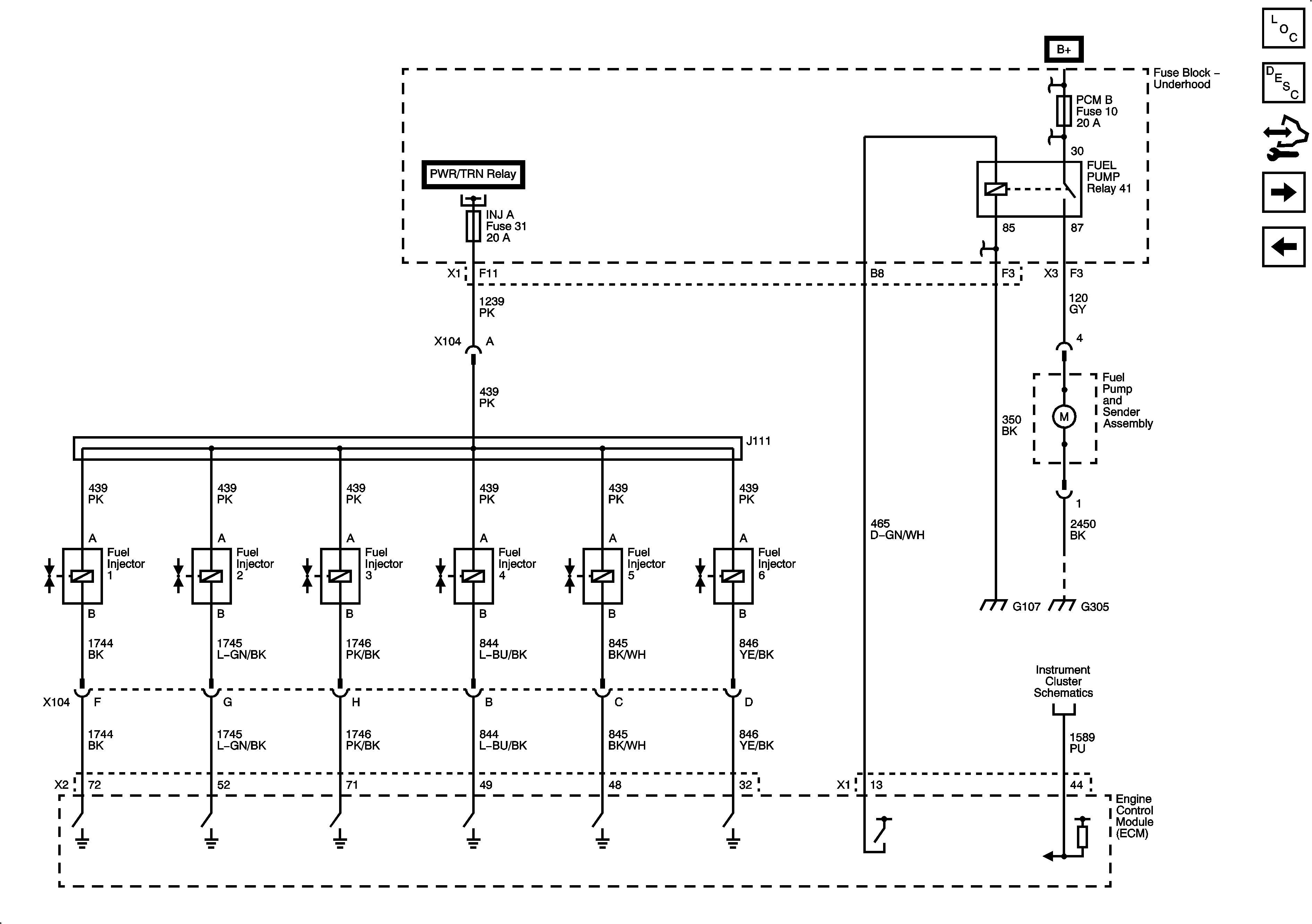
Figure 9:

Fuel Controls - Fuel Pump and Fuel Injectors


Object Number: 2081840  Size: FS
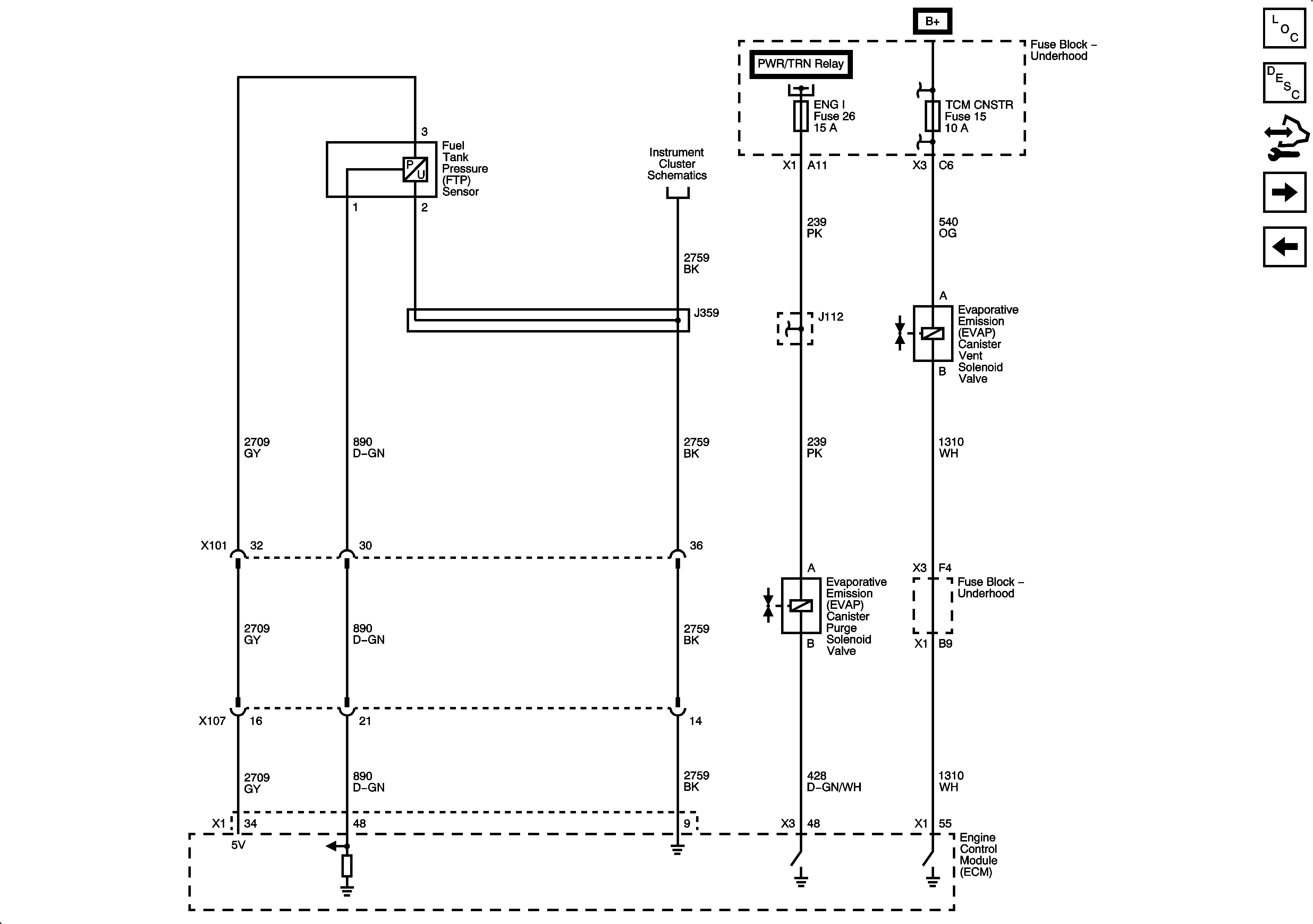
Figure 10:

Fuel Controls - EVAP Controls


Object Number: 2081854  Size: FS
Figure 11:

Device Controls - K18


Object Number: 2081857  Size: FS
Figure 12:

Controlled/Monitored Subsystem References


Object Number: 2081860  Size: FS