GM Service Manual Online
For 1990-2009 cars only
Makes
🢒
Saab
🢒
2009
🢒
9-7x
🢒
Body Systems
🢒
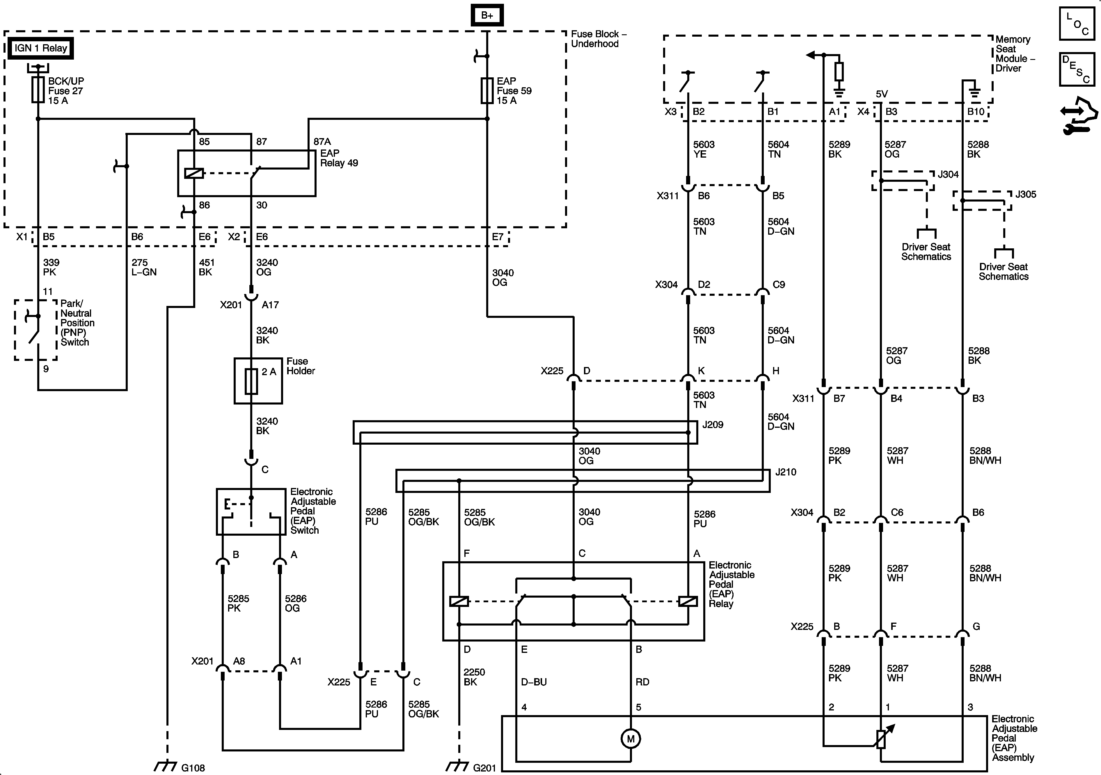
Adjustable Pedals
🢒 Adjustable Pedal Schematics