GM Service Manual Online
For 1990-2009 cars only
Makes
🢒
Saab
🢒
2009
🢒
9-7x
🢒
Body Systems
🢒
Fixed and Moveable Windows
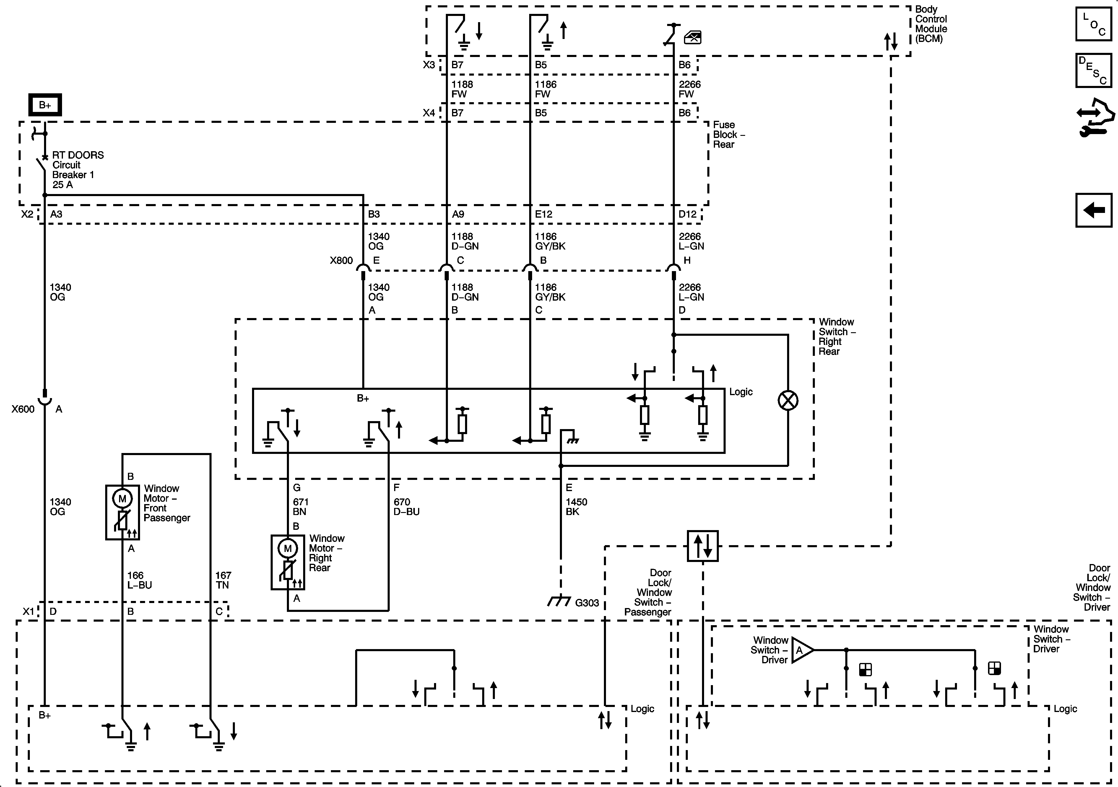
🢒 Moveable Window Schematics
Figure
1:
Power Windows - Left
Figure
2:
Power Windows - Right