GM Service Manual Online
For 1990-2009 cars only
Figure 1:

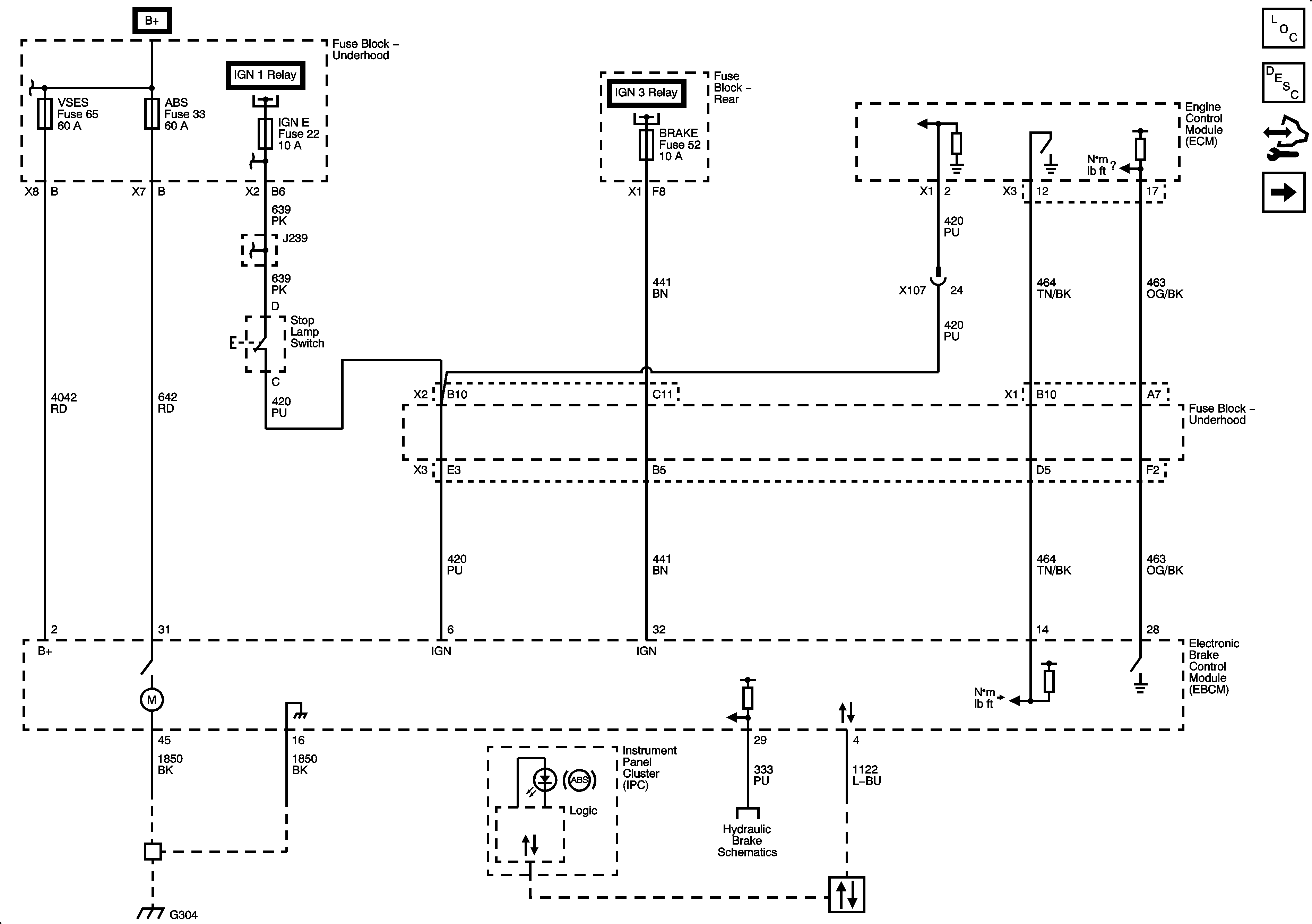
EBCM Power, Ground, Serial Data, Indicator, and Signal Circuits


Object Number: 2081667  Size: FS
Figure 2:

Wheel Speed Sensors and Yaw Rate/Lateral Acceleration Sensor


Object Number: 2081671  Size: FS
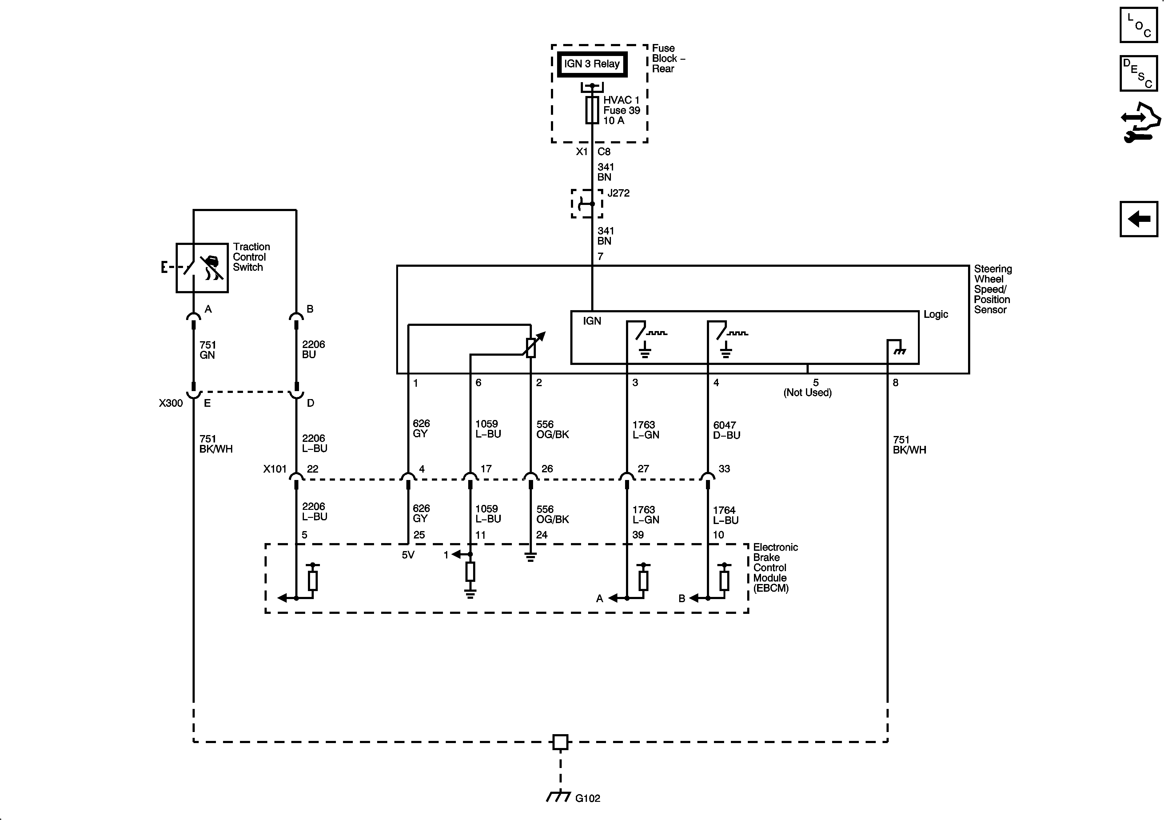
Figure 3:

Steering Wheel Speed/Position Sensor and Traction Control Switch


Object Number: 2081674  Size: FS