GM Service Manual Online
For 1990-2009 cars only
Makes
🢒
Saab
🢒
2009
🢒
9-7x
🢒
Transmission
🢒
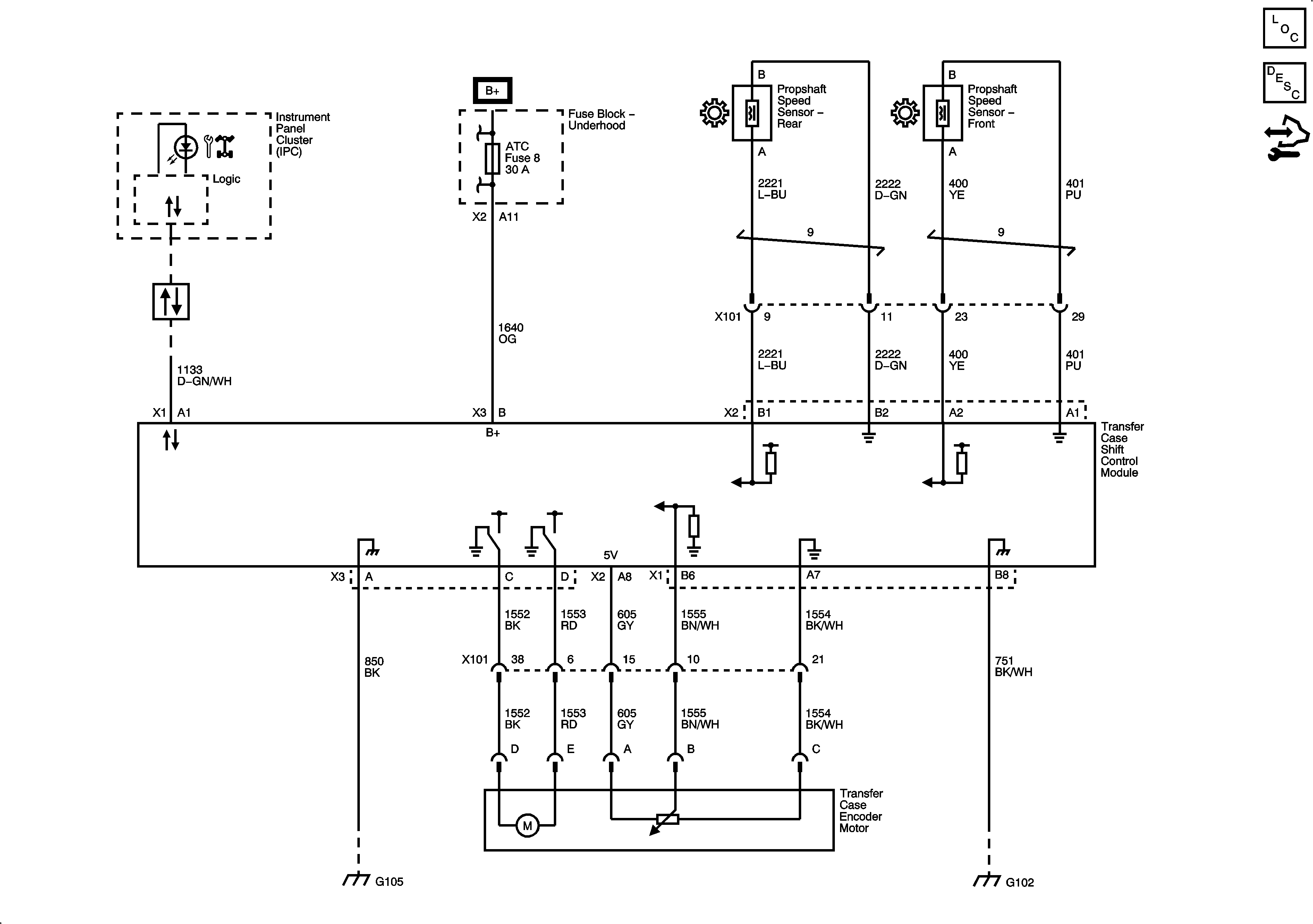
Transfer Case - NVG 126-NP4
🢒 Transfer Case Control Schematics