GM Service Manual Online
For 1990-2009 cars only

Air Cleaner Outlet Duct Replacement 1st Design

Removal Procedure


    Object Number: 1890368  Size: SH
  1. Remove the intake manifold cover. Refer to Intake Manifold Cover Replacement .
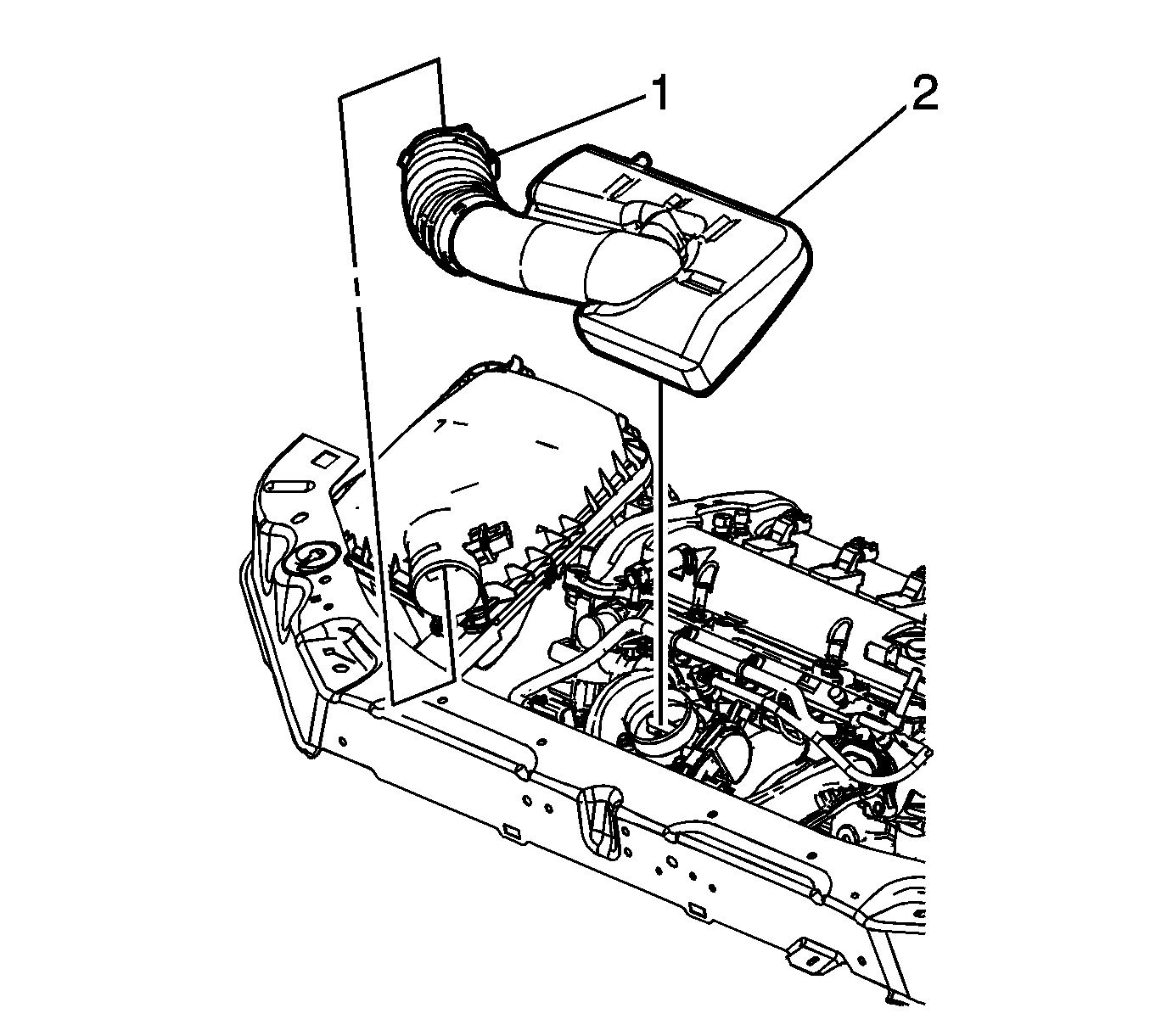
  2. Reposition the positive crankcase ventilation (PCV) hose clamp (2) at the outlet duct.
  3. Remove the PCV hose (1) from the air cleaner outlet duct.

  4. Object Number: 1890369  Size: SH
  5. Loosen the air cleaner outlet duct clamp (1) at the throttle body.

  6. Object Number: 1890373  Size: SH
  7. Loosen the air cleaner outlet duct clamp (1) at the air cleaner assembly.
  8. Remove the air cleaner outlet duct (2) from the air cleaner and the throttle body.

Installation Procedure


    Object Number: 1890373  Size: SH
  1. Install the air cleaner outlet duct (2) to the air cleaner and the throttle body.
  2. Notice: Refer to Fastener Notice in the Preface section.

  3. Tighten the air cleaner outlet duct clamp (1) at the air cleaner assembly.
  4. Tighten
    Tighten the clamp to 4 N·m (35 lb in).


    Object Number: 1890369  Size: SH
  5. Tighten the air cleaner outlet duct clamp (1) at the throttle body.
  6. Tighten
    Tighten the clamp to 4 N·m (35 lb in).


    Object Number: 1890368  Size: SH
  7. Install the PCV hose (1) to the air cleaner outlet duct.
  8. Position the PCV hose clamp (2) at the outlet duct.
  9. Install the intake manifold cover. Refer to Intake Manifold Cover Replacement .