GM Service Manual Online
For 1990-2009 cars only

Upper to Lower Intake Manifold Disassemble Procedure


    Object Number: 1849008  Size: SH

    Important: Do not reuse the upper-to-lower intake manifold gasket and the intake manifold-to-cylinder head sealing gaskets.

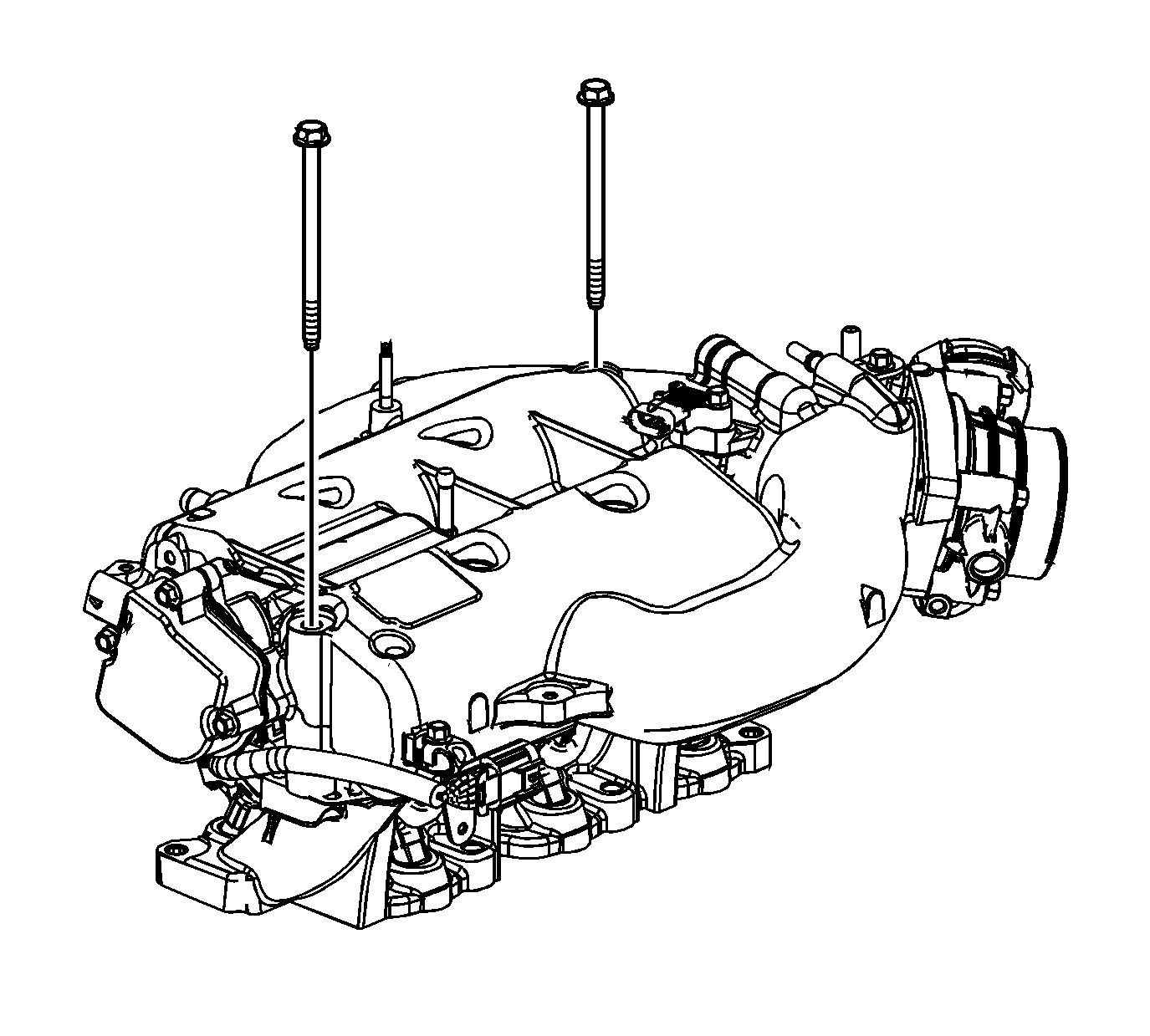
  1. Remove the upper-to-lower intake manifold bolts.

  2. Object Number: 1849010  Size: SH
  3. Remove the fuel rail feed hose bracket bolt from the upper intake manifold.

  4. Object Number: 1849012  Size: SH
  5. Remove the fuel injector wiring harness bracket bolt from the upper intake manifold.

  6. Object Number: 1849015  Size: SH
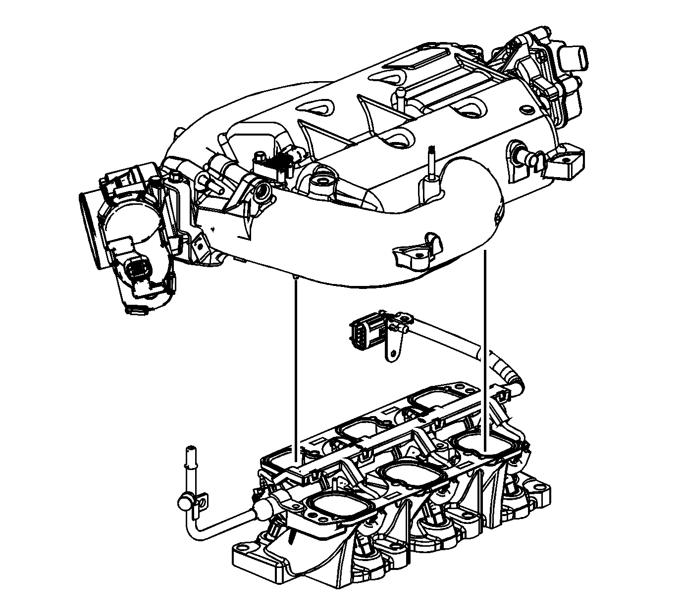
  7. Remove the upper intake manifold from the lower intake manifold.

  8. Object Number: 1849016  Size: SH
  9. Remove and discard the upper-to-lower intake manifold gaskets.

Upper Intake Manifold Disassemble Procedure


    Object Number: 1849017  Size: SH
  1. Remove the fuel rail support bracket bolt.

  2. Object Number: 1849018  Size: SH
  3. Remove the fuel rail support bracket.

  4. Object Number: 1849024  Size: SH
  5. Remove the manifold absolute pressure (MAP) sensor bolt.

  6. Object Number: 1849019  Size: SH
  7. Remove the MAP sensor.

  8. Object Number: 1849020  Size: SH
  9. Remove the throttle body bolts.

  10. Object Number: 1849022  Size: SH
  11. Remove the throttle body.

  12. Object Number: 1849023  Size: SH
  13. Remove and discard the throttle body gasket.

  14. Object Number: 1849026  Size: SH
  15. Remove the intake manifold tuning valve bolts.

  16. Object Number: 1849027  Size: SH
  17. Remove the intake manifold tuning valve.

  18. Object Number: 1849029  Size: SH
  19. Remove and discard the intake manifold tuning valve O-ring.

  20. Object Number: 1849031  Size: SH
  21. Remove the fuel injector sight shield ballstud.

Lower Intake Manifold Disassemble Procedure


    Object Number: 1849041  Size: SH
  1. Remove the fuel injector wiring harness.

  2. Object Number: 1849033  Size: SH
  3. Remove the fuel injector rail bolts.

  4. Object Number: 1849037  Size: SH
  5. Remove the fuel injector rail.

  6. Object Number: 1832176  Size: SH
  7. Remove the upper-to-lower intake manifold alignment pins.