Tools Required
J 38185
Hose Clamp Pliers
Removal Procedure
- Disconnect the hybrid battery. Refer to
Hybrid Battery Service Disconnect/Connect
.
- Remove the drive belt tensioner. Refer to
Drive Belt Tensioner Replacement
.
- Remove the radiator inlet hose. Refer to
Radiator Inlet Hose Replacement
.
- Reposition the power brake booster vacuum hose (2) clamp at the intake manifold.
- Remove the power brake booster vacuum hose from the intake manifold.
- Remove the power brake booster vacuum hose from the clamp (2) on the generator control module coolant outlet hose.
- Reposition the power brake booster vacuum hose out of the way.
Caution: To help avoid personal injury, additional precautions must be taken prior to working on the generator control module or the generator starter. After removing the 36V battery cables from the generator battery, remove both
engine wiring harness connectors from the generator control module. Wait at least 5 minutes and then remove the generator control module cover. Verify voltage levels at all 36V, 12V, and 3-phase connections, are less than 3 volts using
a DMM before proceeding.
- Remove the 2 connector position assurance (CPA) retainers (3).
- Disconnect the 2 engine wiring harness electrical connectors (2) from the generator control module.
- WAIT at least 5 minutes in order to allow the voltage stored in the generator control module to discharge.
- Reposition the generator control module coolant inlet hose clamp (1) at the generator control module
using the
J 38185
or equivalent.
- Remove the generator control module coolant inlet hose (2) from the generator control module.
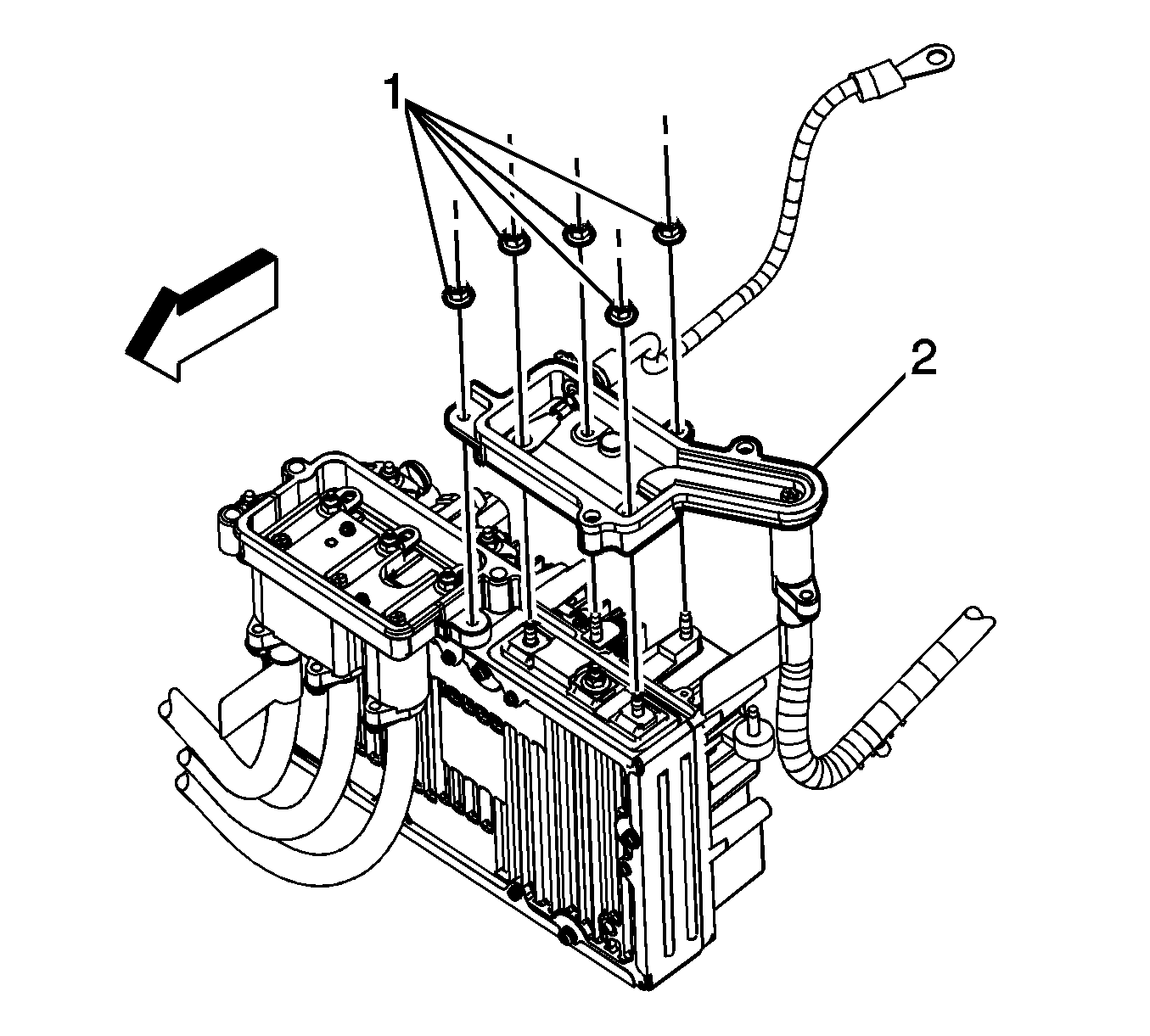
- Remove the generator control module bracket reinforcement bolt (1) and nuts (2).
- Remove the generator control module bracket reinforcement (3).
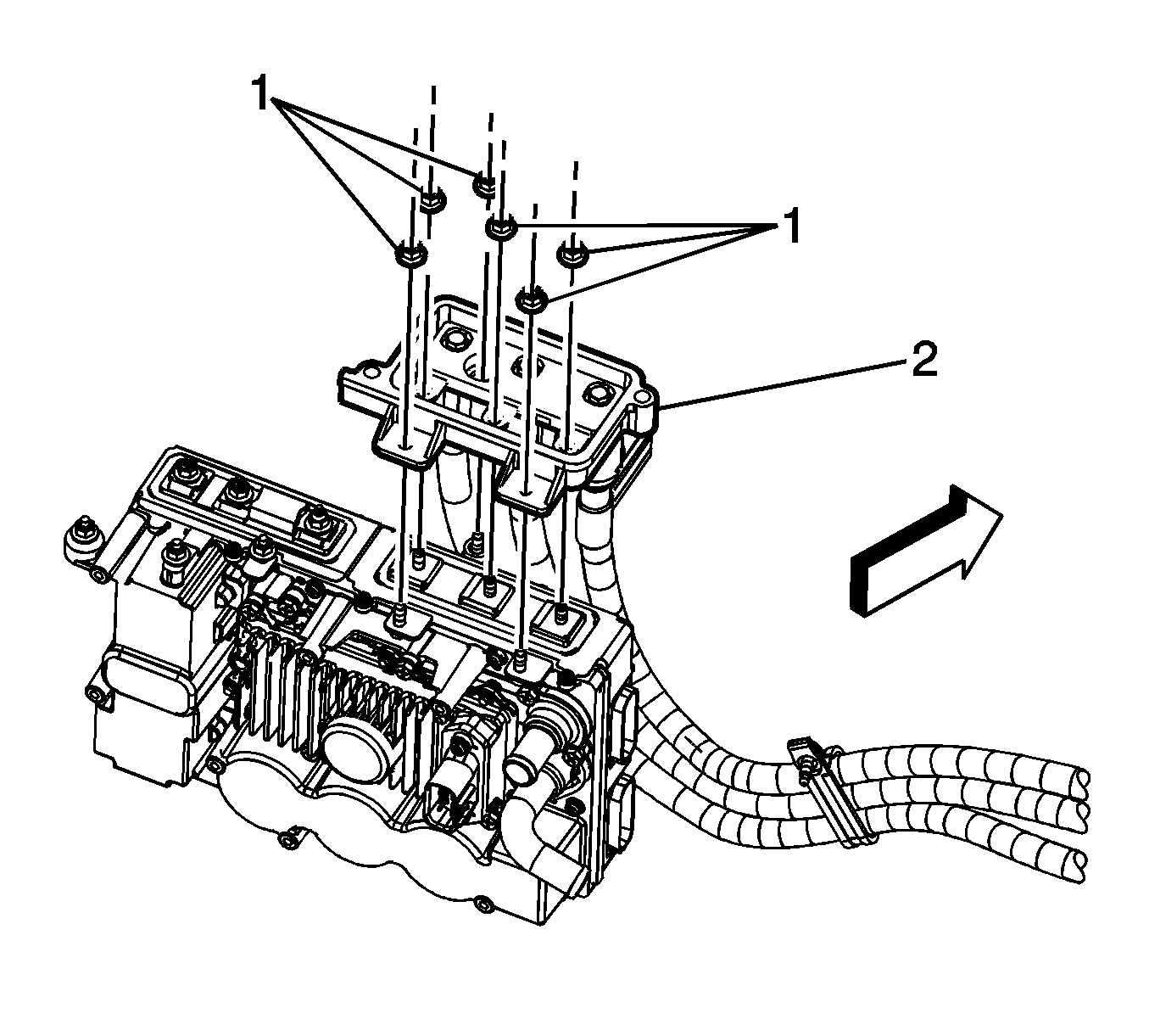
- Loosen the generator control module cover integral bolts (1) and remove the cover (2).
- The generator control module will have to be checked for voltage potential using a voltmeter. First, verify that the voltmeter works:
| 16.1. | Set the voltmeter to DC voltage. |
| 16.2. | Measure the vehicle 12-volt battery voltage. |
| 16.3. | The meter should read greater than +12 volts DC. |
- Now, check the generator control module for voltage potential, in order to ensure that the module has been disabled.
| 17.1. | Measure from the 36-volt positive terminal (3) to a known good chassis ground. The voltage should be less than 3 volts. |
| 17.2. | Measure from the 12-volt positive terminal (2) to a known good chassis ground. The voltage should be less than 3 volts. |
| 17.3. | Measure from the ground terminal (4) to a known good chassis ground, checking for continuity. |
Caution: To help avoid personal injury, always treat the 3-phase cable and connectors as if voltage is present and as if the surface of all parts
of the cable is hot.
- Verify that the generator control module 3-phase cables are disabled.
| 18.1. | Measure from each phase 1, 2, and 3 connection (1) to a known good chassis ground. The voltage should be less than 3 volts. |
| 18.2. | After verifying that there is no voltage present, the generator control module 3-phase cables can now be removed from the generator control module. |
- Disconnect the engine wiring harness electrical connectors (1 and 2) from the generator starter.
- Reposition the wiring harness out of the way.
- Remove the 36-volt terminal block nuts (1) from the generator control module.
- Lift up, and reposition the 36-volt terminal block (2), secure the block out of the way. Discard the terminal block seal.
- Remove the generator control module 3-phase cable terminal block nuts (1) from the generator
control module.
- Lift up, and reposition the generator control module 3-phase cable terminal block (2) from the generator control module. Discard the terminal block seal.
- Remove the air conditioning (A/C) condenser/evaporator tube clip (1) from the front end upper tie bar reinforcement.
- Reposition the A/C condenser/evaporator tube (2) out of the way.
- Remove the starter 3-phase cable clip bolt (2) from the oil level indicator tube bracket.
- Remove the upper generator starter bolt (1).
- Raise and suitably support the vehicle. Refer to
Lifting and Jacking the Vehicle
.
- Remove the 2 lower generator starter bolts (1).
- Lower the vehicle.
- Remove the generator starter (with the generator control module 3-phase cables attached) (3) from the vehicle and place on a clean work surface.
- Remove the generator starter cover bolts (1) and cover (2).
- Remove the generator control module 3-phase cable bracket bolts (3) and bracket (4).
- From inside the generator starter, remove the generator control module 3-phase cable to generator starter nuts.
- Remove the rear generator control module 3-phase cable bolts (1).
- Remove the generator control module 3-phase cable assembly (2) from the generator starter (1).
Installation Procedure
- Install the generator control module 3-phase cable assembly (2) to the NEW generator starter (1).
Notice: Refer to Fastener Notice in the Preface section.
- Inside the generator starter, install the generator control module 3-phase cable to the studs and install the generator starter nuts.
Tighten
Tighten the nuts to 8 N·m (71 lb in).
- Install the generator control module 3-phase cable bracket (4) and bolts (3).
Tighten
Tighten the bolts to 8 N·m (71 lb in).
- Install the generator starter cover (2) and bolts (1).
Tighten
Tighten the bolts to 5 N·m (44 lb in).
- Install the rear generator control module 3-phase cable bolts (1).
Tighten
Tighten the bolts to 8 N·m (71 lb in).
- Position the generator starter (with the generator control module 3-phase cables attached) (3) to the
vehicle and install the upper bolt (1) until snug.
- Raise and suitably support the vehicle.
- Install the 2 lower generator starter bolts (1) until snug.
- Install the generator starter 3-phase cable clip bolt (2) to the oil level indicator tube bracket.
Tighten
Tighten the bolt to 10 N·m (89 lb in).
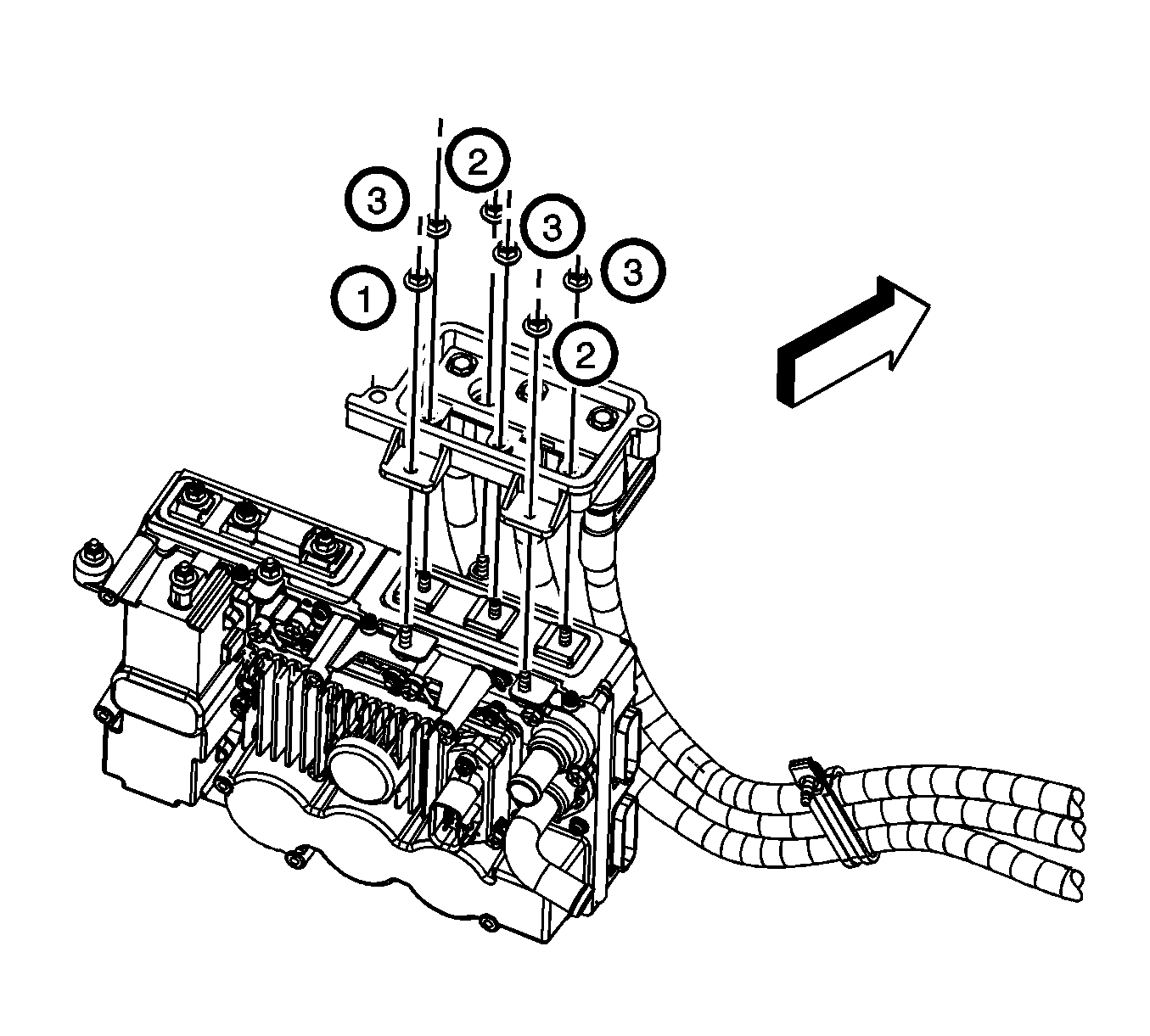
- Tighten the generator starter bolts in the sequence shown.
Tighten
Tighten the bolts to 58 N·m (43 lb ft).
- Position the A/C condenser/evaporator tube (2) to the front end upper tie bar reinforcement.
- Install the A/C condenser/evaporator tube clip (1) to the front end upper tie bar reinforcement.
- Place a NEW terminal block seal onto the generator control module.
- Install the generator control module 3-phase cable terminal block (2) onto the generator control module.
- Install the generator control module 3-phase cable terminal block nuts (1) until snug.
- Tighten the generator control module 3-phase cable terminal block nuts
in the sequence shown.
Tighten
Tighten the nuts to 8 N·m (71 lb in).
- Place a NEW terminal block seal onto the generator control module.
- Unsecure, and position the 36-volt terminal block (2) to the generator control module.
- Install the 36-volt terminal block nuts (1) to the generator control module.
Tighten
Tighten the nuts to 10 N·m (89 lb in).
- Position the engine wiring harness.
- Connect the engine wiring harness electrical connectors (1 and 2) to the starter generator.
- Place the generator control module cover (2) on top of the generator control module and tighten the bolts (1).
Tighten
Tighten the bolts to 10 N·m (89 lb in).
- Install the generator control module bracket reinforcement (3).
- Install the generator control module bracket reinforcement bolt (1) and nuts (2).
Tighten
Tighten the bolt/nuts to 10 N·m (89 lb in).
- Install the generator control module coolant inlet hose (2) to the generator control module.
- Position the generator control module coolant inlet hose clamp (1) at the generator control module using the
J 38185
or equivalent.
- Connect the 2 engine wiring harness electrical connectors (2) to the generator
control module.
- Install the 2 CPA retainers (3).
- Position and install the power brake booster vacuum hose (2) to the intake manifold.
- Position the power brake booster vacuum hose clamp at the intake manifold.
- Install the power brake booster vacuum hose to the clamp (2) to the generator control module coolant outlet hose.
- Install the radiator inlet hose. Refer to
Radiator Inlet Hose Replacement
.
- Install the drive belt tensioner. Refer to
Drive Belt Tensioner Replacement
.
- Connect the hybrid battery. Refer to
Hybrid Battery Service Disconnect/Connect
.
- Using a Tech 2, command an autostart in order to verify that the system is working properly.