GM Service Manual Online
For 1990-2009 cars only
Makes
🢒
Saturn
🢒
2007
🢒
AURA
🢒
Diagnostic Navigation
🢒
Vehicle Diagnostic Information
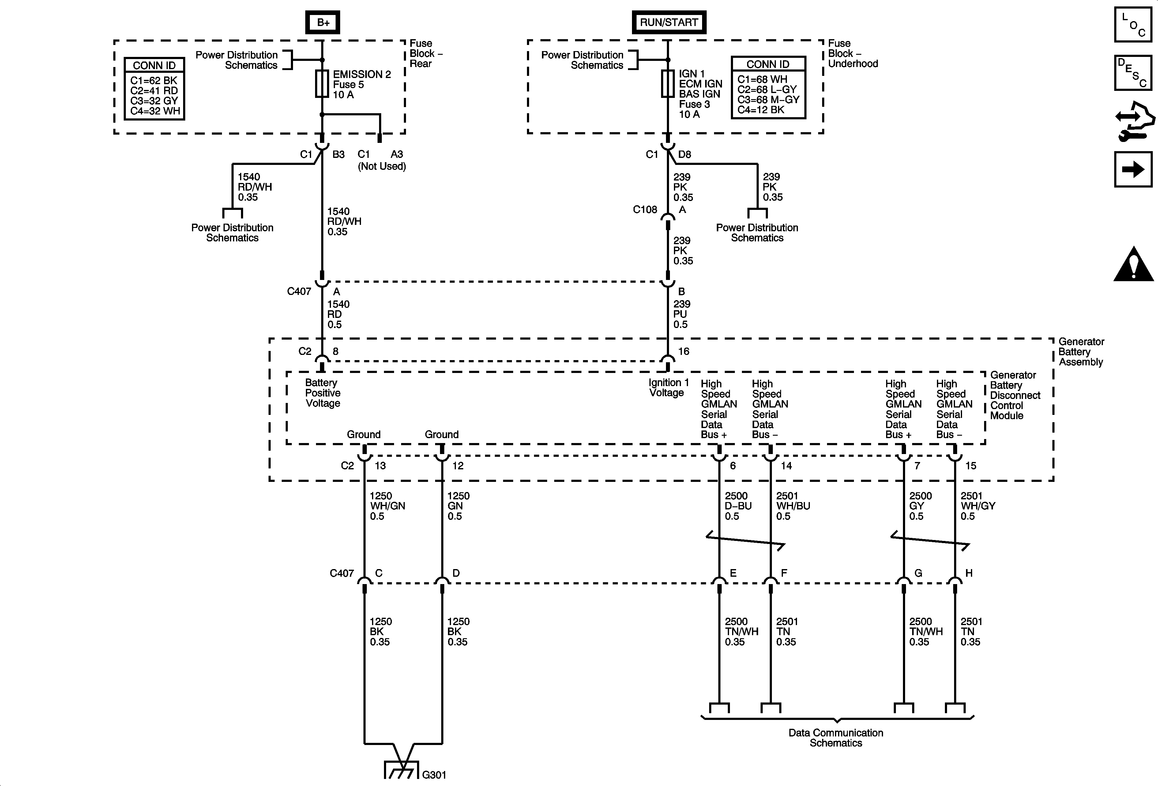
🢒 Hybrid Energy Storage Schematics
Figure
1:
Power, Ground and Serial Data
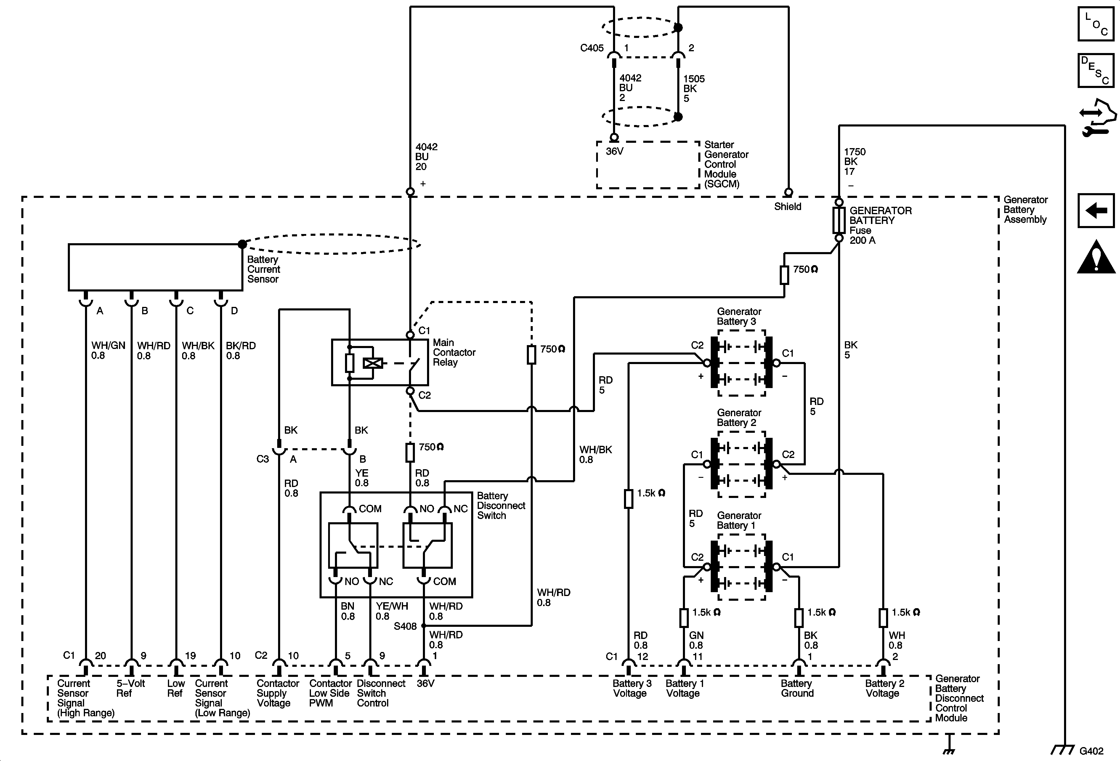
Figure
2:
Batteries, Battery Current Sensor, Battery Disconnect Switch and Main Contactor Relay