GM Service Manual Online
For 1990-2009 cars only

Engine Control Module Replacement LAT

Notice: 

   • Turn the ignition OFF when installing or removing the control module connectors and disconnecting or reconnecting the power to the control module (battery cable, powertrain control module (PCM)/engine control module (ECM)/transaxle control module (TCM) pigtail, control module fuse, jumper cables, etc.) in order to prevent internal control module damage.
   • Control module damage may result when the metal case contacts battery voltage. DO NOT contact the control module metal case with battery voltage when servicing a control module, using battery booster cables, or when charging the vehicle battery.
   • In order to prevent any possible electrostatic discharge damage to the control module, do no touch the connector pins or the soldered components on the circuit board.
   • Remove any debris from around the control module connector surfaces before servicing the control module. Inspect the control module connector gaskets when diagnosing or replacing the control module. Ensure that the gaskets are installed correctly. The gaskets prevent contaminant intrusion into the control module.
   • The replacement control module must be programmed.

Important: It is necessary to record the remaining engine oil life. If the replacement module is not programed with the remaining engine oil life, the engine oil life will default to 100 percent. If the replacement module is not programmed with the remaining engine oil life, the engine oil will need to be changed at 5 000 km (3,000 mi) from the last engine oil change.

Removal Procedure


    Object Number: 1889665  Size: SH
  1. Using a scan tool, retrieve the percentage of remaining engine oil. Record the remaining engine oil life.
  2. Disconnect the negative battery cable. Refer to Battery Negative Cable Disconnection and Connection.
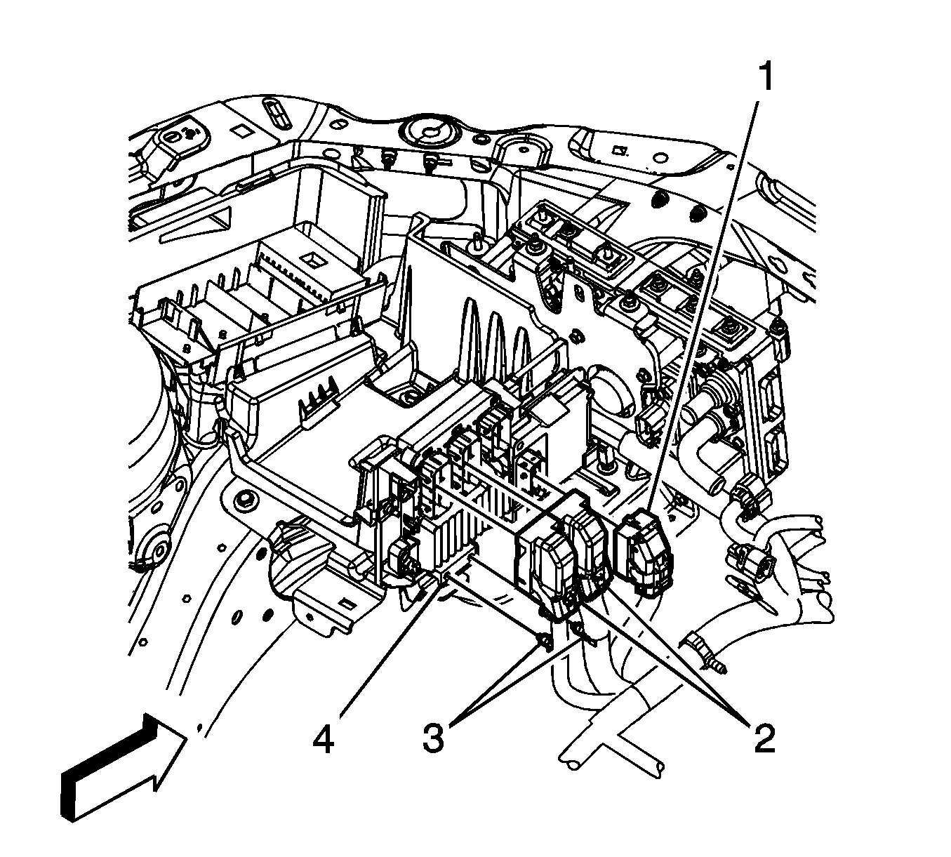
  3. Disconnect the body wiring harness electrical connector (1) from the engine control module (ECM).

  4. Object Number: 1889666  Size: SH
  5. Disconnect the engine wiring harness electrical connectors (2) from the ECM.
  6. Remove the engine wiring harness clips (3) from the ECM bracket (4).

  7. Object Number: 1889667  Size: SH

    Notice: Control module damage may result when the metal case contacts battery voltage. DO NOT contact the control module metal case with battery voltage when servicing a control module, using battery booster cables or when charging the vehicles battery.

  8. Gently lift the ECM retainers (1) up, disengaging the retainers from the ECM (2).
  9. Tilt the ECM towards the engine and remove the ECM (2) from the bracket.

Installation Procedure


    Object Number: 1889667  Size: SH
  1. Set the ECM (2) into the bottom of the bracket and push the ECM towards the battery until the ECM snaps into place and is secured by the retainers (1).

  2. Object Number: 1889666  Size: SH
  3. Connect the engine wiring harness electrical connectors (2) to the ECM.
  4. Install the engine wiring harness clips (3) to the ECM bracket (4).

  5. Object Number: 1889665  Size: SH
  6. Connect the body wiring harness electrical connector (1) to the ECM.
  7. Connect the negative battery cable. Refer to Battery Negative Cable Disconnection and Connection.
  8. Program the ECM. Refer to Control Module References.