GM Service Manual Online
For 1990-2009 cars only
Makes
🢒
Saturn
🢒
2007
🢒
AURA
🢒
Body Systems
🢒
Wipers and Washers
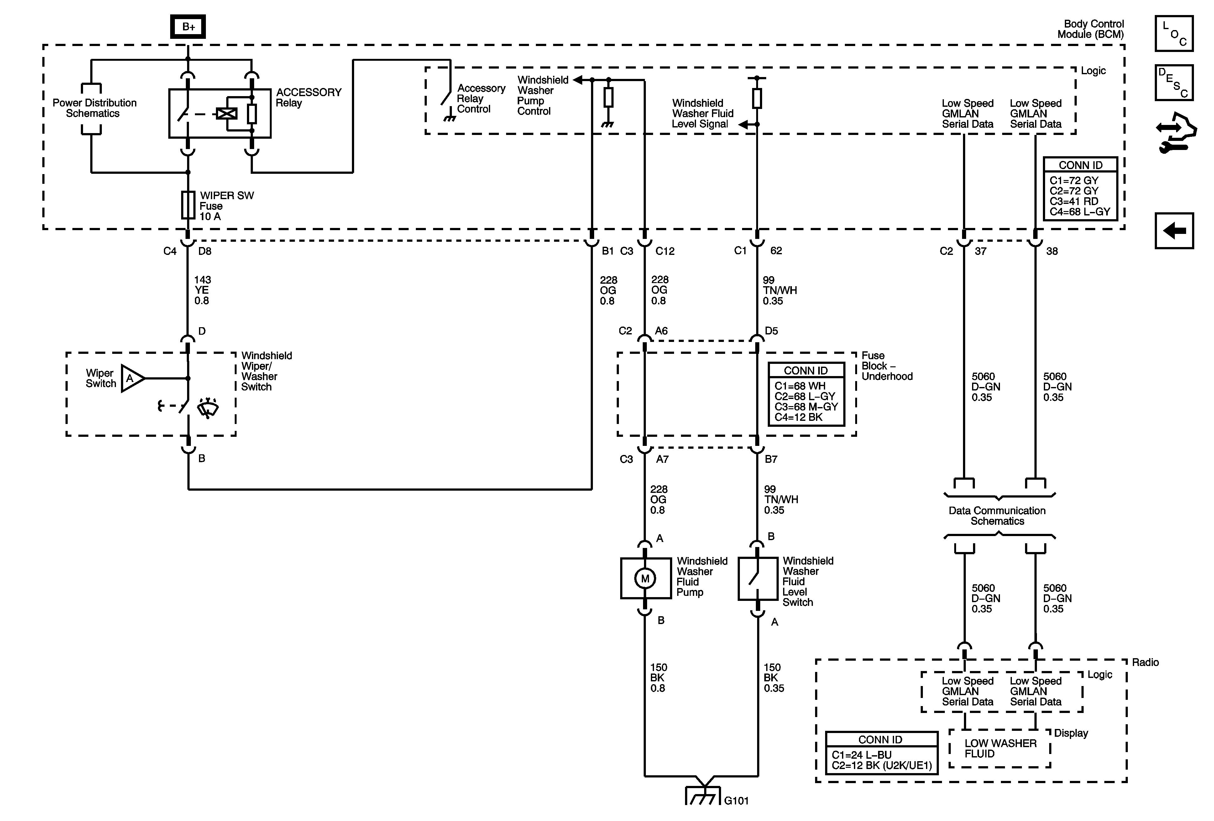
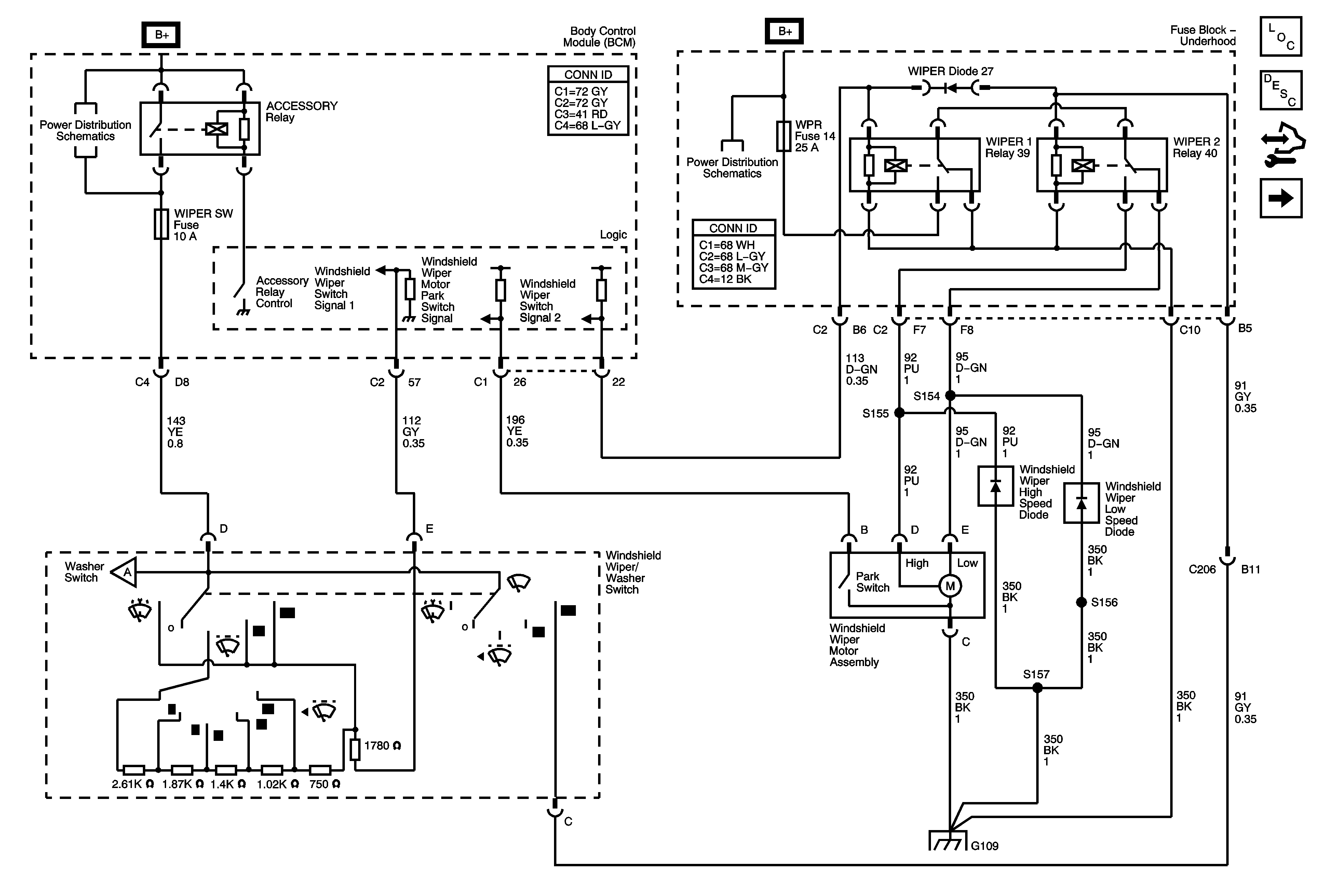
🢒 Wiper/Washer Schematics
Figure
1:
Wiper System
Figure
2:
Washer System