GM Service Manual Online
For 1990-2009 cars only
Makes
🢒
Saturn
🢒
2007
🢒
AURA
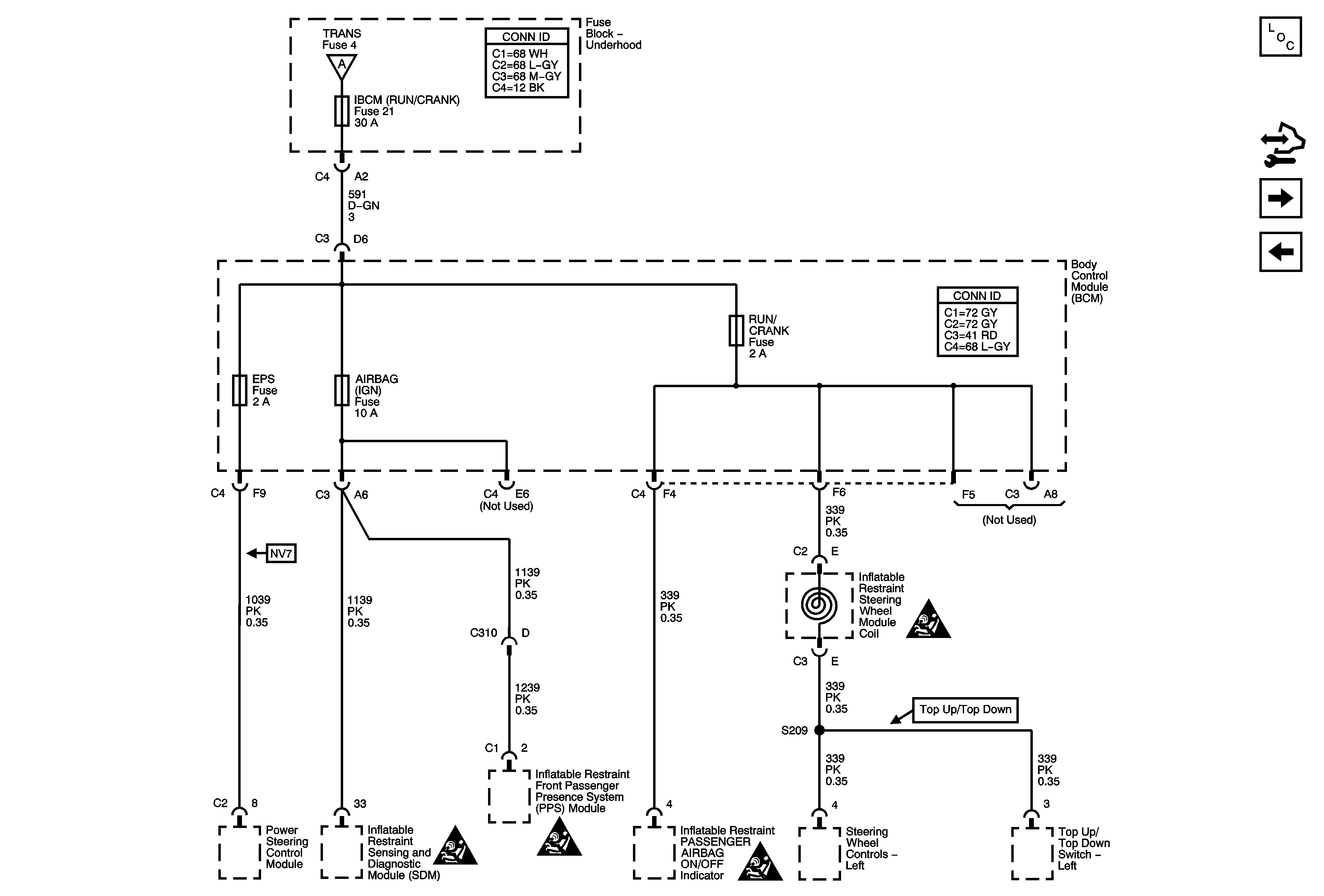
🢒 Underhood Fuse Block IBCM (RUN/CRANK) Fuse, Body Control Module (BCM) Air Bag (IGN), EPS and RUN/CRANK Fuses
Underhood Fuse Block IBCM (RUN/CRANK) Fuse, Body Control Module (BCM) Air Bag (IGN), EPS and RUN/CRANK Fuses
Underhood Fuse Block IBCM (RUN/CRANK) Fuse, Body Control Module (BCM) AIR BAG (IGN), EPS and RUN/CRANK Fuses
Master Electrical Component List
Control Module References
Body Control Module (BCM), ONSTAR, PEDAL and POWER MIRRORS Fuses
Underhood Fuse Block IBCM 2, BATTERY SENSE, Body Control Module (BCM), ACCESSORY Relay, DOOR LOCK, INTERIOR LIGHTS, POWER WINDOWS, ROOF/HEAT SEAT and WIPER SW Fuses
Underhood Fuse Block RUN/CRANK Relay, ABS, BAS PMP MAF, ECM IGN 1, IGN 1 ECM IGN 1 BAS IGN and TRANS Fuses
Power and Grounding Schematic Icons
Power and Grounding Schematic Icons
Power and Grounding Schematic Icons
Power and Grounding Schematic Icons