GM Service Manual Online
For 1990-2009 cars only

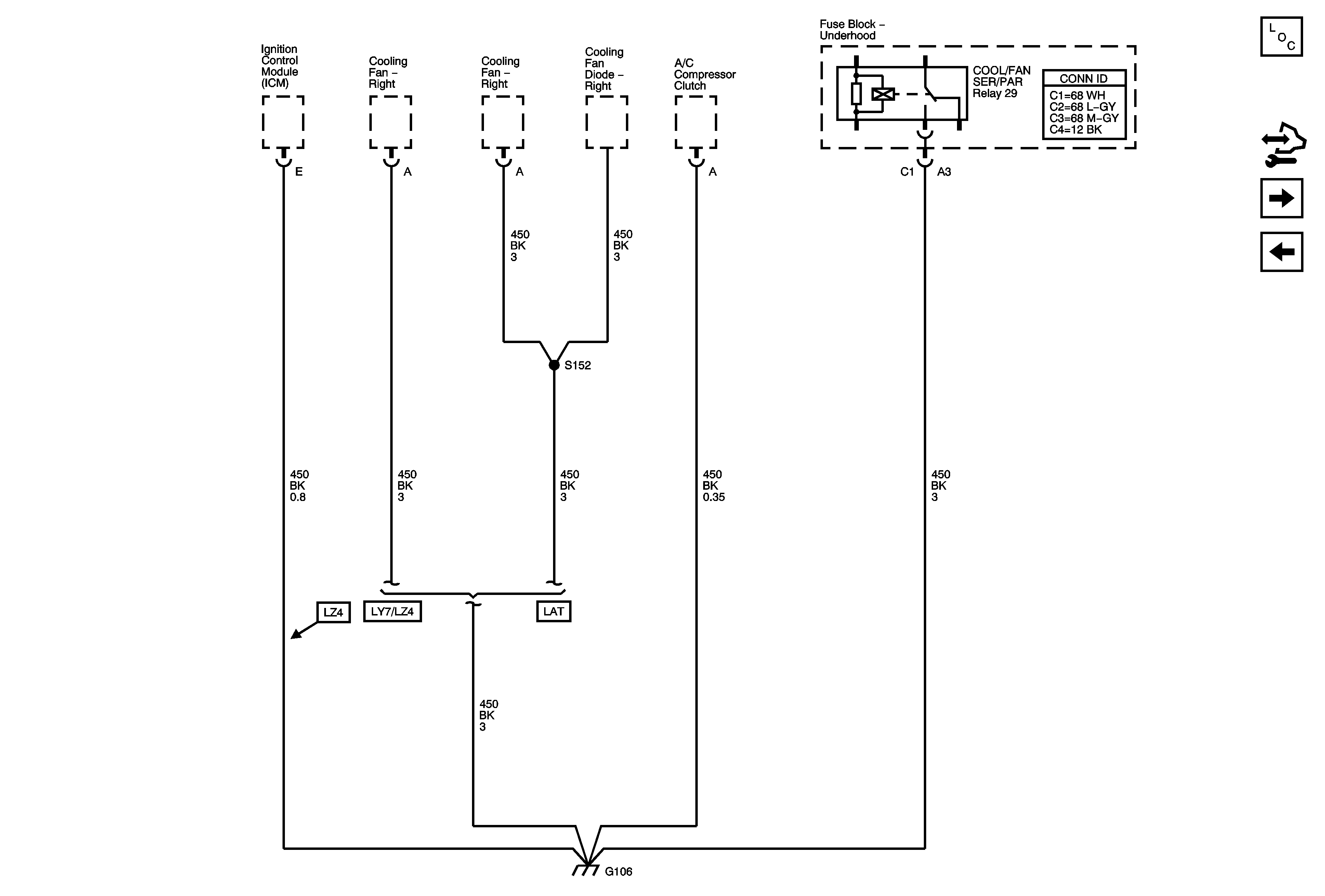
G106

G106


Object Number: 1805394  Size: FS
Master Electrical Component List
Control Module References
G109
G103, G104 and G105