GM Service Manual Online
For 1990-2009 cars only

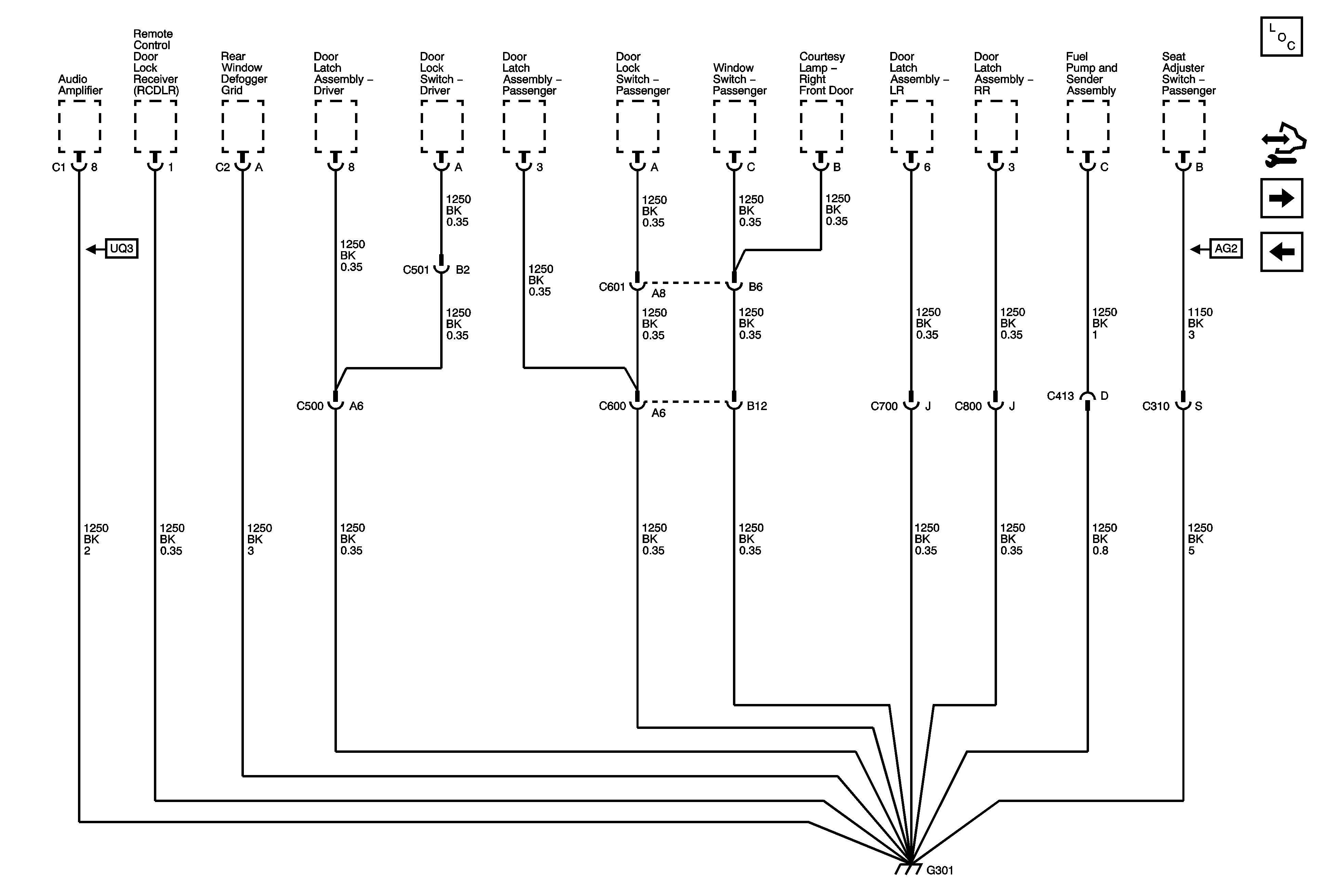
G301

G301


Object Number: 1805402  Size: FS
Master Electrical Component List
Control Module References
G302
G203