GM Service Manual Online
For 1990-2009 cars only
Makes
🢒
Saturn
🢒
2007
🢒
AURA
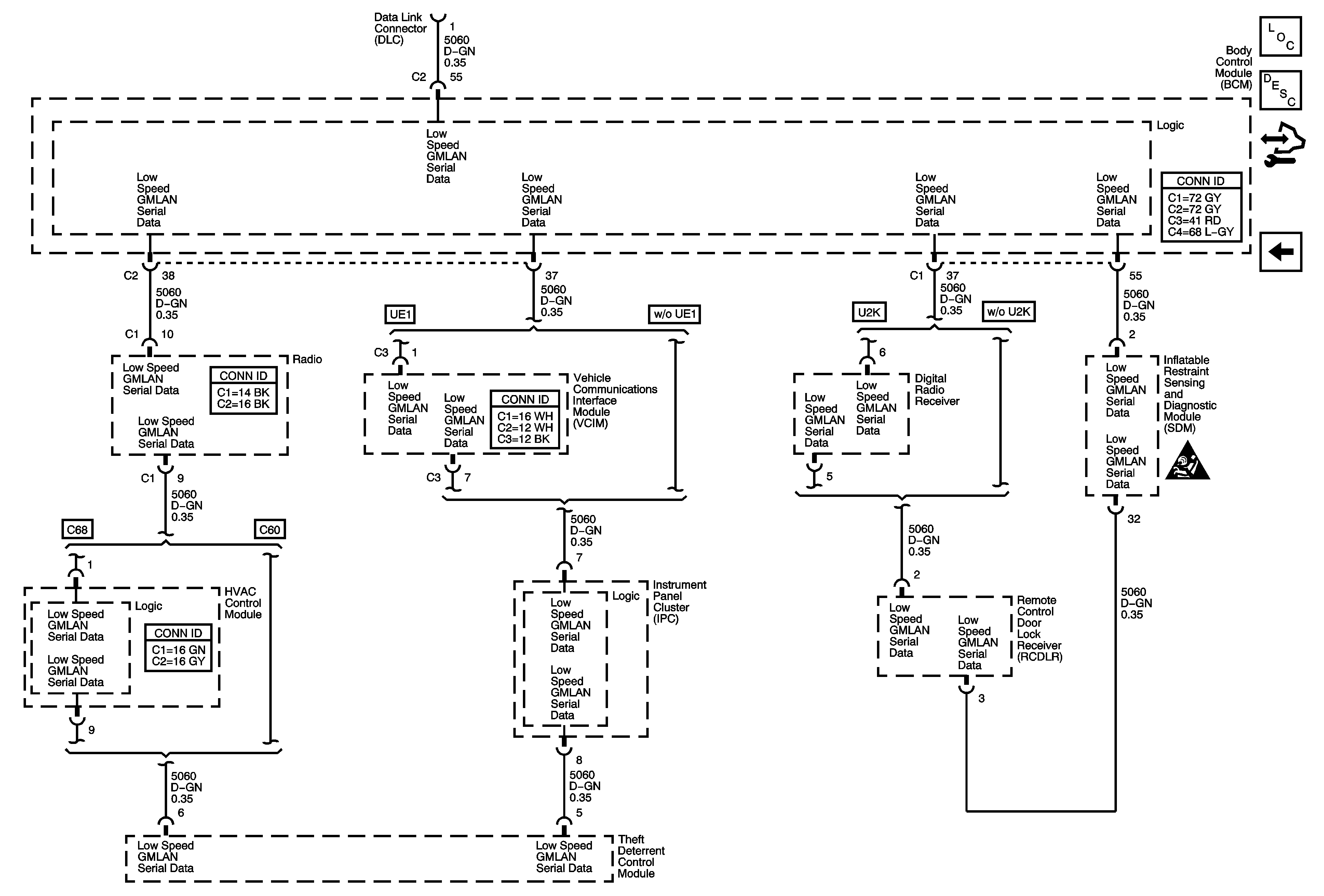
🢒 Low Speed Serial Data
Low Speed Serial Data
Low Speed Serial Data
Master Electrical Component List
Data Link Communications Description and Operation
Control Module References
Power, Ground and High Speed Serial Data
Data Communication Schematic Icons