GM Service Manual Online
For 1990-2009 cars only

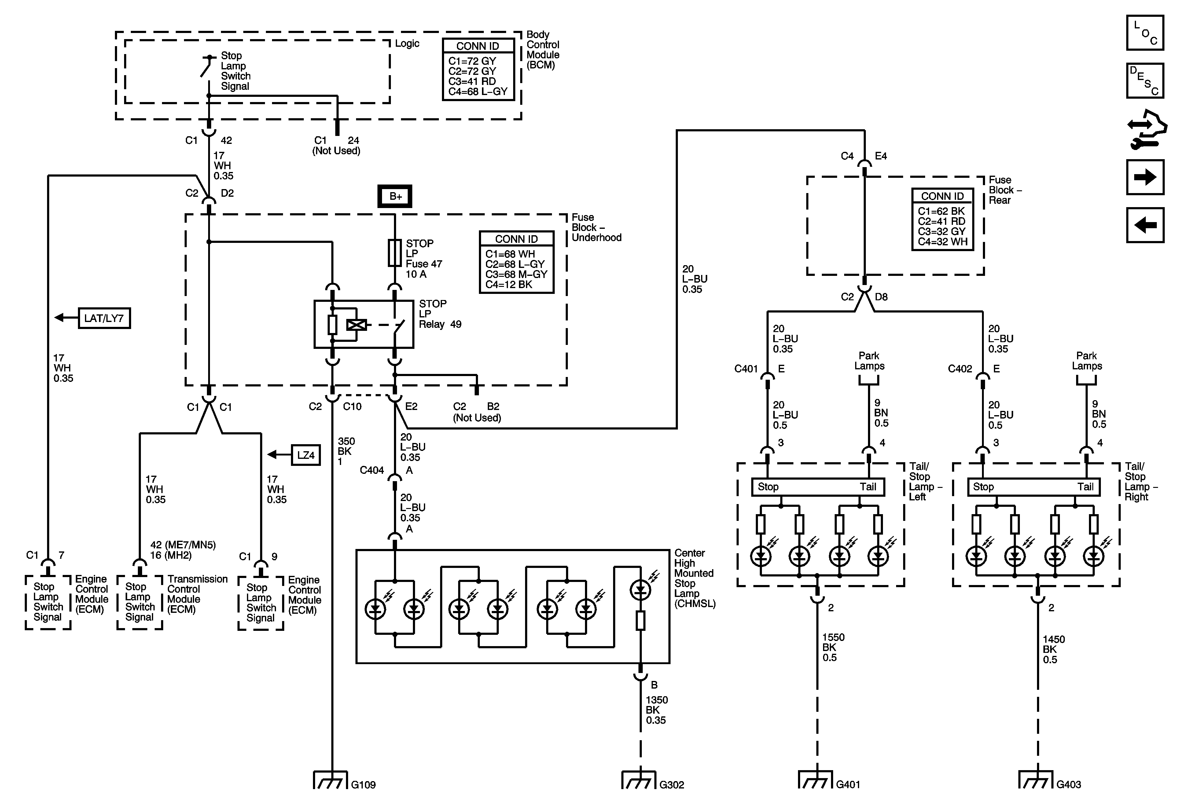
Stop Lamps

Stop Lamps


Object Number: 1807478  Size: FS
Master Electrical Component List
Exterior Lighting Systems Description and Operation
Control Module References
Turn Signal Lamps
Ambient Light Sensor, Brake Pedal Position Sensor, Hazard Switch and Turn Signal/Multifunction Switch
Marker Lamps and Tail Lamps
Marker Lamps and Tail Lamps
G401 and G403
G302
G401 and G403
G401 and G403