GM Service Manual Online
For 1990-2009 cars only
Makes
🢒
Saturn
🢒
2007
🢒
AURA
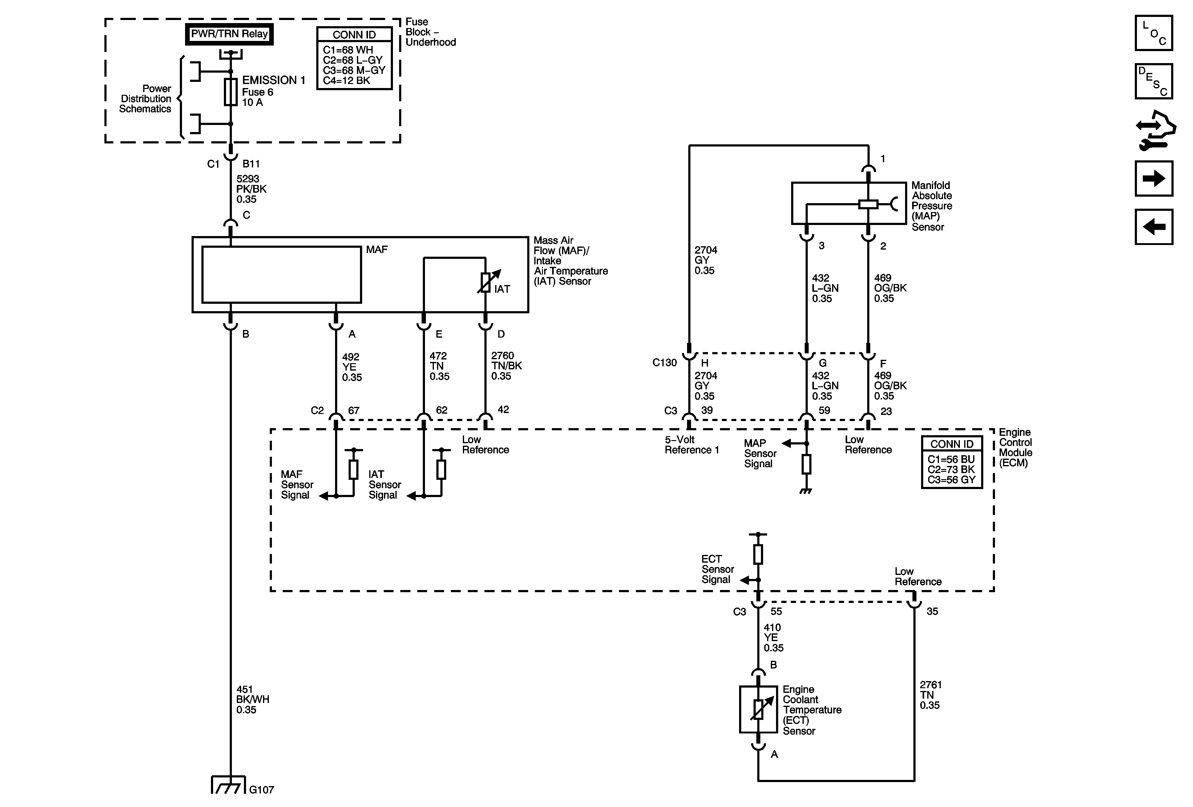
🢒 ECT, MAF/IAT and MAP Sensors
ECT, MAF/IAT and MAP Sensors
ECT, MAF/IAT and MAP Sensors
Master Electrical Component List
Control Module References
Heated Oxygen Sensors
5-Volt and Low References
Underhood Fuse Block A/C Clutch and PWR/TRN Relays, A/C CLU, EMISSION 1, INJ/COIL ODD/IGN/MOD, INJECTORS INJ COIL/EVEN and POST 02 Fuses and ETC Fuses