GM Service Manual Online
For 1990-2009 cars only
Makes
🢒
Saturn
🢒
2008
🢒
AURA
🢒
Engine
🢒
Engine Cooling
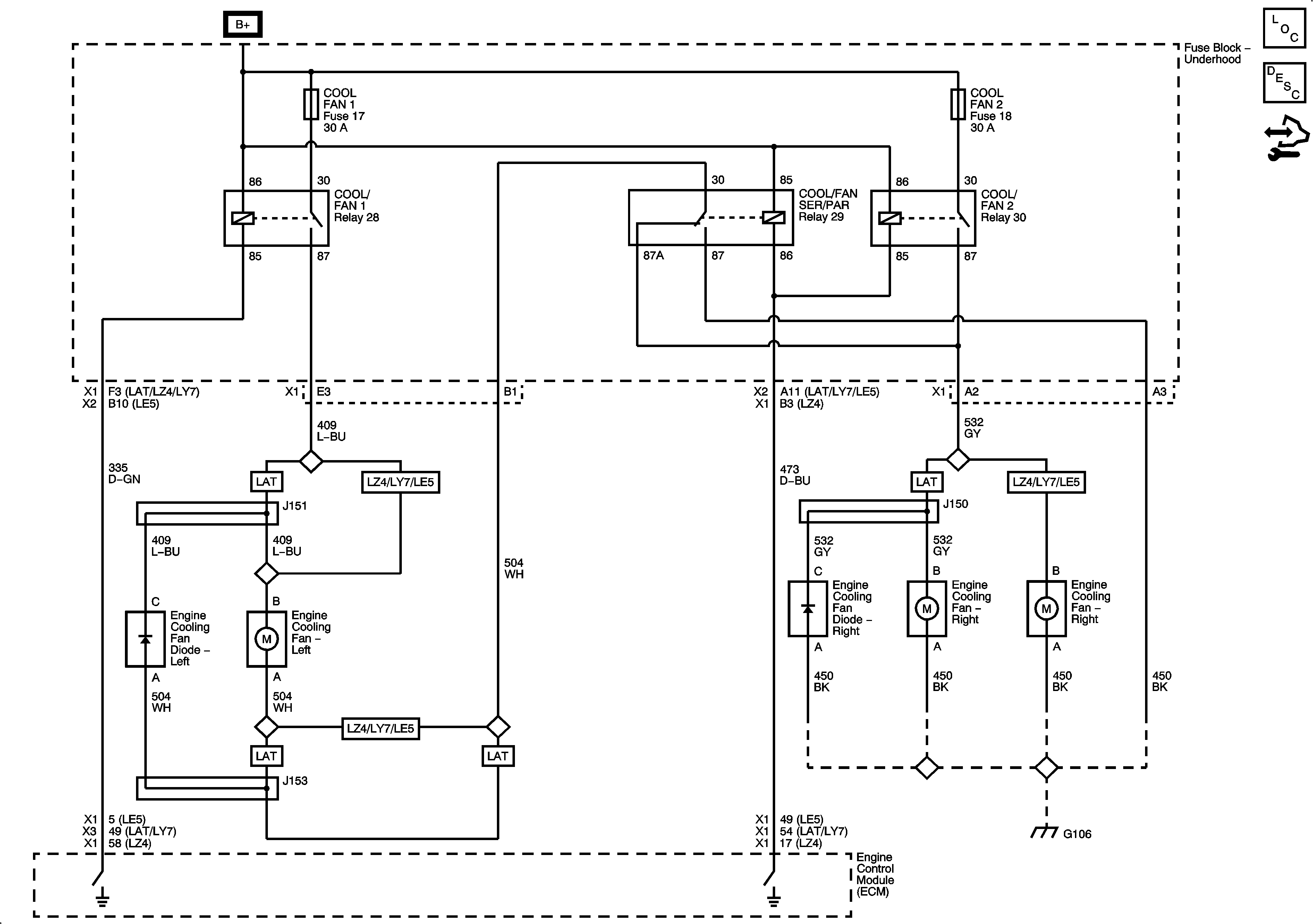
🢒 Engine Cooling Schematics
Cooling Fans
Master Electrical Component List
Cooling System Description and Operation
Control Module References