GM Service Manual Online
For 1990-2009 cars only
Makes
🢒
Saturn
🢒
2008
🢒
AURA
🢒
Diagnostic Navigation
🢒
Vehicle Diagnostic Information
🢒 Interior Lights Dimming Schematics
Figure
1:
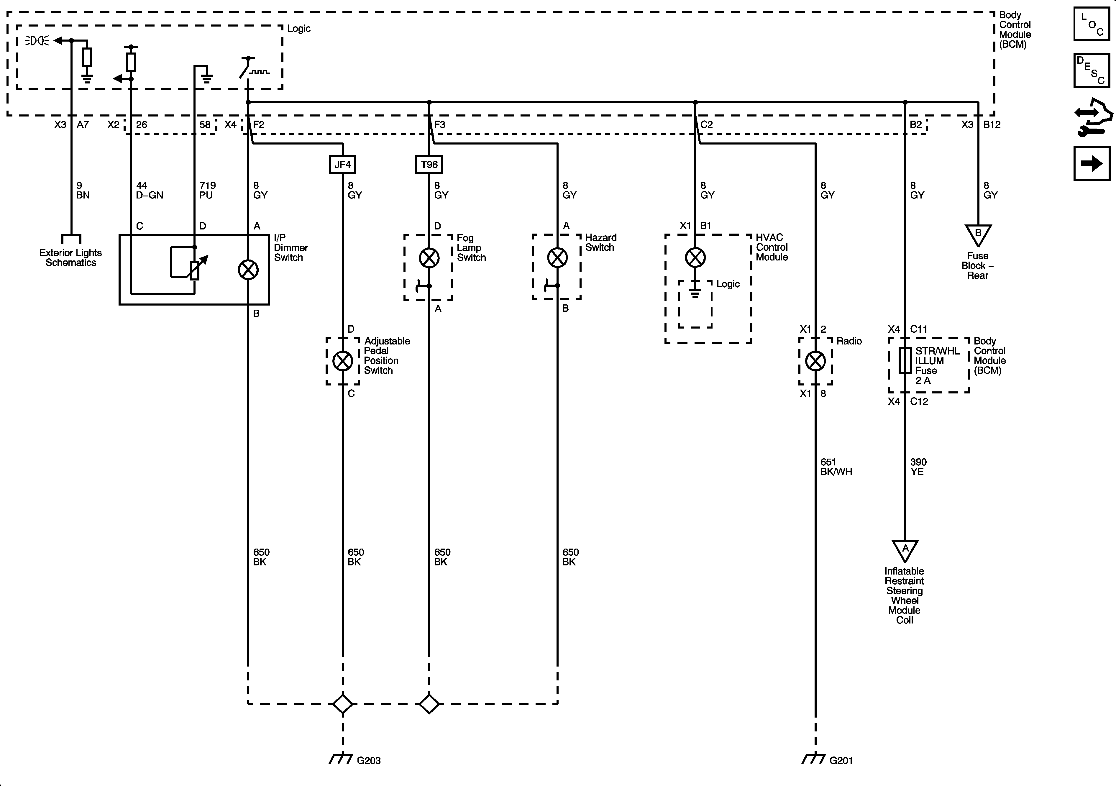
Displays
Master Electrical Component List
Interior Lighting Systems Description and Operation
Control Module References
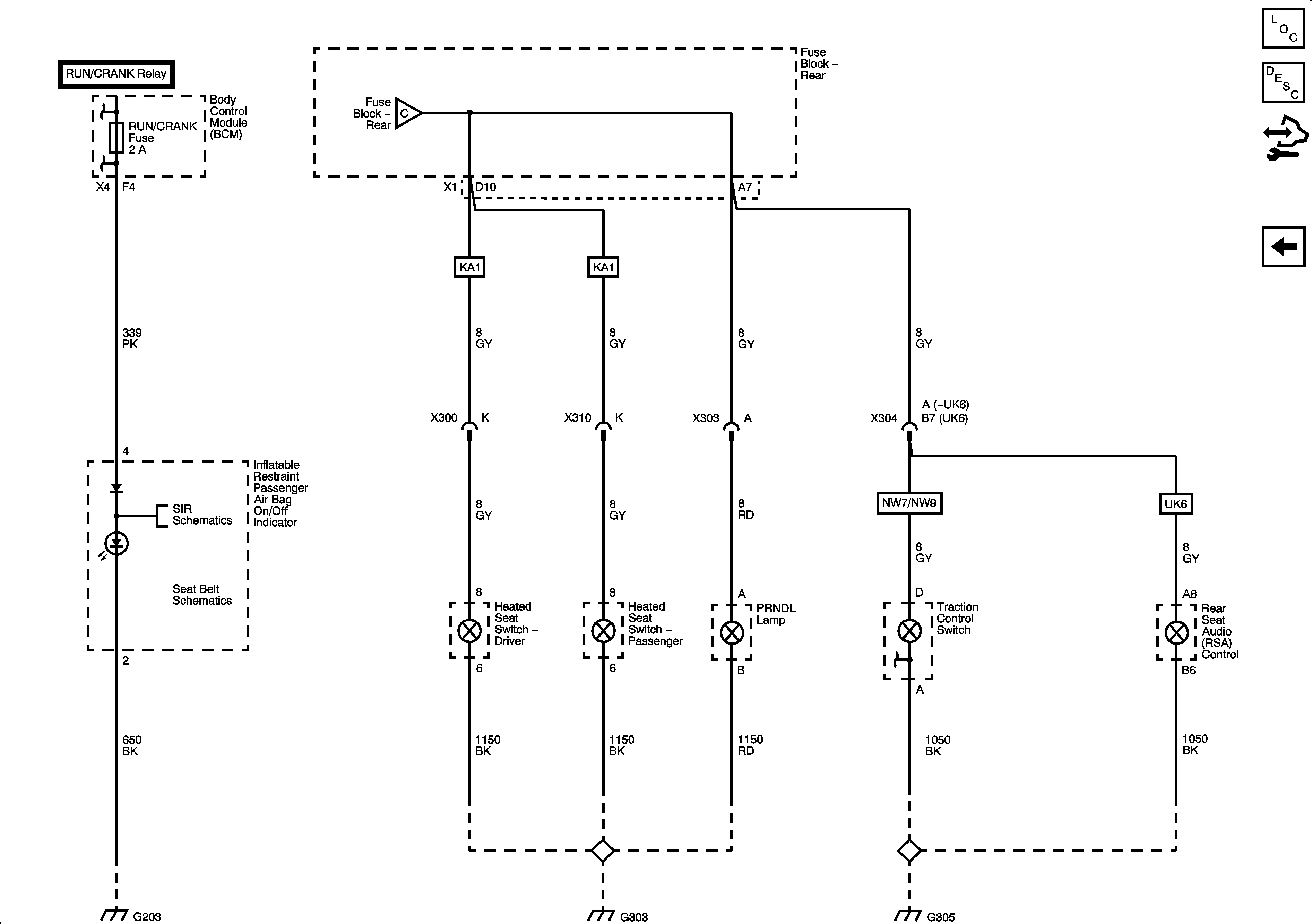
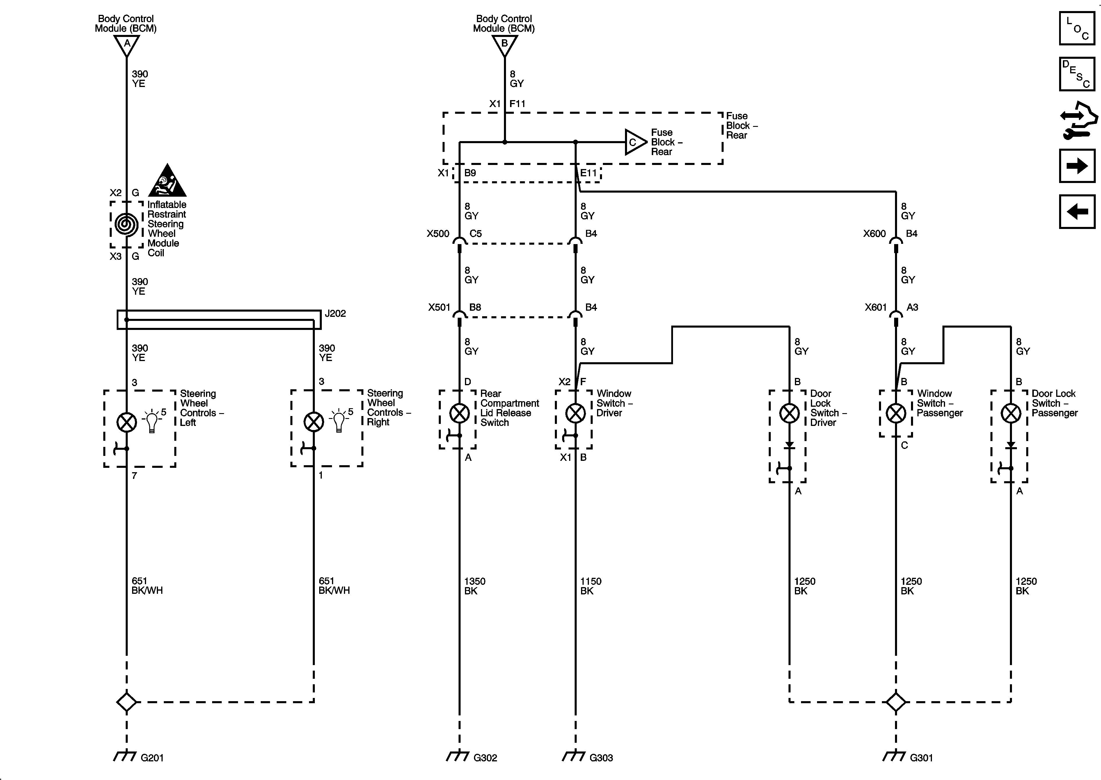
Center Console and Seats
Figure
2:
Switches
Master Electrical Component List
Interior Lighting Systems Description and Operation
Control Module References
Center Console and Seats
Displays
Figure
3:
Center Console and Seats
Master Electrical Component List
Interior Lighting Systems Description and Operation
Control Module References
Switches