GM Service Manual Online
For 1990-2009 cars only
Figure 1:

Power, Ground, Serial Data and MIL


Object Number: 1900801  Size: FS
Master Electrical Component List
Engine Control Module Description
Control Module References
5-Volt and Low References
Figure 2:

5-Volt and Low References


Object Number: 1900804  Size: FS
Master Electrical Component List
Engine Control Module Description
Control Module References
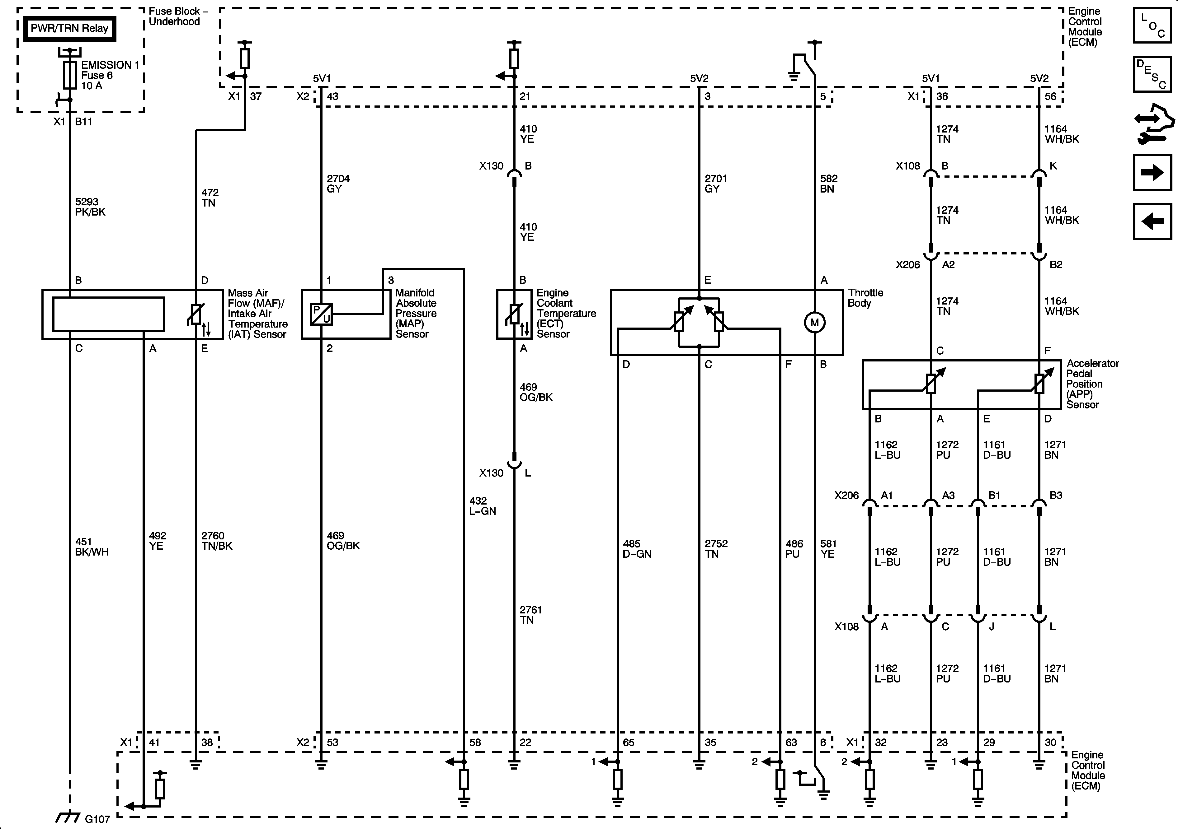
Engine Data Sensors - Pressure, Temperature, and Throttle Controls
Module Power, Ground, Serial Data and MIL
Figure 3:

Engine Data Sensors - Pressure, Temperature, and Throttle Controls


Object Number: 1900808  Size: FS
Master Electrical Component List
Engine Control Module Description
Control Module References
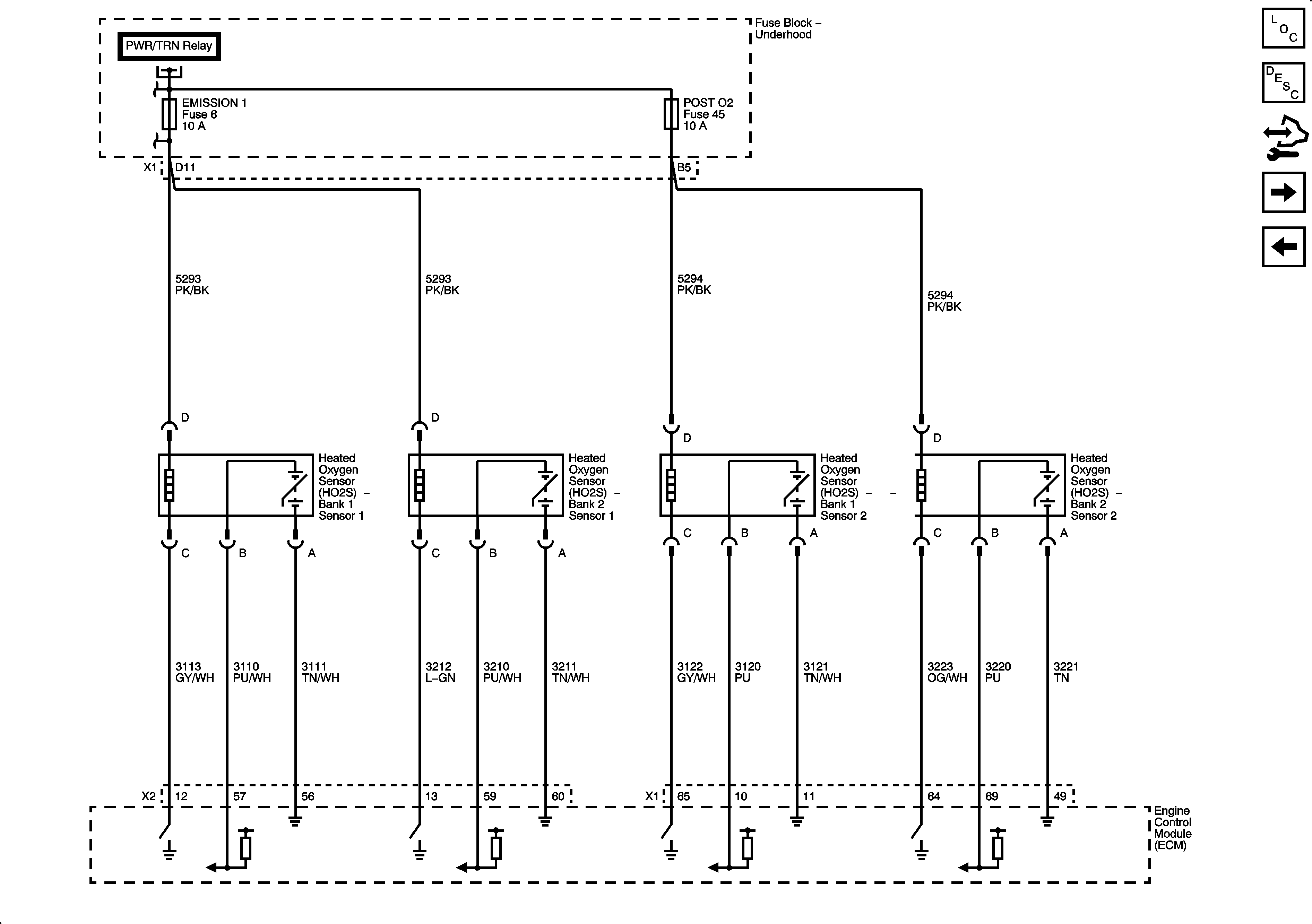
Engine Data Sensors - HO2S
5-Volt and Low References
Figure 4:

Engine Data Sensors - HO2S


Object Number: 1900811  Size: FS
Master Electrical Component List
Engine Control Module Description
Control Module References
Ignition Controls - Ignition System
Engine Data Sensors - Pressure, Temperature, and Throttle Controls
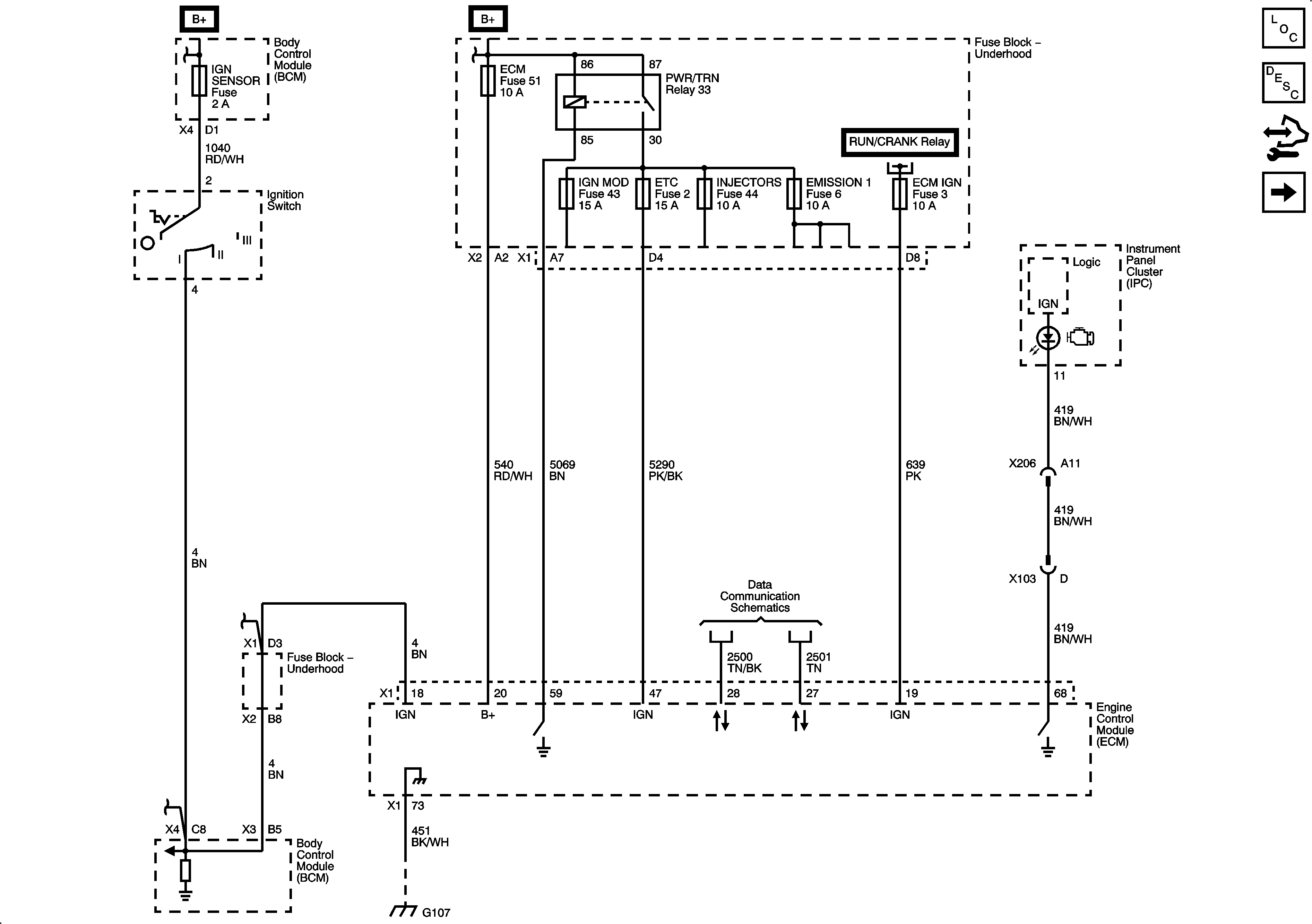
Figure 5:

Ignition Controls - Ignition System


Object Number: 1900814  Size: FS
Master Electrical Component List
Engine Control Module Description
Control Module References
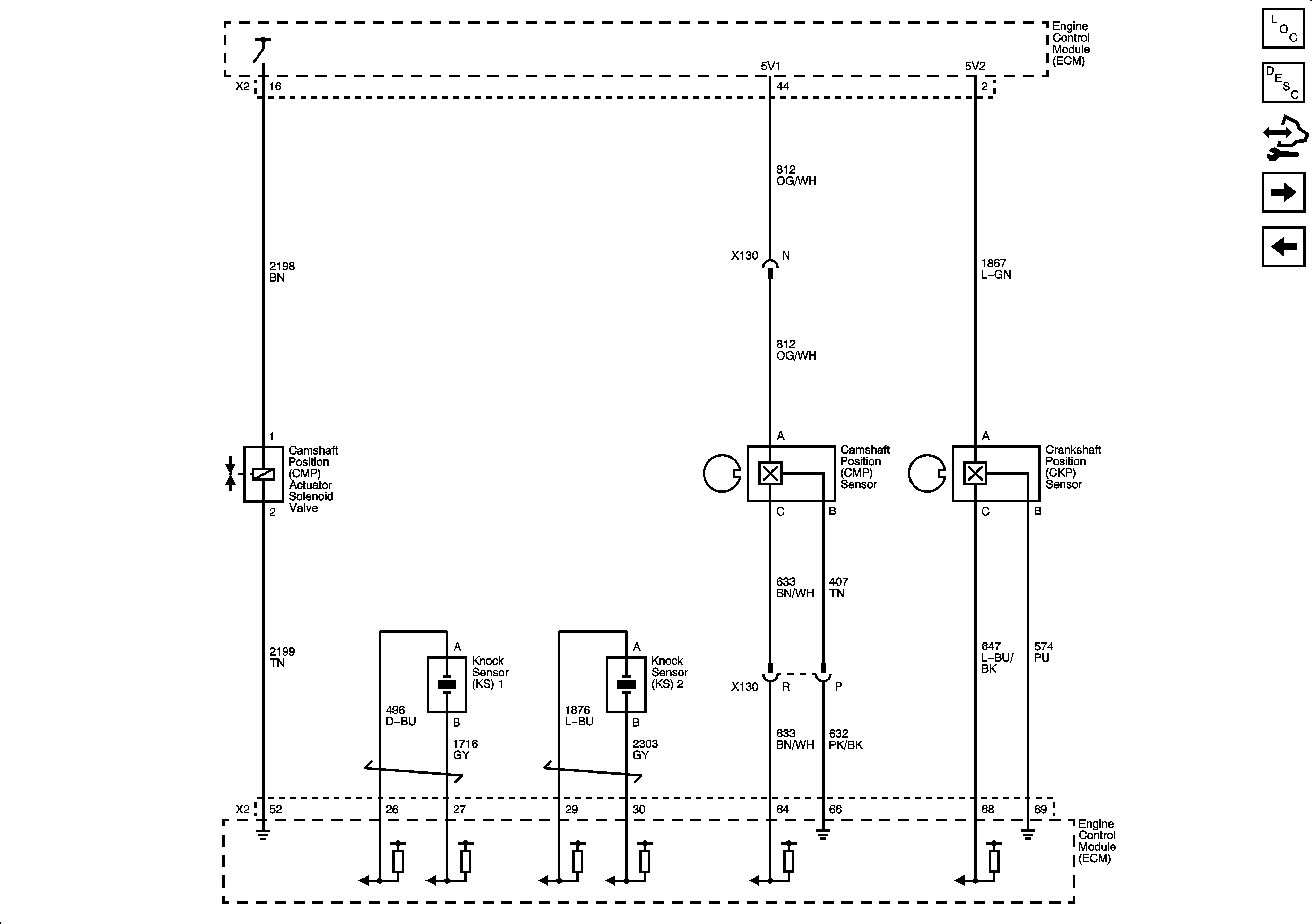
Ignition Controls - Sensors
Engine Data Sensors - HO2S
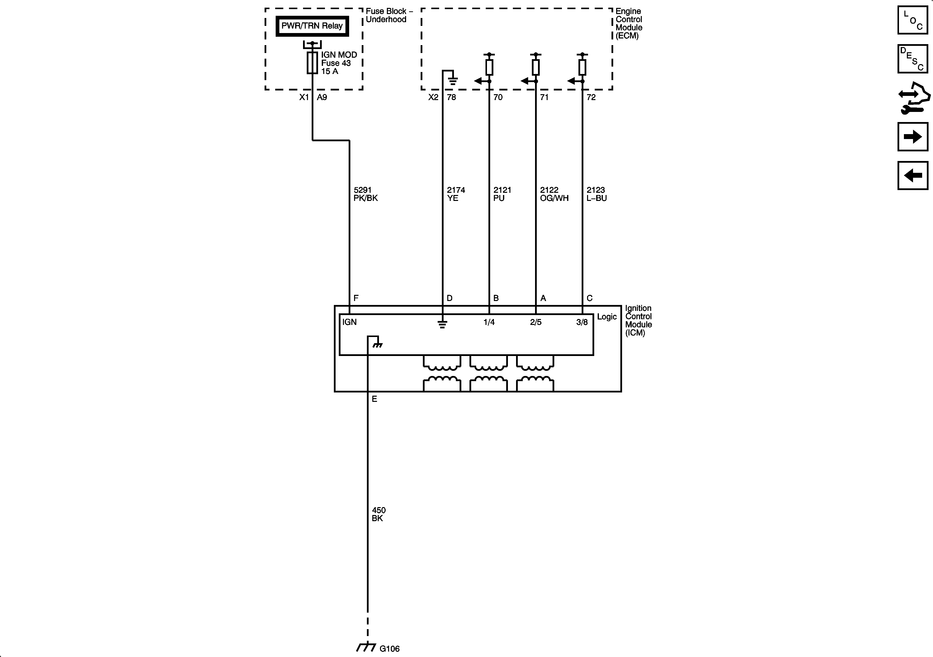
Figure 6:

Ignition Controls - Sensors


Object Number: 1900816  Size: FS
Master Electrical Component List
Engine Control Module Description
Control Module References
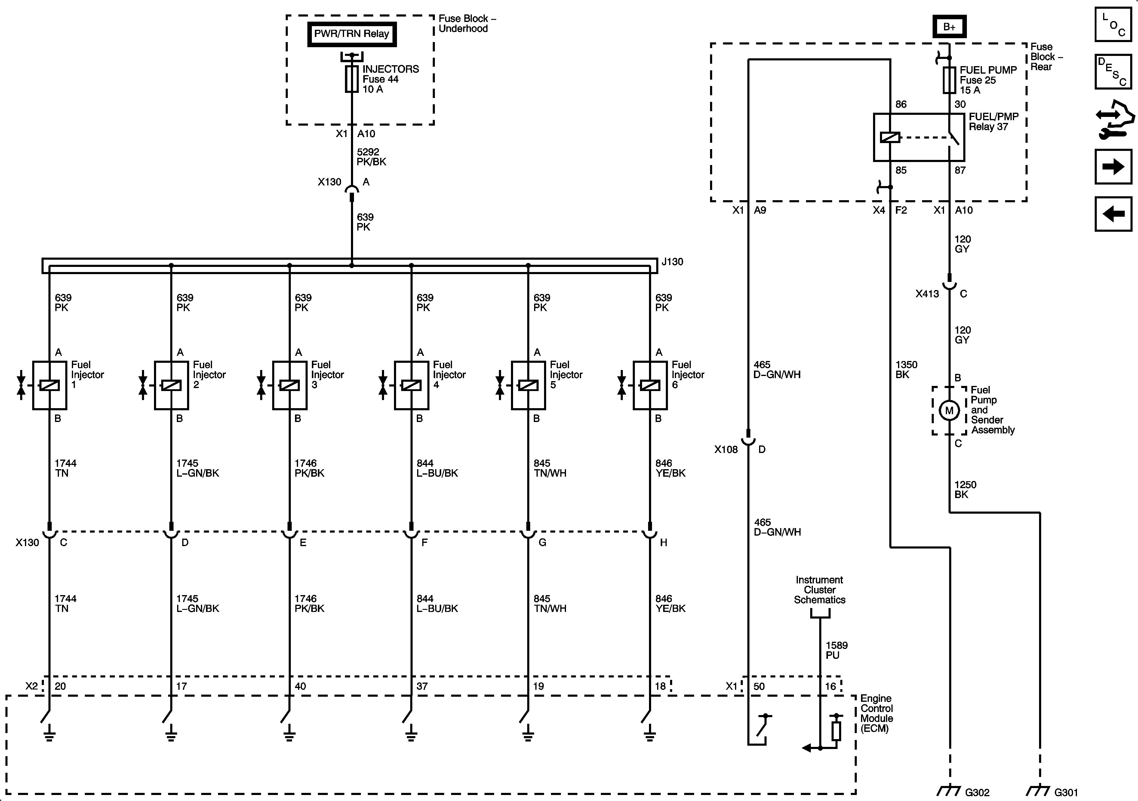
Fuel Controls - Fuel Injectors and Fuel Pump
Ignition Controls - Ignition System
Figure 7:

Fuel Controls - Fuel Injectors and Fuel Pump


Object Number: 1900818  Size: FS
Master Electrical Component List
Engine Control Module Description
Control Module References
Fuel Controls - EVAP Controls
Ignition Controls - Sensors
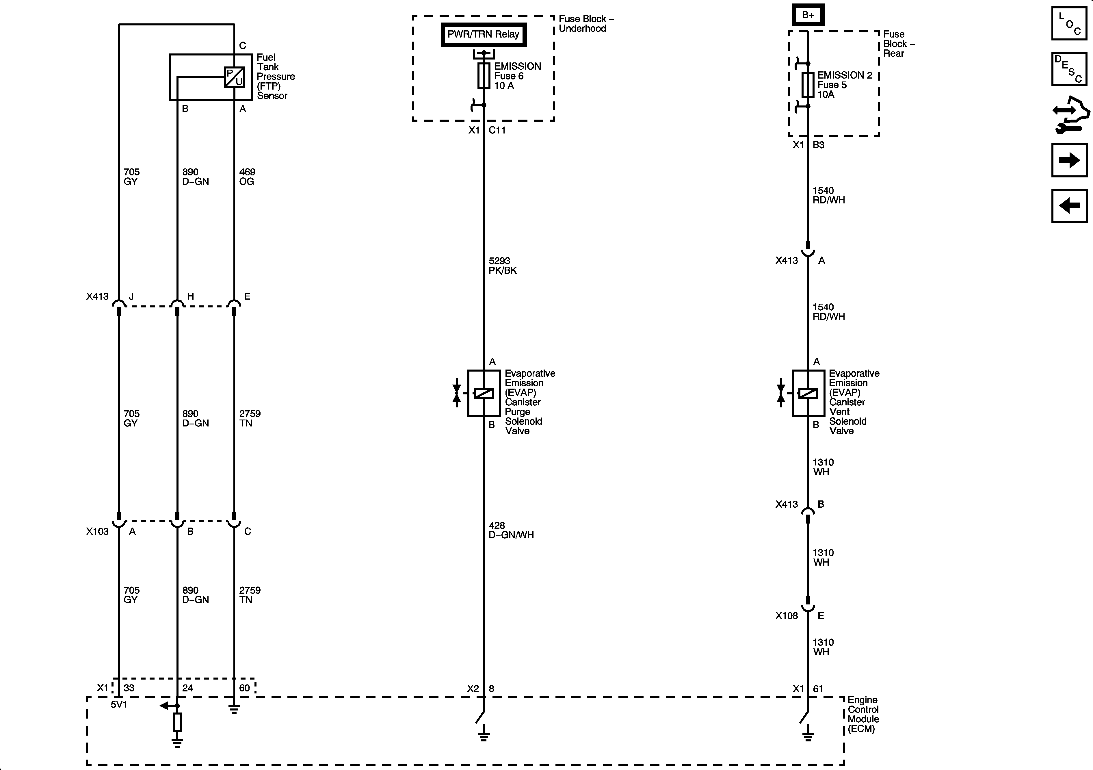
Figure 8:

Fuel Controls - EVAP Controls


Object Number: 1900822  Size: FS
Master Electrical Component List
Engine Control Module Description
Control Module References
Monitored/Controlled Subsystem References
Fuel Controls - Fuel Injectors and Fuel Pump
Figure 9:

Monitored/Controlled Subsystem References


Object Number: 1900826  Size: FS
Master Electrical Component List
Engine Control Module Description
Control Module References
Fuel Controls - EVAP Controls