GM Service Manual Online
For 1990-2009 cars only
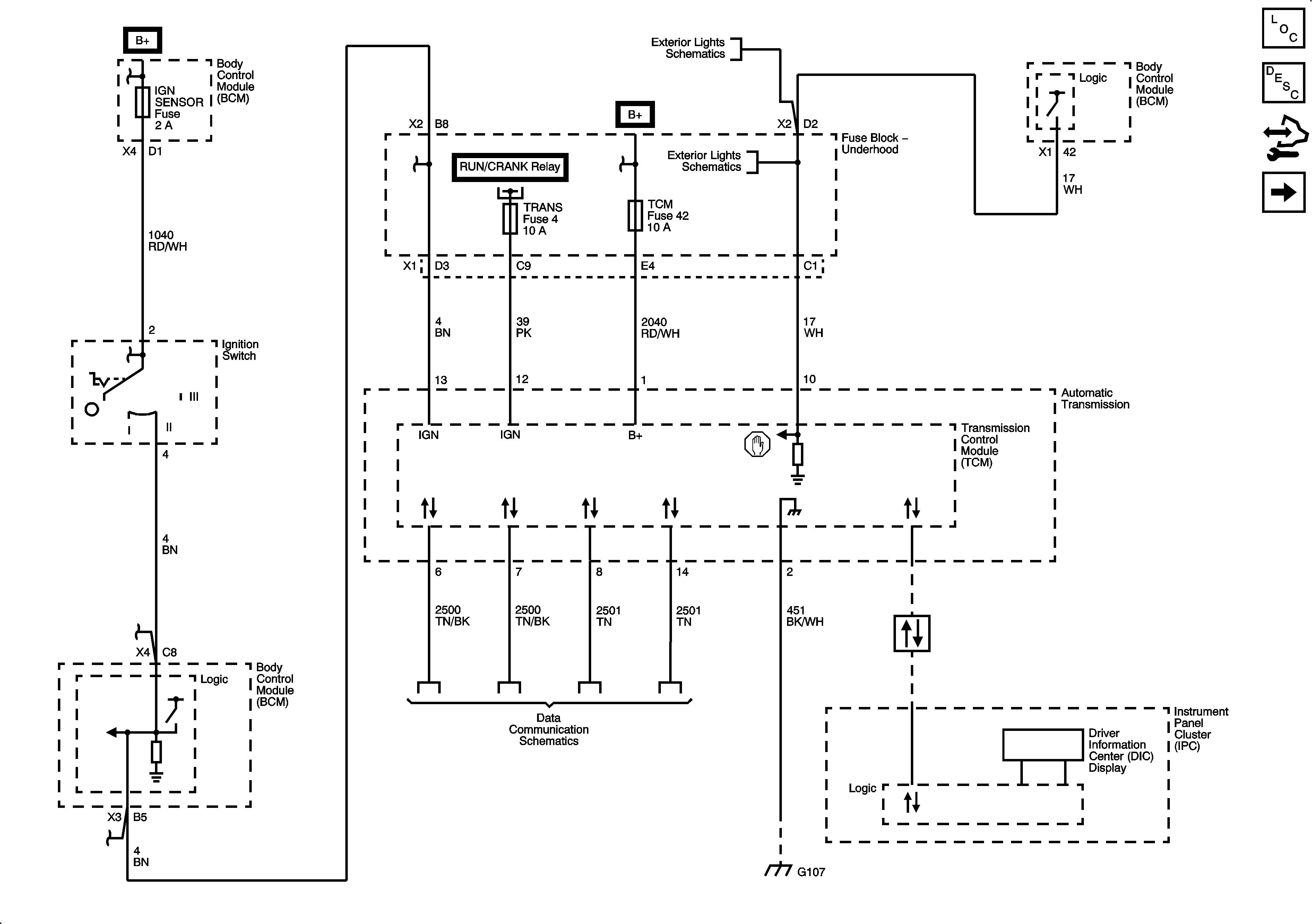
Figure 1:

Module Power, Ground, Data Communication, MIL, and Brake Applied Signal


Object Number: 2084090  Size: FS
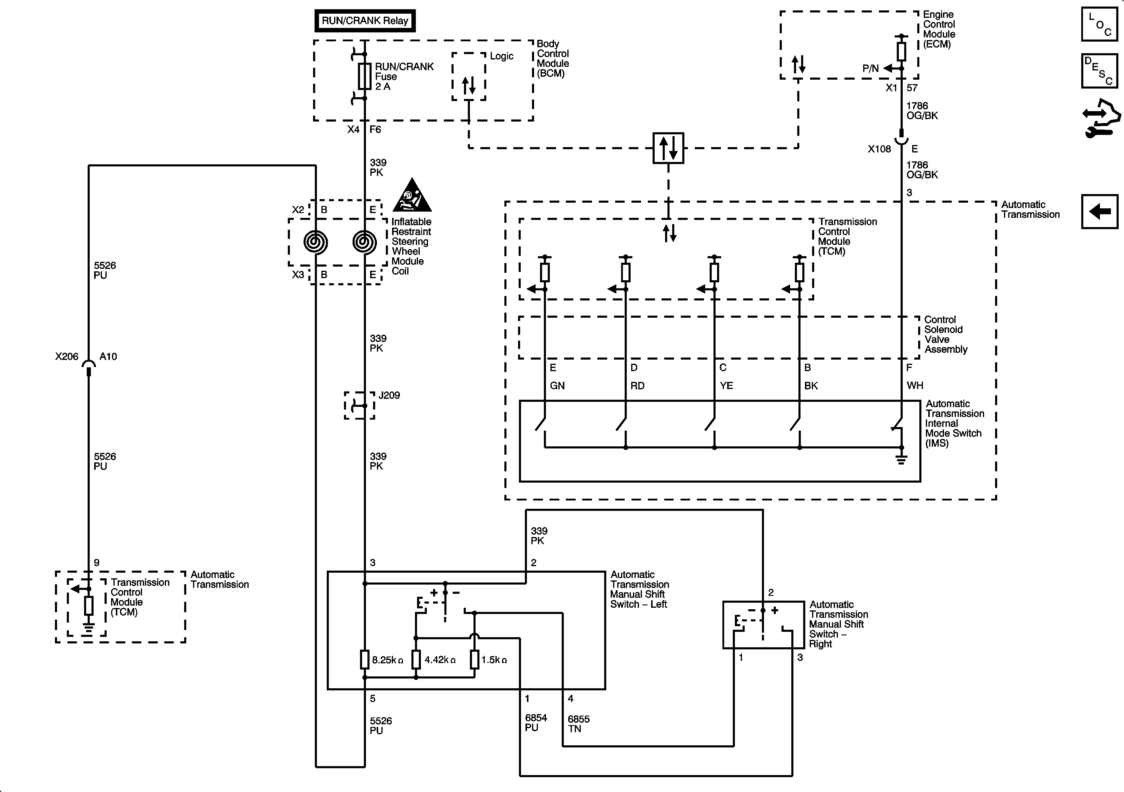
Figure 2:

Pressure Controls and Shift Controls


Object Number: 2084092  Size: FS
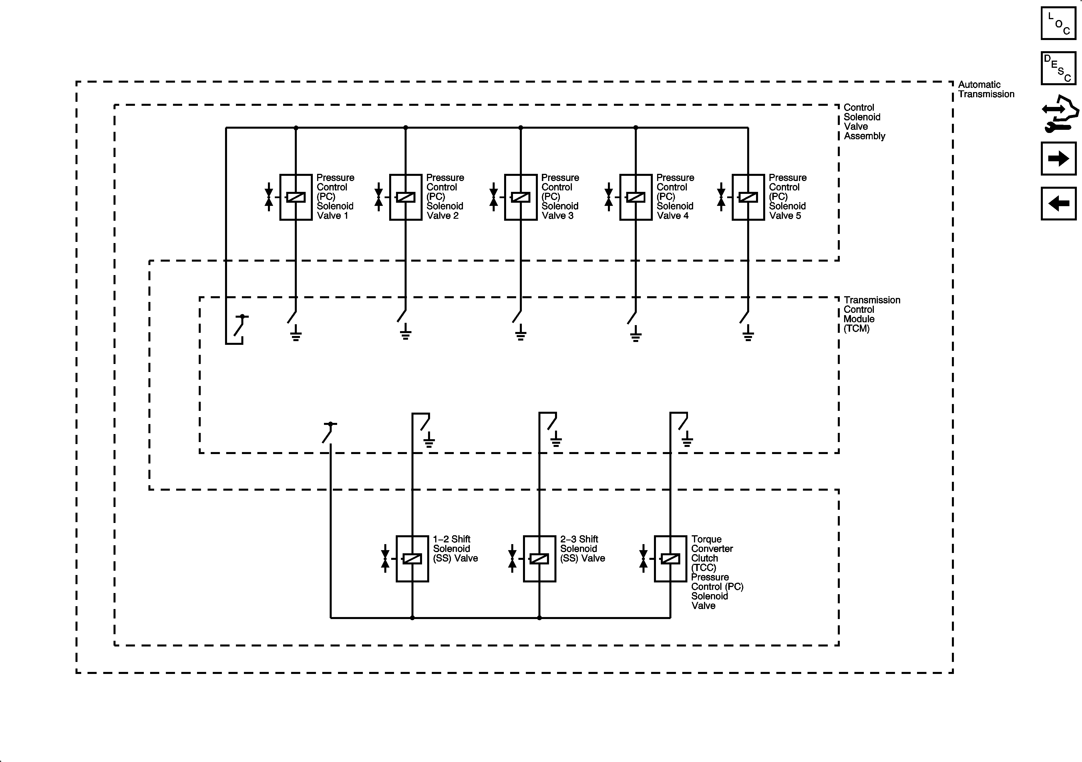
Figure 3:

ISS, OSS, TFP, and TFT


Object Number: 2084094  Size: FS
Figure 4:

IMS and Tap Up/Tap Down Switches


Object Number: 2084095  Size: FS